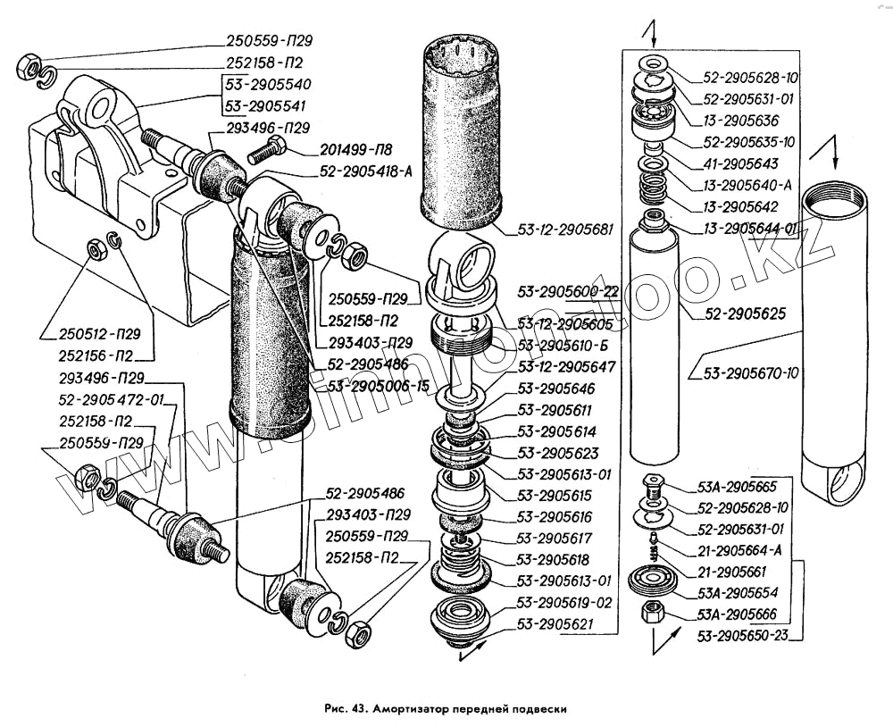
Каталог запасных частей к технике: ГАЗ-3309. Амортизаторы передней подвески
52-2905631-01
52-2905631-01
21-2905661
53-2905618
53-2905670-10
53-2905614
53-2905616
53-2905621
53-2905646
53А-2905666
13-2905640-А
52-2905628-10
52-2905628-10
13-2905642
52-2905625
53-2905611
53-2905617
53-2905623
252156-П2
293403-П29
293403-П29
252158-П2
252158-П2
252158-П2
252158-П2
293496-П29
293496-П29
53-2905600-22
53-12-2905606
53-12-2905681
201499-П8
21-2905664-А
41-2905643
52-2905486
52-2905486
53-2905619-02
13-2905644-01
53-2905610-Б
53А-2905665
250512-П29
250559-П29
250559-П29
250559-П29
250559-П29
53-2905650-23
53-2905006-15
13-2905636
53-2905613-01
53-2905613-01
53А-2905654
53-2905541
53-2905540
53-12-2905647
53-2905615
52-2905418-А
52-2905472-01
52-2905635-10
| Позиция на иллюстрации | Заводской номер детали | Название детали | |
|---|---|---|---|
| 52-2905631-01 | 52-2905631-01 | Тарелка ограничительная | |
| 21-2905661 | 21-2905661 | Пружина | |
| 53-2905618 | 53-2905618 | Пружина поджимная | |
| 53-2905670-10 | 53-2905670-10 | Резервуар | |
| 53-2905670 | 53-2905670 | Резервуар переднего амортизатора | |
| 53-2905614 | 53-2905614 | Сальник | |
| 53-2905616 | 53-2905616 | Сальник штока амортизатора | |
| 53-2905621 | 53-2905621 | Уплотнение | |
| 53-2905646 | 53-2905646 | Сальник штока | |
| 53А-2905666 | 53А-2905666 | Гайка | |
| 13-2905640-А | 13-2905640-А | Тарелка клапана отдачи | |
| 52-2905628-10 | 52-2905628-10 | Тарелка ограничительная | |
| 13-2905642 | 13-2905642 | Пружина | |
| 52-2905625 | 52-2905625 | Цилиндр амортизатора | |
| 53-2905611 | 53-2905611 | Шайба нажимная | |
| 53-2905617 | 53-2905617 | Шайба | |
| 53-2905623 | 53-2905623 | Шайба уплотнительного кольца | |
| 252156-П2 | 252156-П2 | Шайба 10Л ОСТ 37.001.115-75 | |
| 293403-П29 | 293403-П29 | Шайба 14,5 | |
| 252158-П2 | 252158-П2 | Шайба 14Л ОСТ 37.001.115-75 | |
| 293496-П29 | 293496-П29 | Шайба 19,5 | |
| 53-2905600-22 | 53-2905600-22 | Шток амортизатора в сборе | |
| 53-2905605-20 | 53-2905605-20 | Шток переднего амортизатора | |
| 53-12-2905606 | 53-12-2905606 | Шток амортизатора передней подвески с проушиной в сборе | |
| 53-12-2905681 | 53-12-2905681 | Кожух переднего амортизатора | |
| 201499-П8 | 201499-П8 | Болт М10-6gх30 | |
| 21-2905664-А | 21-2905664-А | Втулка клапана сжатия амортизатора передней подвески | |
| 41-2905643 | 41-2905643 | Втулка | |
| 52-2905486 | 52-2905486 | Втулка проушины амортизатора передней подвески | |
| 53-2905619-02 | 53-2905619-02 | Направляющая штока | |
| 13-2905644-01 | 13-2905644-01 | Гайка | |
| 53-2905610-Б | 53-2905610-Б | Гайка | |
| 53А-2905665 | 53А-2905665 | Гайка | |
| 250512-П29 | 250512-П29 | Гайка М10-6Н ОСТ 37.001.124-93 | |
| 250559-П29 | 250559-П29 | Гайка М14х1,5-6Н ОСТ 37.001.124-93 | |
| 53-2905650-23 | 53-2905650-23 | Клапан в сборе | |
| 53-2905006-15 | 53-2905006-15 | Амортизатор | |
| 53-2905681-10 | 53-2905681-10 | Кожух амортизатора передней подвески | |
| 13-2905636 | 13-2905636 | Кольцо поршневое | |
| 53-2905613-01 | 53-2905613-01 | Кольцо | |
| 53А-2905654 | 53А-2905654 | Корпус клапана сжатия | |
| 53-2905541 | 53-2905541 | Кронштейн амортизатора верхний левый | |
| 53-2905540 | 53-2905540 | Кронштейн амортизатора верхний правый | |
| 53-12-2905647 | 53-12-2905647 | Обойма | |
| 53-2905615 | 53-2905615 | Обойма | |
| 52-2905418-А | 52-2905418-А | Палец крепления амортизатора верхний | |
| 52-2905472-01 | 52-2905472-01 | Палец крепления амортизатора нижний | |
| 52-2905635-10 | 52-2905635-10 | Поршень амортизатора |
Содержащиеся в справочниках-каталогах запасные части и детали не предлагаются к продаже, а носят исключительно информационный характер