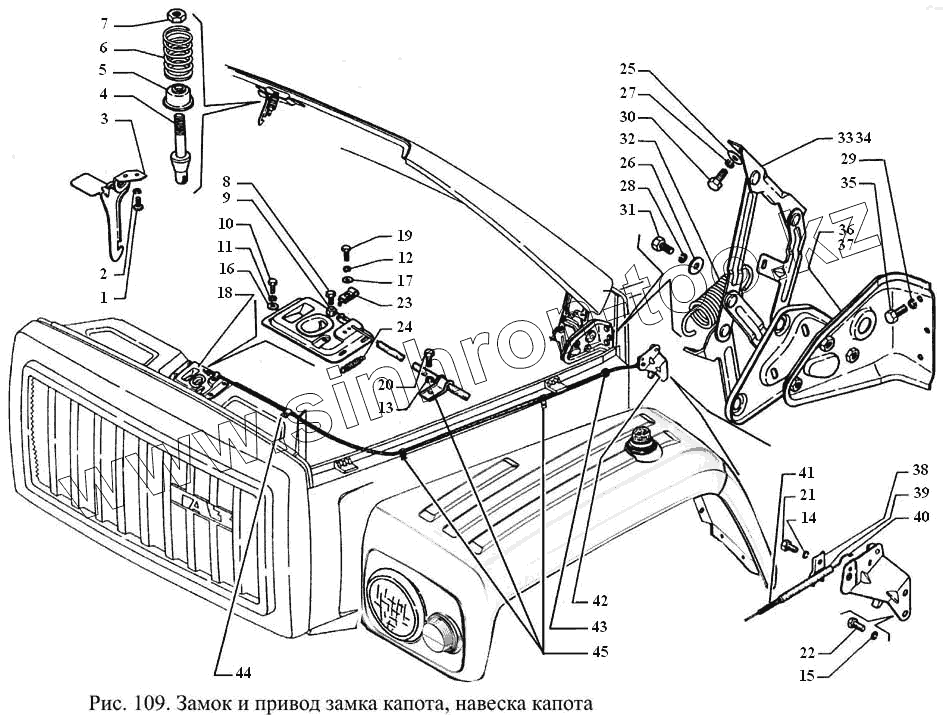
Каталог запасных частей к технике: ГАЗ-3308. Замок и привод замка капота, навеска капота
1
2
3
4
5
6
7
8
9
10
11
12
13
14
15
16
17
18
19
20
21
22
23
24
25
26
27
28
29
30
31
32
33
34
35
36
37
38
39
40
41
42
43
44
45
| Позиция на иллюстрации | Заводской номер детали | Название детали | |
|---|---|---|---|
| 1 | 224597-П29 | Винт М5-6gх10 ОСТ 37.001.130-81 | |
| 2 | 252153-П2 | Шайба 5Л ОСТ 37.001.115-75 | |
| 3 | 3307-8406100 | Крючок-предохранитель капота в сборе | |
| 4 | 21-8406080 | Штырь капота | |
| 5 | 30-8402626 | Фланец пружины штыря верха капота | |
| 6 | 30-8402624 | Пружина штыря | |
| 7 | 250559-П29 | Гайка М14х1,5-6Н ОСТ 37.001.124-93 | |
| 8 | 290277-П29 | Болт М4х8 | |
| 9 | 292655-П29 | Гайка М4-6Н | |
| 10 | 201418-П29 | Болт М6-6gх16 ОСТ 37.001.123-96 | |
| 11 | 252134-П2 | Шайба 6Т ОСТ 37.001.115-75 | |
| 12 | 252134-П2 | Шайба 6Т ОСТ 37.001.115-75 | |
| 13 | 252134-П2 | Шайба 6Т ОСТ 37.001.115-75 | |
| 14 | 252134-П2 | Шайба 6Т ОСТ 37.001.115-75 | |
| 15 | 252134-П2 | Шайба 6Т ОСТ 37.001.115-75 | |
| 16 | 252004-П29 | Шайба 6 ОСТ 37.001.144-96 | |
| 17 | 252004-П29 | Шайба 6 ОСТ 37.001.144-96 | |
| 18 | 21-8406012-Б | Замок капота в сборе | |
| 19 | 201417-П29 | Болт М6-6gх14 ОСТ 37.001.123-96 | |
| 20 | 201417-П29 | Болт М6-6gх14 ОСТ 37.001.123-96 | |
| 21 | 201417-П29 | Болт М6-6gх14 ОСТ 37.001.123-96 | |
| 22 | 201417-П29 | Болт М6-6gх14 ОСТ 37.001.123-96 | |
| 23 | 21-8406194 | Скоба крепления оболочки тяги привода к замку | |
| 24 | 21-8406044 | Пружина щеколды замка капота | |
| 25 | 252038-П29 | Шайба 8 ОСТ 37.001.144-96 | |
| 26 | 252038-П29 | Шайба 8 ОСТ 37.001.144-96 | |
| 27 | 252135-П2 | Шайба 8Т ОСТ 37.001.115-75 | |
| 28 | 252135-П2 | Шайба 8Т ОСТ 37.001.115-75 | |
| 29 | 252135-П2 | Шайба 8Т ОСТ 37.001.115-75 | |
| 30 | 201454-П29 | Болт М8-6gх16 ОСТ 37.001.123-96 | |
| 31 | 201454-П29 | Болт М8-6gх16 ОСТ 37.001.123-96 | |
| 32 | 24-8407070 | Пружина петли капота | |
| 33 | 4301-8407012 | Петля капота правая | |
| 34 | 4301-8407013 | Петля капота левая | |
| 35 | 201455-П29 | Болт М8-6gх18 ОСТ 37.001.123-96 | |
| 36 | 4301-8407096 | Держатель петли правый | |
| 37 | 4301-8407097 | Держатель петли левый | |
| 38 | 24-10-8406194 | Скоба крепления тяги привода замка | |
| 39 | 4301-8417186 | Трубка защитная оболочки тяги привода | |
| 40 | 4301-8417180 | Тяга привода замка капота | |
| 41 | 4301-8417184 | Оболочка тяги привода замка | |
| 42 | 4301-8417150 | Привод замка капота в сборе | |
| 43 | 24-8406224-01 | Втулка оболочки тяги привода замка капота | |
| 44 | 24-1310290 | Скоба крепления тяги привода замка капота к кузову | |
| 45 | 24-1310290 | Скоба крепления тяги привода замка капота к кузову |
Содержащиеся в справочниках-каталогах запасные части и детали не предлагаются к продаже, а носят исключительно информационный характер