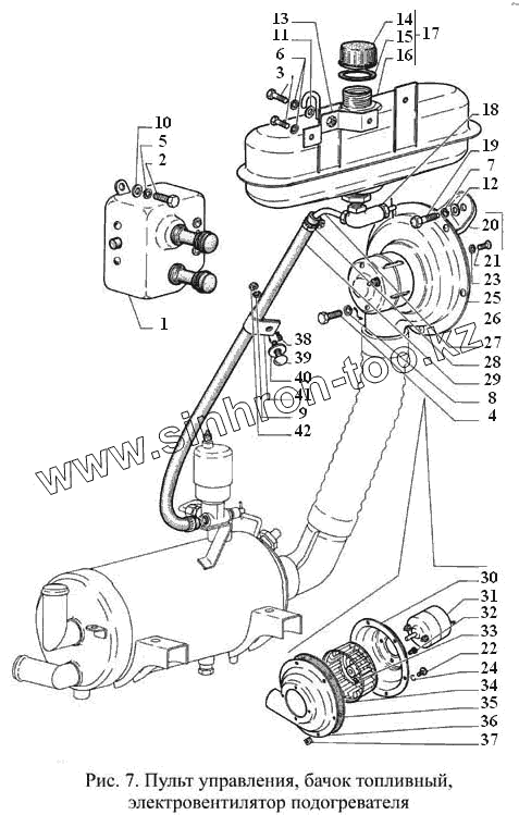
Каталог запасных частей к технике: ГАЗ-3308. Пульт управления, бачок топливный, электровентилятор подогревателя
1
2
3
4
5
6
7
8
9
10
11
12
13
14
15
16
17
18
19
20
21
22
23
24
25
26
27
28
29
30
31
32
33
34
35
36
37
38
39
40
41
42
| Позиция на иллюстрации | Заводской номер детали | Название детали | |
|---|---|---|---|
| 1 | 3308-1015570 | Пульт управления подогревателем | |
| 2 | 201418-П29 | Болт М6-6gх16 ОСТ 37.001.123-96 | |
| 3 | 201418-П29 | Болт М6-6gх16 ОСТ 37.001.123-96 | |
| 4 | 201418-П29 | Болт М6-6gх16 ОСТ 37.001.123-96 | |
| 5 | 252134-П2 | Шайба 6Т ОСТ 37.001.115-75 | |
| 6 | 252134-П2 | Шайба 6Т ОСТ 37.001.115-75 | |
| 7 | 252134-П2 | Шайба 6Т ОСТ 37.001.115-75 | |
| 8 | 252134-П2 | Шайба 6Т ОСТ 37.001.115-75 | |
| 9 | 252134-П2 | Шайба 6Т ОСТ 37.001.115-75 | |
| 10 | 252004-П29 | Шайба 6 ОСТ 37.001.144-96 | |
| 11 | 252004-П29 | Шайба 6 ОСТ 37.001.144-96 | |
| 12 | 252004-П29 | Шайба 6 ОСТ 37.001.144-96 | |
| 13 | 3307-1015496 | Кронштейн переходный топливного бачка | |
| 14 | 53-1015468 | Пробка топливного бачка подогревателя | |
| 15 | 53-1015479-А | Прокладка пробки топливного бачка подогревателя | |
| 16 | 53А-1015455 | Бачок топливный подогревателя в сборе | |
| 17 | 53А-1015450 | Бачок топливный пускового подогревателя с пробкой в сборе | |
| 18 | ВП5 | Краник топливного бачка подогревателя | |
| 19 | 290509-П29 | Болт М6-6gх25 | |
| 20 | 3307-1015555 | Кронштейн крепления электровентилятора | |
| 21 | 220050-П29 | Винт М4-6gх8 ОСТ 37.001.127-81 | |
| 22 | 220050-П29 | Винт М4-6gх8 ОСТ 37.001.127-81 | |
| 23 | 252152-П2 | Шайба 4Л ОСТ 37.001.115-75 | |
| 24 | 252152-П2 | Шайба 4Л ОСТ 37.001.115-75 | |
| 25 | 3307-1015550 | Электровентилятор подогревателя в сборе | |
| 26 | 3307-1015545 | Электровентилятор в сборе | |
| 27 | 49Б-1015410 | Трубка топливного бачка пускового подогревателя | |
| 28 | 00.10.00 | Хомут 12-22 ТО17-9-20-98 | |
| 29 | 63-1013101-30 | Шланг от тройника к редукционному клапану | |
| 30 | 30-8102016 | Корпус вентилятора | |
| 31 | 76.3730000 | Электродвигатель 76.3730 ТУ 37.459.135-92 | |
| 32 | 30-5303045 | Буфер | |
| 33 | 242471-П29 | Винт М5-6gх12 ОСТ 37.001.132-82 | |
| 34 | 81Ю-8102030 | Ротор в сборе | |
| 35 | 30-8102026 | Прокладка | |
| 36 | 41-8102020 | Крышка корпуса в сборе | |
| 37 | 251082-П29 | Гайка М4-6Н ОСТ 37.001.112-91 | |
| 38 | 21-3713090 | Скоба | |
| 39 | 210358-П29 | Болт М6-6gх20 ОСТ 37.001.106-75 | |
| 40 | 293277-П29 | Шайба 8,5 | |
| 41 | 297506-П29 | Скоба 16 | |
| 42 | 250508-П29 | Гайка М6-6Н ОСТ 37.001.124-93 |
Содержащиеся в справочниках-каталогах запасные части и детали не предлагаются к продаже, а носят исключительно информационный характер