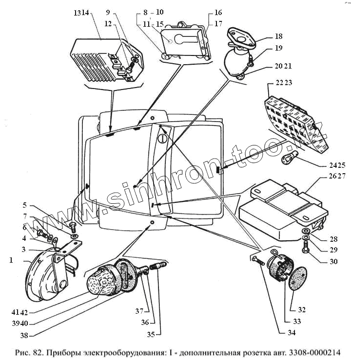
Каталог запасных частей к технике: ГАЗ-3308. Приборы электрооборудования
1
3
4
5
6
7
8
9
10
11
12
13
14
15
16
17
18
19
20
21
22
23
24
25
26
27
28
29
30
32
33
34
35
36
37
38
39
40
41
42
| Позиция на иллюстрации | Заводской номер детали | Название детали | |
|---|---|---|---|
| 1 | 201.3721-01 | Сигнал звуковой безрупорный (201.3721000-01) | |
| 2 | С306Д/С307Д-3721000-01 | Комплект звуковых сигнальных приборов | |
| 3 | 3307-3721064 | Кронштейн сигнала | |
| 4 | 4301-3724343 | Провод минусовый | |
| 5 | 201417-П29 | Болт М6-6gх14 ОСТ 37.001.123-96 | |
| 6 | 201417-П29 | Болт М6-6gх14 ОСТ 37.001.123-96 | |
| 7 | 4599526-092 | Шайба 6 | |
| 8 | 4599526-092 | Шайба 6 | |
| 9 | 4599526-092 | Шайба 6 | |
| 10 | 4599526-092 | Шайба 6 | |
| 11 | 201418-П29 | Болт М6-6gх16 ОСТ 37.001.123-96 | |
| 12 | 201418-П29 | Болт М6-6gх16 ОСТ 37.001.123-96 | |
| 13 | 131.3734 | Коммутатор (131.3734000) | |
| 14 | 90.3734 | Коммутатор | |
| 15 | 201416-П29 | Болт М6-6gх12 ОСТ 37.001.123-96 | |
| 16 | 2702.3702010 | Регулятор напряжения 2702.3702 ТУ 37.463.120-91 | |
| 17 | 3308-3702016 | Кронштейн | |
| 18 | ПД308Б | Фонарь освещения под капотом | |
| 19 | 240037-П29 | Винт М5х16 ОСТ 37.001.187-81 | |
| 20 | А12-10 | Лампа подкапотная | |
| 21 | А24-5-2 | Лампа | |
| 22 | 0026.023714 | Плафон освещения грузового отсека | |
| 23 | 0026.123714010 | Плафон 0026.123714 ТУ 37.458.064-90 освещения кабины | |
| 24 | А12-21-3 | Лампа | |
| 25 | А24-21-3 | Лампа накаливания (d=15, D=26,5, L=45) ГОСТ 2023.1 -88 | |
| 26 | РС950П | Прерыватель указателей поворота (РС950П-3726010) | |
| 27 | РС951А-3726010-У-ХЛ | Прерыватель указателей поворота РС951А-У-ХЛ ТУ 37.453.056-82 | |
| 28 | 252004-П29 | Шайба 6 ОСТ 37.001.144-96 | |
| 29 | 252154-П2 | Шайба 6Л ОСТ 37.001.115-75 | |
| 30 | 290509-П29 | Болт М6-6gх25 | |
| 31 | 201420-П29 | Болт М6-6gх20 ОСТ 37.001.123-96 | |
| 32 | 51-3715021 | Прокладка штепсельной розетки переносной лампы | |
| 33 | 13.995.00-01 | Розетка штепсельная 47К-О ТУ 2491-003-03964945-93 | |
| 34 | 221512-П29 | Винт М3-6gх28 ОСТ 37.001.125-81 | |
| 35 | 53-3726180 | Соединитель прокладки | |
| 36 | 250464-П29 | Гайка М5-6Н ОСТ 37.001.124-93 | |
| 37 | 252233-П29 | Шайба 2-5 ОСТ 37.001.146-75 | |
| 38 | 53А-3726176 | Прокладка бокового повторителя | |
| 39 | А12-5 | Лампа (53-70-3714033) | |
| 40 | А24-5-1 | Лампа накаливания (d=15, D=19, L=30) ГОСТ 2023.1-88 | |
| 41 | 4573743-343 | Повторитель боковой указателя поворота УП101-Г1-У ТУ37.003.7 | |
| 42 | УП101-В | Повторитель боковой указателя поворота (УП101-3726010-В) |
Содержащиеся в справочниках-каталогах запасные части и детали не предлагаются к продаже, а носят исключительно информационный характер