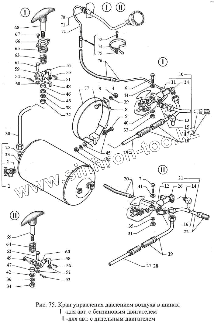
Каталог запасных частей к технике: ГАЗ-3308. Кран управления давлением воздуха в шинах
1
2
3
4
5
6
7
8
9
10
11
12
13
14
15
16
17
18
19
20
21
22
23
24
25
26
27
28
29
30
31
32
33
34
35
36
37
38
39
40
41
42
43
44
45
46
47
48
49
50
51
52
53
54
55
56
57
58
59
60
61
62
63
64
65
66
67
68
69
70
71
72
73
74
75
76
77
| Позиция на иллюстрации | Заводской номер детали | Название детали | |
|---|---|---|---|
| 1 | 3308-3121010 | Воздушный баллон | |
| 2 | ВС8-1Т | Краник сливной (Г-21Ю-1305010-А) | |
| 3 | 201456-П29 | Болт М8-6gх20 ОСТ 37.001.123-96 | |
| 4 | 250510-П29 | Гайка М8-6Н ОСТ 37.001.124-93 | |
| 5 | 250510-П29 | Гайка М8-6Н ОСТ 37.001.124-93 | |
| 6 | 201460-П29 | Болт М8-6gх30 ОСТ 37.001.123-96 | |
| 7 | 201460-П29 | Болт М8-6gх30 ОСТ 37.001.123-96 | |
| 8 | 3307-3513082 | Кронштейн крепления вакуумного баллона передний | |
| 9 | 290693-П29 | Болт М8-6gх55 | |
| 10 | 3308-3122010 | Кран управления | |
| 11 | 131-4222011 | Кран управления давлением | |
| 12 | 131-4222011 | Кран управления давлением | |
| 13 | 66-02-4222017 | Штуцер угловой | |
| 14 | 66-02-4222017 | Штуцер угловой | |
| 15 | 66-02-4222016 | Тройник крана управления давлением | |
| 16 | 66-02-4222016 | Тройник крана управления давлением | |
| 17 | 3308-3125040 | Трубка от крана управления к колесам со шлангом первая | |
| 18 | 3308-3125032 | Трубка от воздушного баллона к крану управления вторая со шлангом | |
| 19 | 3308-3125032 | Трубка от воздушного баллона к крану управления вторая со шлангом | |
| 20 | 33081-3125128 | Трубка от крана управления к манометру шин со шлангом первая | |
| 21 | 33081-3122010 | Кран управления | |
| 22 | 33081-3125040 | Трубка от крана управления к колесам со шлангом первая | |
| 23 | 66-11-3513015 | Баллон воздушный в сборе | |
| 24 | 40П-4221020 | Штуцер угловой | |
| 25 | 40П-4221020 | Штуцер угловой | |
| 26 | 40П-4221020 | Штуцер угловой | |
| 27 | 3308-3125034 | Трубка от воздушного баллона к крану управления первая | |
| 28 | 3308-3125034 | Трубка от воздушного баллона к крану управления первая | |
| 29 | 3308-3125034 | Трубка от воздушного баллона к крану управления первая | |
| 30 | 3308-3125034 | Трубка от воздушного баллона к крану управления первая | |
| 31 | 250610-П29 | Гайка М8-6Н ОСТ 37.001.124-93 | |
| 32 | 250610-П29 | Гайка М8-6Н ОСТ 37.001.124-93 | |
| 33 | 250610-П29 | Гайка М8-6Н ОСТ 37.001.124-93 | |
| 34 | 250610-П29 | Гайка М8-6Н ОСТ 37.001.124-93 | |
| 35 | 252135-П2 | Шайба 8Т ОСТ 37.001.115-75 | |
| 36 | 252135-П2 | Шайба 8Т ОСТ 37.001.115-75 | |
| 37 | 252135-П2 | Шайба 8Т ОСТ 37.001.115-75 | |
| 38 | 252135-П2 | Шайба 8Т ОСТ 37.001.115-75 | |
| 39 | 252135-П2 | Шайба 8Т ОСТ 37.001.115-75 | |
| 40 | 252135-П2 | Шайба 8Т ОСТ 37.001.115-75 | |
| 41 | 252005-П29 | Шайба 8 ОСТ 37.001.144-96 | |
| 42 | 252005-П29 | Шайба 8 ОСТ 37.001.144-96 | |
| 43 | 252005-П29 | Шайба 8 ОСТ 37.001.144-96 | |
| 44 | 252005-П29 | Шайба 8 ОСТ 37.001.144-96 | |
| 45 | 252005-П29 | Шайба 8 ОСТ 37.001.144-96 | |
| 46 | 66-52-4222021 | Втулка направляющая | |
| 47 | 66-52-4222021 | Втулка направляющая | |
| 48 | 66-02-4222026-Б2 | Фиксатор рукоятки | |
| 49 | 66-02-4222026-Б2 | Фиксатор рукоятки | |
| 50 | 252004-П29 | Шайба 6 ОСТ 37.001.144-96 | |
| 51 | 252004-П29 | Шайба 6 ОСТ 37.001.144-96 | |
| 52 | 252004-П29 | Шайба 6 ОСТ 37.001.144-96 | |
| 53 | 258012-П29 | Шплинт 2х12 ОСТ 37.001.171-93 | |
| 54 | 258012-П29 | Шплинт 2х12 ОСТ 37.001.171-93 | |
| 55 | 258012-П29 | Шплинт 2х12 ОСТ 37.001.171-93 | |
| 56 | 258012-П29 | Шплинт 2х12 ОСТ 37.001.171-93 | |
| 57 | 66-02-4222020 | Тяга рукоятки крана управления | |
| 58 | 66-02-4222020 | Тяга рукоятки крана управления | |
| 59 | 40П-4222022 | Вилка тяги | |
| 60 | 40П-4222022 | Вилка тяги | |
| 61 | 260012-П29 | Палец 6х20 ОСТ 37.001.163-97 | |
| 62 | 260012-П29 | Палец 6х20 ОСТ 37.001.163-97 | |
| 63 | 51-3401033 | Пружина трубки провода сигнала нижней крышки картера | |
| 64 | 51-3401033 | Пружина трубки провода сигнала нижней крышки картера | |
| 65 | 3308-3122028 | Уплотнитель | |
| 66 | 3308-3122029 | Крышка уплотнителя | |
| 67 | 240817-П29 | Винт М4х10 ОСТ 37.001.188-81 | |
| 68 | 66-02-4222012 | Рукоятка крана управления давлением в сборе | |
| 69 | 66-02-4222012 | Рукоятка крана управления давлением в сборе | |
| 70 | 250636-П29 | Гайка М16х1,5-6Н ОСТ 37.001.124-93 | |
| 71 | 252239-П29 | Шайба 2-16 ОСТ 37.001.146-75 | |
| 72 | 3308-3125131 | Трубка от крана управления к манометру шин вторая | |
| 73 | 297535-П29 | Шплинт 2,7х12 | |
| 74 | 297533-П29 | Лента хомута 5х110 | |
| 75 | 297540-П29 | Пряжка 3,3х5,5 | |
| 76 | 3308-3125128 | Трубка к манометру шин со шлангом первая | |
| 77 | 3307-3513072 | Хомут крепления вакуумного баллона в сборе |
Содержащиеся в справочниках-каталогах запасные части и детали не предлагаются к продаже, а носят исключительно информационный характер