Вернуться на главную
Поиск
Каталоги запчастей к технике
Грузовые автомобили и прицепы
ГАЗ
ГАЗ-3308
Дверь, обивка, навеска, уплотнители, подлокотник двери
Каталог запасных частей к технике: ГАЗ-3308. Дверь, обивка, навеска, уплотнители, подлокотник двери
zoom-in
zoom-out
enlarge
shrink
circle-right
circle-left
file-text2
info
cart
Тип техники
Не выбрано
Легковые автомобили
Грузовые автомобили и прицепы
Автобусы
Сельхозтехника
Спецтехника
Двигатели
Мототехника
Марка
Не выбрано
BAW
DAF
DongFeng
FAW
Foton
HOWO
Hyundai
IVECO
JAC Motors
LGMG
MAN
Shaanxi
SITRAK
Studebaker
Tata
Volvo
Автокомпонент Плюс
БелАЗ
Брянский Арсенал
ГАЗ
ЗИЛ
КАЗ
Камский автозавод
КрАЗ
Мадара
МАЗ
МЗКТ
МоАЗ
Нефтекамский автозавод
Ставропольский Завод АвтоПрицепов
ТАТРА
Тонар
УралАЗ
ЧМЗАП
Модель
Не выбрано
ГАЗ-3306 (1994)
ГАЗ-3307 (2000)
ГАЗ-3307 (доп. с дв. ЗМЗ Е 3) (2009)
ГАЗ-3308 (2000)
ГАЗ-3308 (2002)
ГАЗ-3308 (доп. с дв. ЗМЗ Е 3) (2009)
ГАЗ-33081 (2008)
ГАЗ-3309
ГАЗ-3309 (доп. с дв. ЗМЗ Е 3) (2009)
ГАЗ-3309 (Евро 2) (2008)
ГАЗ-33104 Валдай (2006)
ГАЗ-33104 Валдай Евро 3 (2008)
ГАЗ-33106 Евро 3 (2015)
ГАЗ-4301
ГАЗ-51 (63, 63А) (1956)
ГАЗ-51 (63, 93) (1960)
ГАЗ-52-01
ГАЗ-52-02
ГАЗ-53 А (1989)
ГАЗ-5312 (2002)
ГАЗ-66 (Каталог 1983 г.) (1983)
ГАЗ-66 (Каталог 1996 г.) (1996)
ГАЗ-ММ "Полуторка" (1949)
ГАЗон NEXT C41R13-60 (2021)
Схема
>
Не выбрано
Термошумоизоляция и обивка кабины
Подвеска кабины, крышки люка пола
Стекла и уплотнители ветрового окна и окна задка, коврики пола
Стеклоочиститель и привод, омыватель ветрового стекла
Панель приборов
Дверь, обивка, навеска, уплотнители, подлокотник двери
Замки и ручки дверей
Окно двери и механизм перемещения стекла двери
Крепление передних сидений и механизм регулирования
Сиденье водителя и сиденье переднее
Вентиляция кабины, крепление отопителя, управление вентиляцией и отоплением кабины, трубопроводы
Отопитель, обогрев ветрового стекла и боковых стекол, воздухопроводы
Радиатор отопителя, вентилятор и электродвигатель отопителя
Зеркало заднего вида, держатели и крючки для одежды, козырек противосолнечный, крепление ремней безопасности
Замок и привод замка капота, навеска капота
Облицовка радиатора, крылья, панели боковины
Решетка облицовки радиатора, капот, подножки
Детали решеток боковых бортов и переднего надставного борта
Платформа, детали крепления платформы, тент с окнами
Платформа, крепление настила пола
Платформа, панели пола, борт задний
Решетки боковых бортов с сиденьями, борт передний надставной, дуги тента, брызговики, световозвращатели
Масляный радиатор бензинового двигателя
Масляный радиатор дизельного двигателя
Подвеска бензинового двигателя
Подвеска дизельного двигателя
Подогреватель предпусковой
Пульт управления, бачок топливный, электровентилятор подогревателя
Пусковое аэрозольное приспособление
Отстойник бензиновый, фильтр грубой очистки дизельного топлива
Охладитель наддувочного воздуха дизельного двигателя
Привод управления карбюратором, педаль акселератора бензинового двигателя
Привод управления подачей топлива дизельного двигателя
Топливные баки автомобиля с бензиновым двигателем
Топливный бак автомобиля с дизельным двигателем
Топливопроводы автомобиля с бензиновым двигателем
Топливопроводы автомобиля с дизельным двигателем
Тяги ручного управления и останова дизельного двигателя, педаль акселератора
Фильтр воздушный бензинового двигателя, вентиляция картера
Фильтр воздушный дизельного двигателя, датчик сигнализатора засоренности фильтра
Глушитель автомобиля с бензиновым двигателем
Глушитель автомобиля с дизельным двигателем
Радиатор бензинового двигателя, жалюзи радиатора, датчик сигнализатора перегрева охлаждающей жидкости
Радиатор дизельного двигателя, датчик сигнализатора перегрева охлаждающей жидкости
Расширительный бачок
Привод выключения сцепления, главный цилиндр сцепления
Сцепление, механизм выключения с рабочим цилиндром, ведомый диск сцепления бензинового двигателя
Сцепление, механизм выключения с рабочим цилиндром, ведомый диск сцепления дизельного двигателя
Валы и шестерни 4-ступенчатой коробки передач
Валы и шестерни 5- ступенчатой коробки передач
Детали механизма переключения 5-ступенчатой коробки передач
Картер и крышки 4-ступенчатой коробки передач
Картеры 5-ступенчатой коробки передач, валы в сборе, механизм переключения передач, выключатель света заднего хода
Коробка передач 5-ступенчатая и 4-ступенчатая с коробкой отбора мощности авт. с бензиновым двигателем, коробка передач 5-ступенчатая с картером сцепления дизельного двигателя
Механизм переключения 4-ступенчатой коробки передач
Валы и шестерни, механизм переключения передач раздаточной коробки
Картер и крышки раздаточной коробки, шестерни привода спидометра
Раздаточная коробка, подвеска и привод управления
Карданные валы трансмиссии
Кулаки поворотные, шарниры равных угловых скоростей
Мосты передние, картер и редуктор моста
Мосты задние, картер и редуктор моста, полуоси
Шестерни главной передачи с передаточным числом 5,5, кулачковый дифференциал моста
Шестерни главной передачи с передаточными числами 6,17 и 6,83, кулачковый дифференциал моста
Бампер передний, удлинитель лонжерона автомобиля 3308-0000214
Буферное устройство заднее, крюк тяговый
Рама, поперечины рамы, брызговик двигателя, бампер передний
Амортизатор подвески, крепление амортизаторов
Рессора задняя
Рессора передняя
Детали продольной рулевой тяги и клапана управления ГУР, сошка руля
Продольная и поперечная рулевые тяги, трубопроводы силового цилиндра ГУР
Колесо с шиной, подъемник запасного колеса
Колесо, ступица и тормозной барабан
Бачок и шланги ГУР автомобиля с дизельным двигателем
Вал карданный рулевого управления
Насос и шланги ГУР автомобиля с бензиновым двигателем
Рулевое управление
Рулевой механизм
Цилиндр силовой ГУР
Вакуумный насос автомобиля с дизельным двигателем, приводной ремень вакуумного насоса
Гидровакуумный усилитель тормозов, корпус и диафрагма усилителя
Главный цилиндр тормозов, педаль тормоза, кронштейн с педалями в сборе
Детали главного цилиндра тормозов, датчик аварийного уровня тормозной жидкости
Клапан управления и цилиндр гидровакуумного усилителя тормозов
Компрессор бензинового двигателя: I – установка компрессора, приводные ремни компрессора и насоса ГУР бензинового двигателя, II – шланг отбора воздуха компрессора дизельного двигателя
Привод тормозной системы
Регулятор давления тормозов
Рычаг стояночного тормоза
Стояночный тормоз, привод стояночного тормоза
Тормоз задний
Тормоз передний
Трубопроводы тормозной системы
Батарея аккумуляторная автомобиля с дизельным двигателем
Батарея аккумуляторная для автомобилей с бензиновым двигателем
Приборы электрооборудования
Установка генератора дизельного двигателя, вентиляторы и приводные ремни: I – бензинового двигателя, II – дизельного двигателя
Фары, фонари передние
Фонари задние, розетка прицепа
Щиток приборов автомобилей ГАЗ-3308
Щиток приборов автомобиля ГАЗ-33081
Коробка отбора мощности на лебедку
Подвод воздуха к шинам, блоки воздушных сальников, колесные краны
Кран управления давлением воздуха в шинах
Система регулирования давления воздуха в шинах, элементы системы, трубопроводы автомобиля с бензиновым двигателем
Система регулирования давления воздуха в шинах, элементы системы, трубопроводы автомобиля с дизельным двигателем
Лебедка с редуктором
Управление лебедкой
Установка лебедки, вал карданный лебедки
Инструмент водителя
Шанцевый инструмент и приспособления
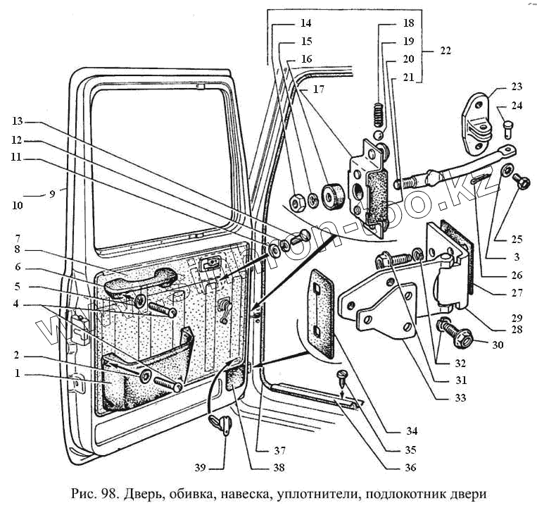
1
2
3
4
5
6
7
8
9
10
11
12
13
14
15
16
17
18
19
20
21
22
23
24
25
26
27
28
29
30
31
32
33
34
35
36
37
38
39
Позиция на иллюстрации
Заводской номер детали
Название детали
1
4301-3912406
Ящик аптечки
2
252174-П29
Шайба 2-6 ОСТ 37.001.145-75
3
252174-П29
Шайба 2-6 ОСТ 37.001.145-75
4
220109-П29
Винт М6-6gх25 ОСТ 37.001.127-81
5
252269-П29
Шайба 6 ОСТ 37.001.145-75
6
4301-6114010
Подлокотник двери в сборе
7
4301-6102013
Обивка двери левая в сборе
8
4301-6102012
Обивка двери правая в сборе
9
4301-6100019
Дверь левая (бондеризованная, грунтованная)
10
4301-6100018
Дверь правая (бондеризованная, грунтованная)
11
252004-П29
Шайба 6 ОСТ 37.001.144-96
12
252154-П2
Шайба 6Л ОСТ 37.001.115-75
13
224624-П29
Винт М6-6gх14 ОСТ 37.001.130-81
14
250610-П29
Гайка М8-6Н ОСТ 37.001.124-93
15
252135-П2
Шайба 8Т ОСТ 37.001.115-75
16
4301-6106086
Буфер ограничителя двери в сборе
17
4301-6106207
Крышка стопора ограничителя с осью
18
4301-6106188
Пружина стопора ограничителя
19
4691156-666
Шарик 9,525-40 ГОСТ 3722-81
20
4301-6106090-10
Рычаг ограничителя
21
4301-6106182
Корпус стопора ограничителя
22
4301-6106082
Ограничитель двери в сборе
23
24-6106088
Кронштейн ограничителя
24
260009-П29
Палец 6х14 ОСТ 37.001.163-97
25
201415-П29
Болт М6-6gх10 ОСТ 37.001.123-96
26
258011-П29
Шплинт 2х10 ОСТ 37.001.171-93
27
4301-6106046
Прокладка
28
3307-6106010
Петля двери правая
29
3307-6106011
Петля двери левая
30
4301-6106430
Болт М10х30
31
4301-6106430
Болт М10х30
32
252156-П2
Шайба 10Л ОСТ 37.001.115-75
33
24-6106016-01
Пластина крепления петли к двери
34
3102-6206364
Уплотнитель петли
35
240818-П29
Винт 4х12 ОСТ 37.001.188-81
36
4301-6101560
Облицовка порога
37
4301-6107126-01
Кант проема двери
38
4301-6101462
Крышка петельного люка
39
21-6102080
Пистон крепления обивки в сборе
Содержащиеся в справочниках-каталогах запасные части и детали не предлагаются к продаже, а носят исключительно информационный характер
Дополнительная информация
×
Название:
Номер:
Примечание: