Вернуться на главную
Поиск
Каталоги запчастей к технике
Грузовые автомобили и прицепы
ГАЗ
ГАЗ-3308
Установка генератора дизельного двигателя
Каталог запасных частей к технике: ГАЗ-3308. Установка генератора дизельного двигателя
zoom-in
zoom-out
enlarge
shrink
circle-right
circle-left
file-text2
info
cart
Тип техники
Не выбрано
Легковые автомобили
Грузовые автомобили и прицепы
Автобусы
Сельхозтехника
Спецтехника
Двигатели
Мототехника
Марка
Не выбрано
BAW
DAF
DongFeng
FAW
Foton
HOWO
Hyundai
IVECO
JAC Motors
LGMG
MAN
Shaanxi
SITRAK
Studebaker
Tata
Volvo
Автокомпонент Плюс
БелАЗ
Брянский Арсенал
ГАЗ
ЗИЛ
КАЗ
Камский автозавод
КрАЗ
Мадара
МАЗ
МЗКТ
МоАЗ
Нефтекамский автозавод
Ставропольский Завод АвтоПрицепов
ТАТРА
Тонар
УралАЗ
ЧМЗАП
Модель
Не выбрано
ГАЗ-3306 (1994)
ГАЗ-3307 (2000)
ГАЗ-3307 (доп. с дв. ЗМЗ Е 3) (2009)
ГАЗ-3308 (2000)
ГАЗ-3308 (2002)
ГАЗ-3308 (доп. с дв. ЗМЗ Е 3) (2009)
ГАЗ-33081 (2008)
ГАЗ-3309
ГАЗ-3309 (доп. с дв. ЗМЗ Е 3) (2009)
ГАЗ-3309 (Евро 2) (2008)
ГАЗ-33104 Валдай (2006)
ГАЗ-33104 Валдай Евро 3 (2008)
ГАЗ-33106 Евро 3 (2015)
ГАЗ-4301
ГАЗ-51 (63, 63А) (1956)
ГАЗ-51 (63, 93) (1960)
ГАЗ-52-01
ГАЗ-52-02
ГАЗ-53 А (1989)
ГАЗ-5312 (2002)
ГАЗ-66 (Каталог 1983 г.) (1983)
ГАЗ-66 (Каталог 1996 г.) (1996)
ГАЗ-ММ "Полуторка" (1949)
ГАЗон NEXT C41R13-60 (2021)
Схема
>
Не выбрано
Общий вид автомобиля «Садко» ГАЗ-3308-043
Подвеска бензинового двигателя
Подвеска дизельного двигателя
Масляный радиатор бензинового двигателя
Масляный радиатор дизельного двигателя
Подогреватель предпусковой
Пульт управления, бачок топливный, электровентилятор подогревателя
Пусковое аэрозольное приспособление
Топливный баки автомобиля с бензиновым двигателем
Топливный баки автомобиля с дизельным двигателем
Топливопроводы автомобиля с бензиновым двигателем
Топливопроводы автомобиля с дизельным двигателем
Отстойник бензиновый, фильтр грубой очистки дизельного топлива
Привод управления карбюратором
Привод управления подачей топлива дизельного двигателя
Тяги ручного управления и останова дизельного двигателя, педаль акселератора
Фильтр воздушный бензинового двигателя, вентиляция картера
Фильтр воздушный дизельного двигателя
Охладитель наддувочного воздуха дизельного двигателя
Глушитель автомобиля с бензиновым двигателем
Глушитель автомобиля с дизельным двигателем
Радиатор бензинового двигателя
Радиатор дизельного двигателя
Расширительный бачок
Сцепление, механизм выключения с рабочим цилиндром, ведомый диск сцепления бензинового двигателя
Сцепление, механизм выключения с рабочим цилиндром, ведомый диск сцепления дизельного двигателя
Привод выключения сцепления, главный цилиндр
Коробка передач 5 и 4-ступенчатая авт. с бензиновым двигателем и 5-ступенчатая авт. с дизельным двигателем
Картеры 5-ступенчатой коробки передач, валы в сборе, механизм переключения передач
Картер и крышки 4-ступенчатой коробки передач
Валы и шестерни 5-ступенчатой коробки
Валы и шестерни 4-ступенчатой коробки передач
Детали механизма переключения 5-ступенчатой коробки передач
Механизм переключения 4-ступенчатой коробки передач
Раздаточная коробка
Картер и крышки раздаточной коробки
Валы и шестерни, механизм переключения передач раздаточной коробки
Карданные валы
Мосты передние
Кулаки поворотные, шарниры равных угловых скоростей
Мосты задние
Шестерни главной передачи с передаточными числами 6,17 и 6,83, кулачковый дифференциал моста
Шестерни главной передачи с передаточным числом 5,5, кулачковый дифференциал моста
Рама, поперечина, брызговик двигателя, бампер передний
Бампер передний, удлинитель лонжерона
Буферное устройство заднее, крюк тяговый
Рессора передняя
Рессора задняя
Амортизатор подвески
Колесо, ступица и тормозной барабан
Колесо с шиной, подъемник запасного колеса
Рулевое управление
Вал карданный рулевого управления
Рулевой механизм
Насос и шланги ГУР автомобиля с бензиновым двигателем
Бачок и шланги ГУР автомобиля с дизельным двигателем
Рулевые тяги, трубопроводы силового цилиндра ГУР
Цилиндр силовой ГУР
Детали продольной рулевой тяги и клапана управления ГУР, сошка руля
Тормоз передний
Тормоз задний
Главный цилиндр, педаль тормоза
Детали главного цилиндра тормозов, датчик аварийного уровня тормозной жидкости
Привод тормозной системы
Трубопроводы тормозной системы
Регулятор давления тормозов
Вакуумный насос автомобиля с дизельным двигателем
Гидровакуумный усилитель тормозов
Клапан управления и цилиндр гидровакуумного усилителя тормозов
Стояночный тормоз и его привод
Рычаг стояночного тормоза
Компрессор бензинового двигателя
Система регулирования давления воздуха в шинах автомобиля с бензиновым двигателем
Система регулирования давления воздуха в шинах автомобиля с дизельным двигателем
Кран управления давлением воздуха в шинах
Подвод воздуха к шинам
Установка генератора дизельного двигателя
Батарея аккумуляторная автомобиля с бензиновым двигателем
Батарея аккумуляторная автомобиля с дизельным двигателем
Фары, фонари передние
Фонари задние, розетка прицепа
Приборы электрооборудования
Электроообрудование автомобилей ГАЗ-3308
Электроообрудование автомобиля ГАЗ-33081
Щиток приборов автомобиля ГАЗ-3308
Щиток приборов автомобиля ГАЗ-33081
Инструмент водителя
Шанцевый инструмент и приспособления
Коробка отбора мощности на лебедку
Установка лебедки, вал карданный лебедки
Лебедка с редукторм
Управление лебедкой
Подвеска кабины, крышки люка пола
Стекла и уплотнители ветрового окна и окна задка, коврики пола
Термошумоизоляция и обивка кабины
Стеклоочиститель и привод, омыватель ветрового стекла
Панель приборов
Двери, обтвка, навеска, уплотнители, подлокотники
Окно двери и механизм перемещения стекла двери
Замки и ручки дверей
Сиденье водителя и сиденье переднее
Крепление передних сидений и механизм регулирования
Радиатор отопителя, вентилятор и электродвигатель отопителя
Отопитель, обогрев ветрового стекла и боковых стекол, воздухопроводы
Вентиляция кабины, управление вентиляцией и отоплением кабины, трубопроводы
Зеркало заднего вида, козырек противосолнечный, крепление ремней безопасности
Решетка облицовки радиатора, капот, подножки
Облицовка радиатора, крылья, панели боковины
Замок капота, навеска капота
Платформа, детали крепления платформы, тент с окнами
Решетки боковых бортов с сиденьями, борт передний надставной, дуги тента...
Детали решеток боковых бортов и переднего надставного борта
Платформа, панели пола, борт задний
Платформа, крепление настила пола
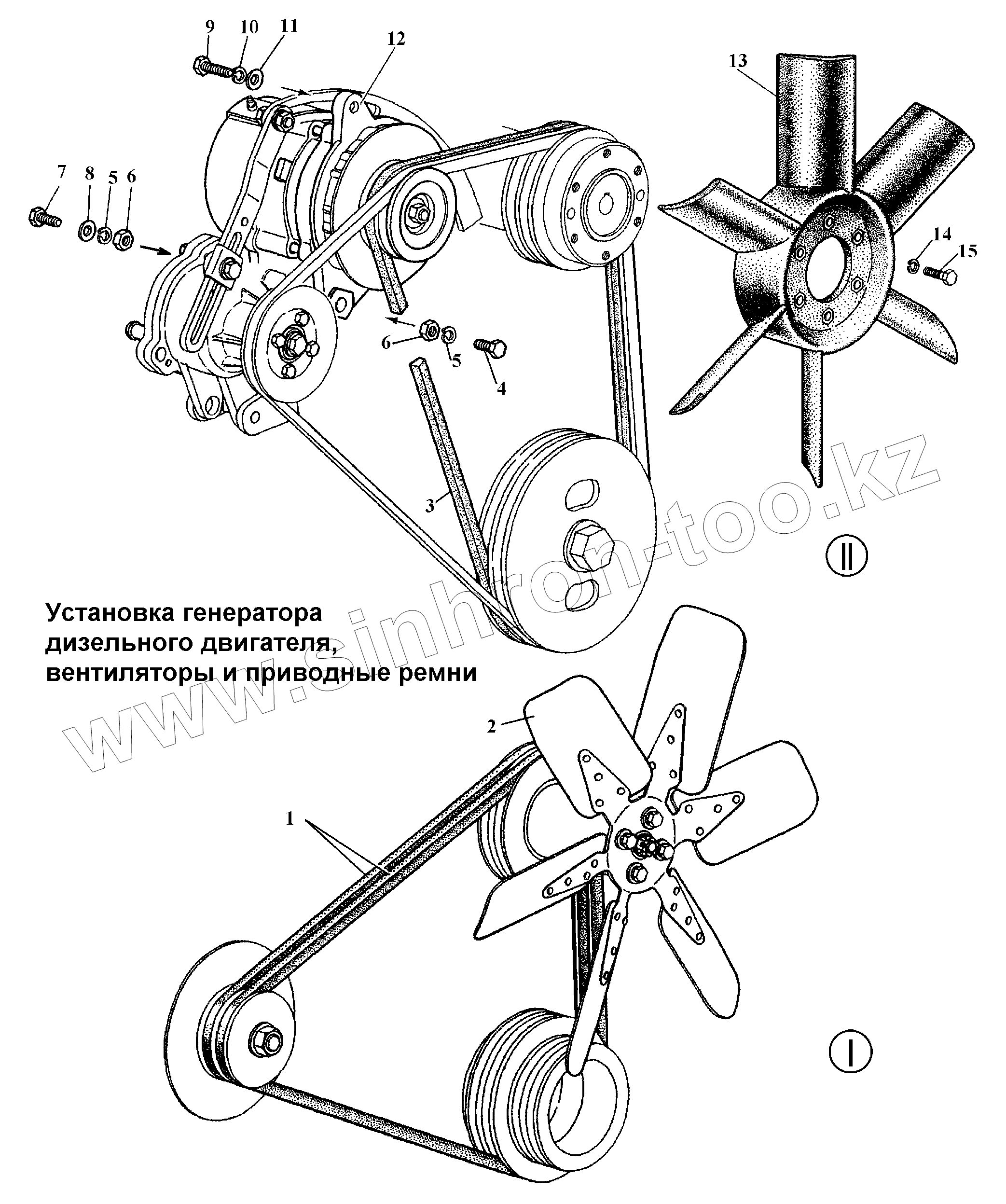
1
2
3
4
5
5
6
6
7
9
10
11
12
13
14
15
Позиция на иллюстрации
Заводской номер детали
Название детали
1
66-1308019
Ремень привода вентилятора (комплект)
2
66-06-1308010
Вентилятор в сборе
3
33081-1308021
Ремень 1-11х10-1250 ГОСТ 5813-93
4
201501-П29
Болт М10-6gх35 ОСТ 37.001.123-96
5
252156-П2
Шайба 10Л ОСТ 37.001.115-75
6
250612-П29
Гайка М10-6Н ОСТ 37.001.124-93
7
200320-П29
Болт М10-6gх55 ОСТ 37.001.122-96
9
201458-П29
Болт М8-6gх25 ОСТ 37.001.123-96
10
252135-П2
Шайба 8Т ОСТ 37.001.115-75
11
252038-П29
Шайба 8 ОСТ 37.001.144-96
12
5101.3701-01
Генератор (51.3701000-01)
13
245-1308010
Вентилятор
14
4799166022
Шайба 8
15
4793671008
Болт М8х25
Содержащиеся в справочниках-каталогах запасные части и детали не предлагаются к продаже, а носят исключительно информационный характер
Дополнительная информация
×
Название:
Номер:
Примечание: