Вернуться на главную
Поиск
Каталоги запчастей к технике
Грузовые автомобили и прицепы
ГАЗ
ГАЗ-33081
33081-1301003. Установка радиатора
Каталог запасных частей к технике: ГАЗ-33081. 33081-1301003. Установка радиатора
zoom-in
zoom-out
enlarge
shrink
circle-right
circle-left
file-text2
info
cart
Тип техники
Не выбрано
Легковые автомобили
Грузовые автомобили и прицепы
Автобусы
Сельхозтехника
Спецтехника
Двигатели
Мототехника
Марка
Не выбрано
BAW
DAF
DongFeng
FAW
Foton
HOWO
Hyundai
IVECO
JAC Motors
LGMG
MAN
Shaanxi
SITRAK
Studebaker
Tata
Volvo
Автокомпонент Плюс
БелАЗ
Брянский Арсенал
ГАЗ
ЗИЛ
КАЗ
Камский автозавод
КрАЗ
Мадара
МАЗ
МЗКТ
МоАЗ
Нефтекамский автозавод
Ставропольский Завод АвтоПрицепов
ТАТРА
Тонар
УралАЗ
ЧМЗАП
Модель
Не выбрано
ГАЗ-3306 (1994)
ГАЗ-3307 (2000)
ГАЗ-3307 (доп. с дв. ЗМЗ Е 3) (2009)
ГАЗ-3308 (2000)
ГАЗ-3308 (2002)
ГАЗ-3308 (доп. с дв. ЗМЗ Е 3) (2009)
ГАЗ-33081 (2008)
ГАЗ-3309
ГАЗ-3309 (доп. с дв. ЗМЗ Е 3) (2009)
ГАЗ-3309 (Евро 2) (2008)
ГАЗ-33104 Валдай (2006)
ГАЗ-33104 Валдай Евро 3 (2008)
ГАЗ-33106 Евро 3 (2015)
ГАЗ-4301
ГАЗ-51 (63, 63А) (1956)
ГАЗ-51 (63, 93) (1960)
ГАЗ-52-01
ГАЗ-52-02
ГАЗ-53 А (1989)
ГАЗ-5312 (2002)
ГАЗ-66 (Каталог 1983 г.) (1983)
ГАЗ-66 (Каталог 1996 г.) (1996)
ГАЗ-ММ "Полуторка" (1949)
ГАЗон NEXT C41R13-60 (2021)
Схема
>
Не выбрано
33081-1000250-50. Двигатель полностью укомплектованный
33081-1000252-40. Двигатель полностью укомплектованный
33081-1000252-50. Двигатель полностью укомплектованный
33081-1000252-90. Двигатель полностью укомплектованный
33081-1000252-100. Двигатель полностью укомплектованный
33081-1000252-110. Двигатель полностью укомплектованный
33081-1001001-10. Установка подушек подвески двигателя
33081-1001004. Установка опор двигателя
33081-1013001-20. Установка шлангов
33081-1013001-30. Установка шлангов
3309-1013001-10. Установка шлангов
33081-1015001-10. Установка пускового подогревательного устройства
33081-1015002. Установка пускового подогревательного устройства
33081-1015003. Установка пускового подогревательного устройства
33081-1015450. Бачок топливный с пробкой
33081-1101001-40. Установка топливного бака
33097-1101001. Установка топливного бака
33104-1101010. Бак топливный
4301-1101010-02. Бак топливный
33081-1104001. Установка топливопроводов
33078-1105001. Установка фильтра грубой очистки топлива
33081-1108001-20. Установка деталей акселератора
33081-1108002. Установка деталей акселератора
3309-1108002. Установка деталей акселератора
33081-1108004-10. Установка деталей акселератора
3309-1108004-10. Установка деталей акселератора
33081-1108005-10. Установка тяги останова и тяги ручного управления
3309-1108005. Установка тяги ручного управления
33081-1108008. Педаль акселератора
33081-1108029. Валик акселератора с кронштейном
33081-1109001. Установка воздуховодов воздушного фильтра
33081-1109001-10. Установка воздуховодов воздушного фильтра
3309-1109002. Установка резонатора воздушного фильтра
4301-1109002. Установка воздуховодов воздушного фильтра
33081-1109003. Установка воздушного фильтра
3309-1109003. Установка воздушного фильтра
33081-1109010. Фильтр воздушный
3309-1109010-10. Фильтр воздушный
33081-1172001. Установка трубопроводов системы наддува
33081-1172003. Установка охладителя наддува
33081-1200001-70. Установка системы выпуска газов
33081-1200001-71. Установка системы выпуска газов
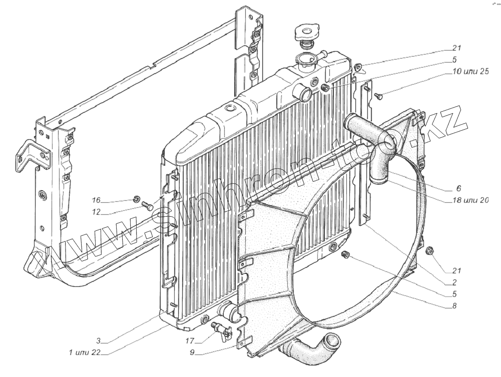
33081-1301003. Установка радиатора
330701-1302001. Установка буферов отдачи
33081-1302003. Установка рамки с радиатором
3308-1311003-10. Установка расширительного бачка
4301-1601180. Муфта с вилкой
3306-1602001. Установка привода сцепления и тормоза на автомобиле
3309-1602001. Установка привода управления сцеплением
33078-1602002. Установка привода сцепления и тормоза
3309-1602002. Установка привода сцепления
3302-1602290. Цилиндр главный привода сцепления
66-11-1602300. Цилиндр главный привода сцепления
3307-1602408. Кронштейн с педалями сцепления и тормоза
3309-1602408. Кронштейн с педалью сцепления
4301-1602510. Цилиндр привода сцепления
3309-1700001. Установка рычага коробки передач
33081-1700004. Коробка передач с картером и механизмом управления сцепления
33081-1700004-10. Коробка передач с коробкой отбора мощности с картером и механизмом управления сцепления
33081-1700007. Установка коробки передач на двигатель
33081-1700007-10. Установка коробки передач на двигатель
33081-1700010. Коробка передач
33081-1700010-10. Коробка передач
33081-1700195. Коробка передач с коробкой отбора мощности
3309-1701022. Вал первичный с крышкой
3309-1701023. Вал первичный коробки передач
3309-1701039. Крышка первичного вала коробки передач
3309-1701100. Вал вторичный коробки передач
3309-1701121. Синхронизатор 4 и 5 передач
3309-1701123. Синхронизатор
3309-1701180. Подшипник вторичного вала на втулке
3309-1702023. Шток переключения 1-й передачи и заднего хода с головкой
3309-1702055. Шток переключения 2-й и 3-й передач с головкой
33097-1800001. Установка механизма управления раздаточной коробкой
33081-1800006. Коробка раздаточная с тормозом и шпильками
33081-1800006-20. Коробка раздаточная с тормозом и шпильками
33081-1800006-50. Коробка раздаточная с тормозом и шпильками
33097-1800008. Установка раздаточной коробки
33081-1800010. Коробка раздаточная и стояночный тормоз
33081-1800010-20. Коробка раздаточная и стояночный тормоз
33081-1800010-50. Коробка раздаточная и стояночный тормоз
33081-1800013. Коробка раздаточная
33081-1800013-20. Коробка раздаточная
33081-1800013-50. Коробка раздаточная
66-40-1802027. Крышка подшипника первичного вала
66-40-1802055. Вал вторичный
66-40-1802065. Крышка подшипника вторичного вала
66-40-1802117. Крышка подшипника вала привода переднего моста
33097-1803008. Кронштейн рычагов переключения раздаточной коробки
33081-2200001-10. Установка карданных валов
33081-2201010-10. Вал карданный
3102-2201026. Крестовина карданного вала с манжетами
33078-2201026. Крестовина кардана с сальниками
69-2201026-Б2. Крестовина карданного вала
33081-2202010. Вал карданный промежуточный
33081-2300012-20. Мост передний ведущий с тормозами и ступицами
33081-2300012-50. Мост передний ведущий с тормозами и ступицами
33081-2300012-70. Мост передний ведущий с тормозами и ступицами
33081-2300012-90. Мост передний ведущий с тормозами и ступицами
33081-2302010. Редуктор переднего моста
33081-2302010-30. Редуктор переднего моста
33081-2302014. Шестерня ведущая с подшипниками
66-40-2304010. Кулак поворотный без шарнира-правый
66-40-2304011. Кулак поворотный без шарнира-левый
66-02-2304080. Цапфа
33081-2400012-20. Мост задний с тормозами и ступицами
33081-2400012-50. Мост задний с тормозами и ступицами
33081-2400012-70. Мост задний ведущий с тормозами и ступицами
66-02-2401067. Цапфа заднего моста
33081-2402010. Редуктор заднего моста
33081-2402010-20. Редуктор заднего моста
3306-2402014. Шестерня ведущая главной передачи с подшипниками
3306-2402016. Шестерня ведущая главной передачи с подшипником
53-2402050-Б. Крышка передняя с манжетой
3306-2403010. Дифференциал заднего моста
33081-2403200. Дифференциал с ведомой шестерней
66-01-2403204-01. Дифференциал
33081-4202001. Установка упора рычага коробки отбора мощности
33081-4202010. Коробка отбора мощности
66-40-4202084. Крышка коробки отбора мощности с манжетой
66-01-4224202. Кран воздушный
3308-4501001. Установка лебедки
3308-4501010. Лебедка с редуктором
33081-4502001. Установка карданных валов привода лебедки
33081-4502010. Вал карданный лебедки
3308-4502045. Кардан промежуточный
33081-4502104. Вал карданный лебедки с фланцем
33081-4502105. Вал карданный лебедки с фланцем
33081-4502110. Вал промежуточный лебедки
33081-4502145. Кардан промежуточный
33081-4502205. Опора промежуточная
3308-4505001. Установка блока лебедки
33081-3701004. Установка генератора
33081-3703001-20. Установка аккумуляторных батарей
4301-3703001-10. Установка аккумуляторной батареи
3308-3704002. Установка выключателя зажигания
33097-3711003. Установка осветительной и светосигнальной аппаратуры
3309-3712002-10. Установка передних габаритных фонарей
3306-3714002. Установка внутреннего освещения
33081-3714002. Установка внутреннего освещения
33081-3716001-50. Установка задних фонарей
33081-3716001-60. Установка задних фонарей
3309-3718005. Установка корректора света фар
33081-3721003-10. Установка звуковых сигналов
33081-3724001-40. Установка проводов
33081-3724001-57. Установка проводов
33081-3724001-143. Установка проводов
33081-3724002. Установка проводов
33081-3724002-43. Установка проводов
33081-3724002-57. Установка проводов
33081-3724003. Установка проводов
33081-3724003-10. Установка проводов
3307-3737002. Установка выключателя батареи
3309-3747002-20. Установка реле свечей
33081-3805010-30. Щиток приборов
33081-3805010-50. Щиток приборов
33081-3805010-60. Щиток приборов
3307-3827001. Установка датчиков уровня топлива и перегрева воды в радиаторе
33081-3829004. Установка датчиков
33081-3829004-10. Установка датчиков
33081-3839001. Установка датчика засоренности воздушного фильтра
33081-3862001. Установка датчиков АБС
33081-3862001-10. Установка датчиков АБС
33081-3862002. Установка блока управления и предохранителей АБС
33086-3862002. Установка блока управления и предохранителей АБС
33081-3862005. Установка жгута АБС 130
1
2
3
5
5
6
8
9
10
12
16
17
18
20
21
21
22
25
Позиция на иллюстрации
Заводской номер детали
Название детали
1
3307-1301010-31
Радиатор водяной
2
33081-1309032
Пластина правая
3
33081-1309033
Пластина левая
5
296563-П29
Пробка КГ3/8"
6
33081-1303010
Шланг
8
33081-1309011
Кожух вентилятора
9
33081-1309222
Уплотнитель
10
201417-П29
Болт М6-6gх14 ОСТ 37.001.123-96
12
201456-П29
Болт М8-6gх20 ОСТ 37.001.123-96
16
252135-П2
Шайба 8Т ОСТ 37.001.115-75
17
Г-21Ю-1305010-А
Краник
18
4531149912
Хомут 40-60
20
4531149911
Хомут 40-56
21
4599531818
Гайка М6
22
121.1301010-10
Радиатор
25
290529-71
Болт
Содержащиеся в справочниках-каталогах запасные части и детали не предлагаются к продаже, а носят исключительно информационный характер
Дополнительная информация
×
Название:
Номер:
Примечание: