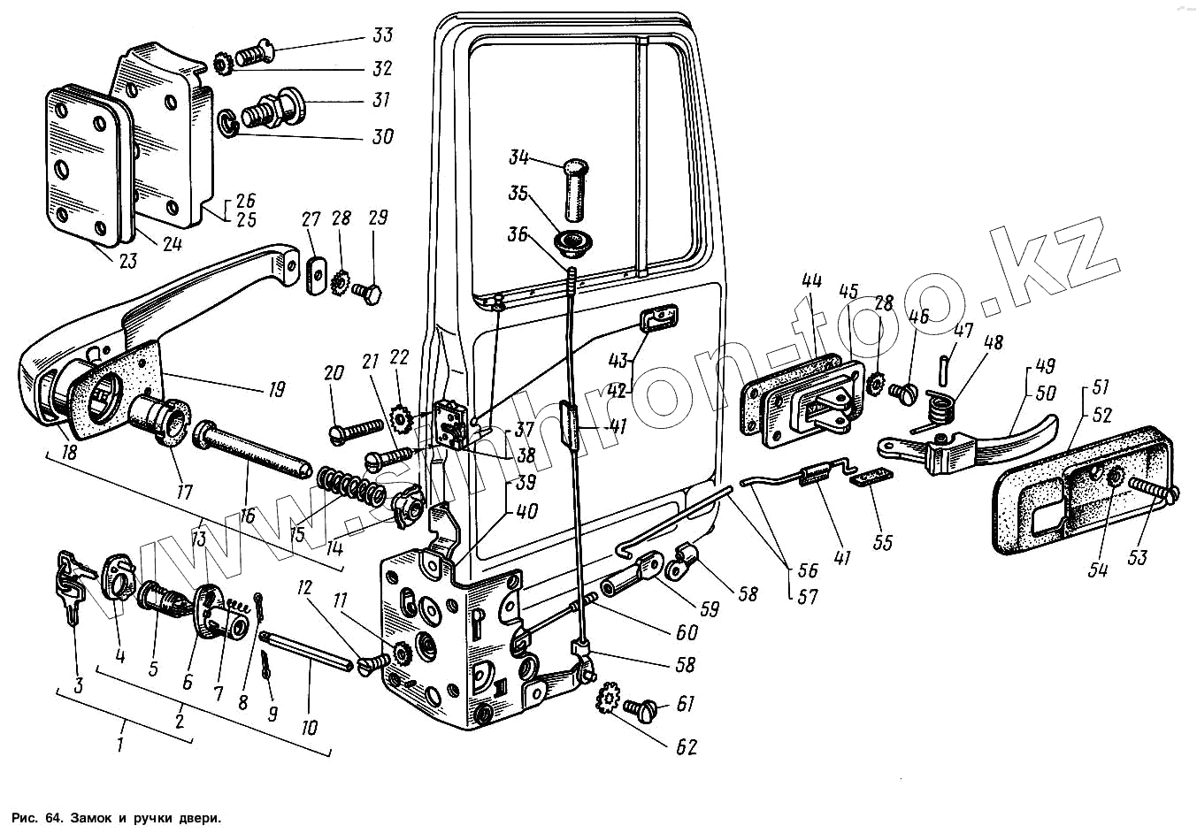
Каталог запасных частей к технике: ГАЗ-3307. Замок и ручки двери
1
2
3
4
5
6
7
8
9
10
11
12
13
14
15
16
17
18
19
20
21
22
23
24
25
26
27
28
28
28
29
30
31
32
33
34
35
36
37
38
39
40
41
41
42
43
44
44
45
45
46
47
48
48
49
50
51
52
53
54
55
56
57
58
58
59
60
61
62
| Позиция на иллюстрации | Заводской номер детали | Название детали | |
|---|---|---|---|
| 1 | 4301-6105080 | Выключатель замка двери с ключами | |
| 2 | 4301-6105090 | Выключатель замка двери | |
| 3 | 3102-6105548 | Ключи замка двери с кольцом | |
| 4 | 4301-6105432 | Заслонка выключателя замка двери | |
| 5 | 4301-6105420 | Цилиндр выключателя замка двери в сборе | |
| 6 | 4301-6105122 | Корпус выключателя | |
| 7 | 24-6105434 | Пружина заслонки | |
| 8 | 258000-П29 | Шплинт 1,6х10 ОСТ 37.001.171-93 | |
| 9 | 258002-П29 | Шплинт 1,5х16 | |
| 10 | 24-02-6305134 | Стержень выключателя | |
| 11 | 252263-П29 | Шайба 2-6 ОСТ 37.001.147-75 | |
| 12 | 221603-П29 | Винт М6-6gх12 ОСТ 37.001.125-81 | |
| 13 | 4301-6105150 | Ручка двери наружная в сборе | |
| 14 | 4301-6105294 | Направляющая кнопки наружной ручки двери | |
| 15 | 21-6105290-Б | Пружина кнопки | |
| 16 | 4301-6105304 | Толкатель кнопки наружной ручки двери | |
| 17 | 4301-6105286 | Кнопка наружной ручки двери | |
| 18 | 4301-6105152 | Ручка двери наружная | |
| 19 | 4301-6105270 | Прокладка ручки двери большая | |
| 20 | 224631-П29 | Винт М6-6gх30 ОСТ 37.001.130-81 | |
| 21 | 222503-П29 | Винт М5-6gх22 ОСТ 37.001.128-96 | |
| 22 | 252274-П29 | Шайба 6 ОСТ 37.001.146-75 | |
| 23 | 4301-6106220 | Прокладка регулировочная | |
| 24 | 4301-6106222 | Прокладка регулировочная | |
| 25 | 4301-6106110 | Фиксатор замка двери правый | |
| 26 | 4301-6106111 | Фиксатор замка двери левый | |
| 27 | 4301-6105274 | Прокладка ручки двери малая | |
| 28 | 252273-П29 | Шайба 5 ОСТ 37.001.146-75 | |
| 28 | 252273-П29 | Шайба 5 ОСТ 37.001.146-75 | |
| 29 | 290377-П29 | Болт М5-6gх9 | |
| 30 | 252156-П2 | Шайба 10Л ОСТ 37.001.115-75 | |
| 31 | 4301-6106114 | Шип фиксатора | |
| 32 | 252214-П29 | Шайба 6 | |
| 33 | 221607-П29 | Винт М6-6gх20 | |
| 34 | 4301-6105074 | Наконечник тяги выключения замка двери | |
| 35 | 4301-6105444 | Втулка наконечника тяги выключения замка | |
| 36 | 4301-6105070 | Тяга выключения замка двери | |
| 37 | 4301-6105484 | Механизм запорный замка правый | |
| 38 | 4301-6105485 | Механизм запорный замка левый | |
| 39 | 4301-6105486 | Механизм рычажный замка правый | |
| 40 | 4301-6105487 | Механизм рычажный замка левый | |
| 41 | 24-6105101 | Чехол тяги | |
| 42 | 4301-6105082 | Привод замка двери внутренний правый | |
| 43 | 4301-6105083 | Привод замка двери внутренний левый | |
| 44 | 31011-6105184 | Прокладка привода замка | |
| 44 | 31011-6105184 | Прокладка привода замка | |
| 45 | 31011-6105086 | Основание привода замка двери | |
| 45 | 31011-6105086 | Основание привода замка двери | |
| 46 | 224597-П29 | Винт М5-6gх10 ОСТ 37.001.130-81 | |
| 47 | 45 9841 1360 | Штифт 4х20 | |
| 48 | 31011-6105098 | Пружина привода | |
| 48 | 31011-6105098 | Пружина привода | |
| 49 | 4301-6105182 | Ручка внутреннего привода правая | |
| 50 | 4301-6105183 | Ручка внутреннего привода левая | |
| 51 | 4301-6105188 | Розетка внутреннего привода правая | |
| 52 | 4301-6105189 | Розетка внутреннего привода левая | |
| 53 | 223044-П29 | Винт М5-6gх25 ОСТ 37.001.126-81 | |
| 54 | 252262-П29 | Шайба 2-5 ОСТ 37.001.147-75 | |
| 55 | 23А-5303270 | Зажим тяги | |
| 56 | 4301-6105102 | Тяга привода замка двери правая | |
| 57 | 4301-6105103 | Тяга привода замка двери левая | |
| 58 | 14-8109266 | Держатель тяги | |
| 59 | 31011-6105402 | Втулка регулировочная | |
| 60 | 3102-6105104 | Тяга привода замка | |
| 61 | 224622-П29 | Винт М6-6gх10 ОСТ 37.001.130-81 | |
| 62 | 293226-П29 | Шайба 6,5 |
Содержащиеся в справочниках-каталогах запасные части и детали не предлагаются к продаже, а носят исключительно информационный характер