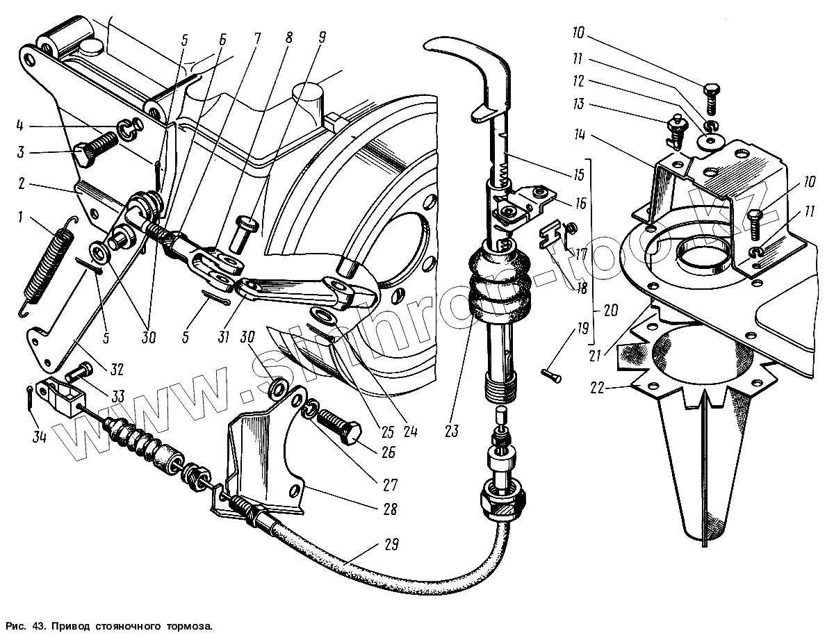
Каталог запасных частей к технике: ГАЗ-3307. Привод стояночного тормоза
1
2
3
4
5
5
5
6
7
8
9
10
10
11
11
12
13
14
15
16
17
18
19
20
21
22
23
24
25
26
27
28
29
30
30
31
32
33
34
| Позиция на иллюстрации | Заводской номер детали | Название детали | |
|---|---|---|---|
| 1 | 11-7547 | Пружина оттяжная | |
| 2 | 3307-3508114 | Кронштейн с пальцем в сборе | |
| 3 | 201540-П29 | Болт М12-6gх30 ОСТ 37.001.123-96 | |
| 4 | 252137-П2 | Шайба 12.ОТ ОСТ 37.001.115-75 | |
| 5 | 258038-П29 | Шплинт 3,2х16 ОСТ 37.001.171-93 | |
| 6 | 3307-3508043 | Тяга | |
| 7 | 250612-П29 | Гайка М10-6Н ОСТ 37.001.124-93 | |
| 8 | 63Ю-3508045 | Вилка | |
| 9 | 260057-П29 | Палец 10х28 ОСТ 37.001.163-97 | |
| 10 | 290513-П29 | Болт М8-6gх20 | |
| 11 | 252134-П2 | Шайба 6Т ОСТ 37.001.115-75 | |
| 12 | 252037-П29 | Шайба 6 ОСТ 37.001.144-96 | |
| 13 | ВК409 | Выключатель лампы стояночного тормоза (ВК409.3710000) | |
| 14 | 3307-3508093 | Кронштейн | |
| 15 | 3307-3508015 | Стержень с рукояткой в сборе | |
| 16 | 3307-3508047 | Кожух с гайками в сборе | |
| 17 | 21-3508036 | Пружина собачки | |
| 18 | 21Ю-3508030 | Собачка | |
| 19 | 21-3508057 | Штифт | |
| 20 | 3307-3508014 | Стержень с кожухом в сборе | |
| 21 | 3307-3508238 | Крышка | |
| 22 | 3307-3508234 | Чехол | |
| 23 | 51-3505065 | Колпак защитный | |
| 24 | 252016-П29 | Шайба 14 ОСТ 37.001.144-96 | |
| 25 | 258053-П29 | Шплинт 4х25 | |
| 26 | 201499-П29 | Болт М10-6gх30 ОСТ 37.001.123-96 | |
| 27 | 252136-П2 | Шайба 10 ОТ ОСТ 37.001.115-75 | |
| 28 | 3307-3508130 | Кронштейн | |
| 29 | 3307-3508181 | Трос с оболочкой в сборе | |
| 30 | 293300-П29 | Шайба 10,5 | |
| 31 | 53-12-3508050 | Рычаг | |
| 32 | 3307-3508101 | Рычаг с усилителями в сборе | |
| 33 | 260011-П29 | Палец 6х18 | |
| 34 | 258023-П29 | Шплинт 2,5х12 ОСТ 37.001.171-93 |
Содержащиеся в справочниках-каталогах запасные части и детали не предлагаются к продаже, а носят исключительно информационный характер