Вернуться на главную
Поиск
Каталоги запчастей к технике
Грузовые автомобили и прицепы
ГАЗ
ГАЗ-3307
Подвеска двигателя
Каталог запасных частей к технике: ГАЗ-3307. Подвеска двигателя
zoom-in
zoom-out
enlarge
shrink
circle-right
circle-left
file-text2
info
cart
Тип техники
Не выбрано
Легковые автомобили
Грузовые автомобили и прицепы
Автобусы
Сельхозтехника
Спецтехника
Двигатели
Мототехника
Марка
Не выбрано
BAW
DAF
DongFeng
FAW
Foton
HOWO
Hyundai
IVECO
JAC Motors
LGMG
MAN
Shaanxi
SITRAK
Studebaker
Tata
Volvo
Автокомпонент Плюс
БелАЗ
Брянский Арсенал
ГАЗ
ЗИЛ
КАЗ
Камский автозавод
КрАЗ
Мадара
МАЗ
МЗКТ
МоАЗ
Нефтекамский автозавод
Ставропольский Завод АвтоПрицепов
ТАТРА
Тонар
УралАЗ
ЧМЗАП
Модель
Не выбрано
ГАЗ-3306 (1994)
ГАЗ-3307 (2000)
ГАЗ-3307 (доп. с дв. ЗМЗ Е 3) (2009)
ГАЗ-3308 (2000)
ГАЗ-3308 (2002)
ГАЗ-3308 (доп. с дв. ЗМЗ Е 3) (2009)
ГАЗ-33081 (2008)
ГАЗ-3309
ГАЗ-3309 (доп. с дв. ЗМЗ Е 3) (2009)
ГАЗ-3309 (Евро 2) (2008)
ГАЗ-33104 Валдай (2006)
ГАЗ-33104 Валдай Евро 3 (2008)
ГАЗ-33106 Евро 3 (2015)
ГАЗ-4301
ГАЗ-51 (63, 63А) (1956)
ГАЗ-51 (63, 93) (1960)
ГАЗ-52-01
ГАЗ-52-02
ГАЗ-53 А (1989)
ГАЗ-5312 (2002)
ГАЗ-66 (Каталог 1983 г.) (1983)
ГАЗ-66 (Каталог 1996 г.) (1996)
ГАЗ-ММ "Полуторка" (1949)
ГАЗон NEXT C41R13-60 (2021)
Схема
>
Не выбрано
Подвеска кабины, кожух пола
Коврики пола, стекло и уплотнитель ветрового окна, передок и окно задка
Термошумоизоляция основания пола, обивка передка, термошумоизоляция передка, обивка задка
Стеклоочиститель и привод
Панель приборов
Дверь, обивка, навеска, уплотнители, подлокотник двери
Окно двери и механизм перемещения стекла двери
Замок и ручки двери
Механизм регулирования положения сиденья водителя, амортизатор сиденья
Основание переднего сиденья, подушка и спинка сиденья водителя и переднего сиденья
Радиатор отопителя, вентилятор и электродвигатель отопителя
Отопитель, обогрев ветрового стекла, обогрев боковых стекол, воздухопроводы
Вентиляция кабины, крепление отопителя, управление вентиляцией и отопителем кабины, воздуховоды
Зеркало заднего вида, держатели, поручни и крючки для одежды, козырек противосолнечный, крепление ремней безопасности
Облицовка радиатора, капот, крыло переднее, подножки
Замок и привод замка капота, навеска капота
Платформа
Платформа
Двигатель в сборе (графически не отображен)
Подвеска двигателя
Блок и головка цилиндров
Коленчатый вал, поршни и шатуны
Вал распределительный, клапаны и толкатели клапанов
Газопровод
Картер масляный, приемник масляного насоса, насос масляный и привод распределителя зажигания
Радиатор масляный и фильтр тонкой очистки масла
Вентиляция картера и фильтр воздушный
Устройство пусковое подогревательное
Устройство пусковое подогревательное
Бак топливный и пробка топливного бака
Трубопроводы топливные, бак топливный, фильтр грубой очистки топлива, насос топливный и фильтр тонкой очистки топлива
Насос топливный и регулятор частоты вращения коленчатого вала двигателя
Карбюратор
Карбюратор
Акселератор (управление подачей топлива)
Акселератор (управление подачей топлива)
Глушитель
Радиатор, подвеска радиатора, трубопроводы и шланги
Насос водяной, вентилятор и его привод
Сцепление
Механизм и привод управления сцеплением
Коробка передач
Механизм переключения передач
Карданные и промежуточные валы
Мост задний
Мост задний
Рама в сборе, брызговик, бампер передний, прибор буксирный и устройство буксирное переднее
Рессора передняя
Амортизатор передней подвески
Рессора задняя
Ось передняя, кулаки поворотные и тяги рулевые
Колеса, держатель запасного колеса
Управление рулевое
Управление рулевое
Тормоза рабочие передние, барабаны тормозные и ступицы передних колес
Тормоза рабочие задние и барабаны тормозные и ступицы задних колес
Педаль и привод механизма управления тормозами
Цилиндр главный тормозов
Трубопроводы гидротормозов и трубопроводы гидровакуумного усилителя тормозов
Тормоз стояночный
Привод стояночного тормоза
Баллоны, сигнализация аварийная прекращения действия тормозов, фильтр воздушный гидровакуумного усилителя тормозов
Усилитель гидровакуумный тормозов и клапан управления гидровакуумным усилителем тормозов
Генератор
Батарея аккумуляторная
Катушка зажигания, датчик-распределитель, свечи и провода зажигания
Стартер
Фары, фонари передние
Фонари задние, розетка штепсельная прицепа
Электропровода
Приборы электрооборудования
Датчик-распределитель
Щиток приборов
Инструмент водителя, приспособления и принадлежности
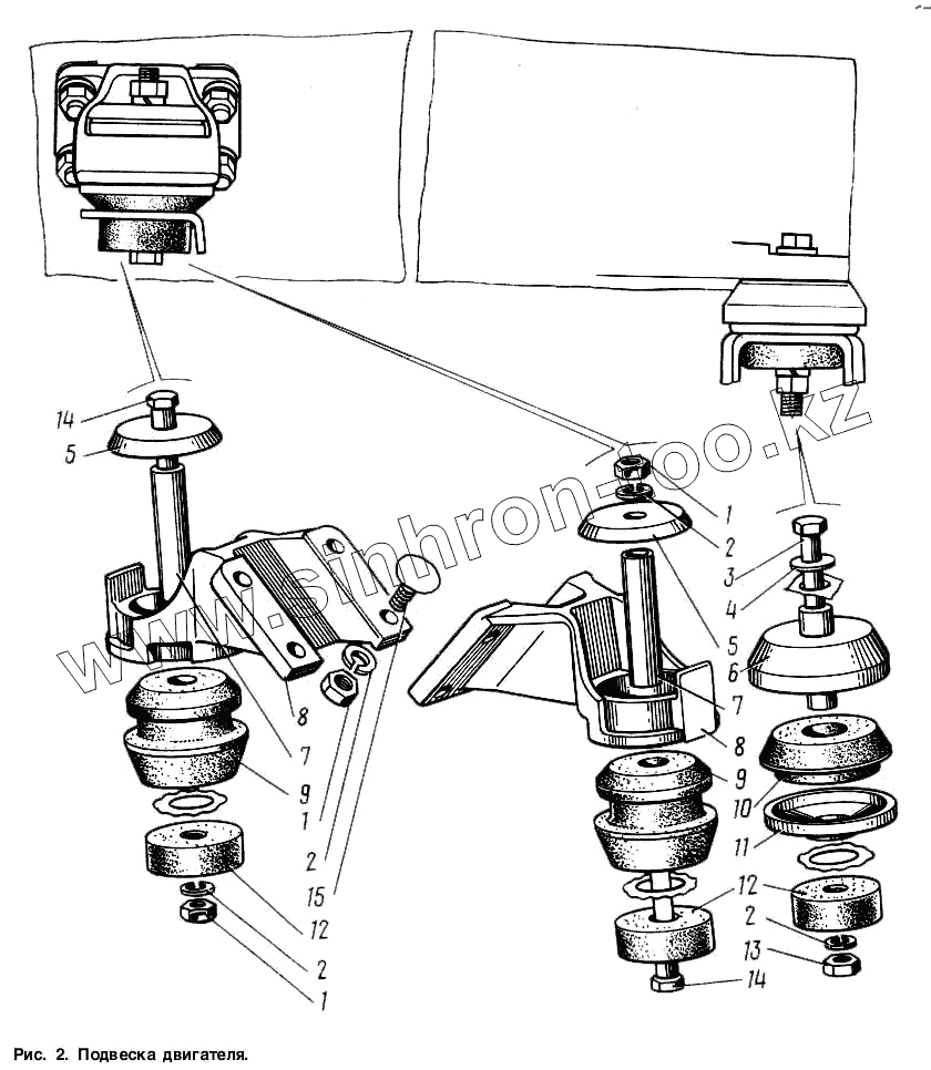
1
1
1
2
2
2
2
3
4
5
5
6
7
7
8
8
9
9
10
11
12
12
13
14
14
15
Позиция на иллюстрации
Заводской номер детали
Название детали
53-12-1001012
53-12-1001012
Кронштейн опоры двигателя с подушкой в сборе (для запасных чатей)
1
250507-П29
Гайка М12х1,25-6Н
1
250507-П29
Гайка М12х1,25-6Н
2
252137-П2
Шайба 12.ОТ ОСТ 37.001.115-75
2
252137-П2
Шайба 12.ОТ ОСТ 37.001.115-75
3
200378-П29
Болт М12-6gх95
4
293368-П29
Шайба 12,5
5
4301-1001062
Шайба 12,5
6
53А-1001052-20
Пластина со втулкой в сборе
7
4301-1001054
Втулка
8
53-12-1001014
Кронштейн левый
9
53-12-1001020
Подушка в сборе
10
53А-1001050-21
Подушка
11
53А-1001065-20
Обойма
12
53А-1001044
Подушка в сборе
13
250506-П29
Гайка М12-4Н5Н
14
45 9326 1148
Болт М12х1,25-6gх110
15
291847-П2
Шпилька М12х1,25-4hх32
Содержащиеся в справочниках-каталогах запасные части и детали не предлагаются к продаже, а носят исключительно информационный характер
Дополнительная информация
×
Название:
Номер:
Примечание: