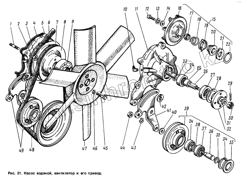
Каталог запасных частей к технике: ГАЗ-3307. Насос водяной, вентилятор и его привод
1
2
3
4
5
6
7
8
9
10
11
12
13
14
15
16
17
18
19
20
21
22
23
24
24
24
24
24
25
26
27
27
28
29
30
31
32
33
34
35
36
37
37
38
39
40
41
42
43
44
45
46
47
48
49
| Позиция на иллюстрации | Заводской номер детали | Название детали | |
|---|---|---|---|
| 1 | 291747-П8 | Шпилька М8х1-4hх22 | |
| 2 | 252155-П2 | Шайба 8Л ОСТ 37.001.115-75 | |
| 3 | 250503-П8 | Гайка М8х1-4Н5Н | |
| 4 | 66-1307048-Б | Прокладка водяного насоса | |
| 5 | 66-1307010-Б | Насос водяной в сборе | |
| 6 | 321-1110227 | Ремень привода насоса усилителя 1-8.5х8-833 | |
| 7 | 53-1307055 | Шкив привода водяного насоса задний | |
| 8 | 66-1308025-В | Шкив привода вентилятора передний | |
| 9 | 53-1308032 | Кольцо распорное вентилятора | |
| 10 | 264030-П8 | Пресс-масленка 2.3.45.Ц6 | |
| 11 | 66-1307015-Б | Корпус водяного насоса | |
| 12 | 201238-П8 | Болт М8-4hх14 | |
| 13 | 252175-П8 | Шайба 8 | |
| 14 | 293277-П8 | Шайба 8 | |
| 15 | 13-1307017-А | Крыльчатка и сальник водяного насоса в сборе | |
| 16 | 13-1307032-Б | Крыльчатка в сборе | |
| 17 | 11-8528-Б | Кольцо | |
| 18 | 12-1307034-А2 | Пружина | |
| 19 | 13-1307052 | Обойма сальника | |
| 20 | 11-8515-А3 | Манжета | |
| 21 | 24-1307041-01 | Шайба | |
| 22 | 12-1307042 | Кольцо стопорное | |
| 23 | 53-1307029 | Кольцо стопорное | |
| 24 | 14-1307082-20 | Подшипник 20703-К ГОСТ 520-71 | |
| 24 | 14-1307082-20 | Подшипник 20703-К ГОСТ 520-71 | |
| 24 | 14-1307082-20 | Подшипник 20703-К ГОСТ 520-71 | |
| 24 | 14-1307082-20 | Подшипник 20703-К ГОСТ 520-71 | |
| 25 | 66-1307025 | Втулка распорная | |
| 26 | 13-1307023-Б | Валик водяного насоса | |
| 27 | 20803-КУ | Подшипник водяного насоса передний | |
| 27 | 20803-КУ | Подшипник водяного насоса передний | |
| 28 | 66-1307028 | Кольцо стопорное | |
| 29 | 258038-П | Шплинт 2,7х15 | |
| 30 | 250976-П29 | Гайка М10х1-6Н | |
| 31 | 293300-П8 | Шайба 10 | |
| 32 | 13-1307024 | Ступица водяного насоса | |
| 33 | 53-1308091-Б | Крышка | |
| 34 | 321-3728634 | Кольцо стопорное подшипников | |
| 35 | 12-1307029 | Кольцо стопорное подшипника | |
| 36 | 53-1308087-Б | Ось натяжного ролика | |
| 37 | 203 | Подшипник передний в сборе | |
| 37 | 203 | Подшипник передний в сборе | |
| 38 | 41-1307074 | Шайба распорная подшипников натяжного ролика | |
| 39 | 53-1308080-12 | Ролик натяжной в сборе | |
| 40 | 252007-П29 | Шайба 12 ОСТ 37.001.144-96 | |
| 41 | 53-1308079-22 | Кронштейн натяжного ролика в сборе | |
| 42 | 252039-П29 | Шайба 10 ОСТ 37.001.144-96 | |
| 43 | 252156-П2 | Шайба 10Л ОСТ 37.001.115-75 | |
| 44 | 250612-П29 | Гайка М10-6Н ОСТ 37.001.124-93 | |
| 45 | 201464-П29 | Болт М8-6gх40 | |
| 46 | 252135-П2 | Шайба 8Т ОСТ 37.001.115-75 | |
| 47 | 3307-1308010 | Вентилятор в сборе | |
| 48 | 53-1308020 | Ремень привода водяного насоса | |
| 49 | 53-1308067-05 | Ролик натяжной с кронштейном в сборе |
Содержащиеся в справочниках-каталогах запасные части и детали не предлагаются к продаже, а носят исключительно информационный характер