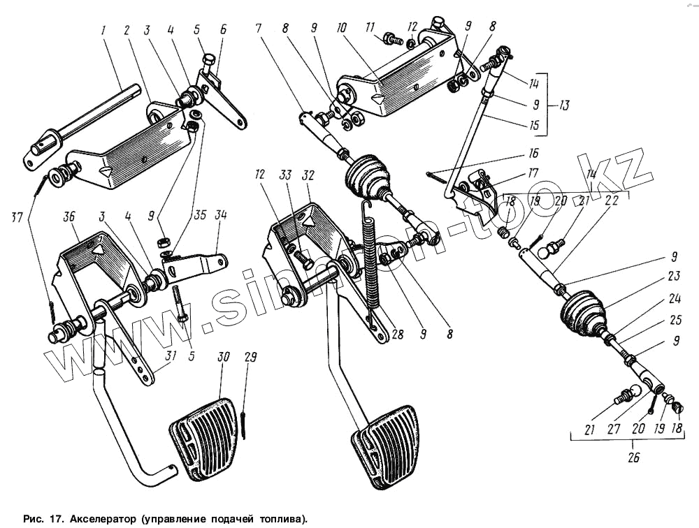
Каталог запасных частей к технике: ГАЗ-3307. Акселератор (управление подачей топлива)
1
2
3
3
4
4
5
5
6
7
8
8
8
9
9
9
9
9
9
9
10
11
12
12
13
14
14
14
15
16
17
18
18
18
19
19
19
20
20
20
21
21
21
22
22
23
24
25
26
27
28
29
30
31
32
33
34
35
35
36
37
| Позиция на иллюстрации | Заводской номер детали | Название детали | |
|---|---|---|---|
| 1 | 4301-1108030 | Валик акселератора с рычагом в сборе | |
| 2 | 4301-1108039 | Кронштейн валика акселератора | |
| 3 | 21-1108041-Б | Втулка валика акселератора | |
| 3 | 21-1108041-Б | Втулка валика акселератора | |
| 4 | 293324-П29 | Шайба 11 | |
| 5 | 201424-П29 | Болт М6-6gх30 ОСТ 37.001.123-96 | |
| 6 | 4301-1108065 | Рычаг валика акселератора | |
| 7 | 4301-1108034 | Тяга рычага педали в сборе | |
| 8 | 252154-П2 | Шайба 6Л ОСТ 37.001.115-75 | |
| 8 | 252154-П2 | Шайба 6Л ОСТ 37.001.115-75 | |
| 9 | 250608-П29 | Гайка М6-6Н ОСТ 37.001.124-93 | |
| 9 | 250608-П29 | Гайка М6-6Н ОСТ 37.001.124-93 | |
| 9 | 250608-П29 | Гайка М6-6Н ОСТ 37.001.124-93 | |
| 10 | 4301-1108029 | Валик акселератора с кронштейном в сборе | |
| 11 | 201416-П29 | Болт М6-6gх12 ОСТ 37.001.123-96 | |
| 12 | 252134-П2 | Шайба 6Т ОСТ 37.001.115-75 | |
| 13 | 3307-1108077 | Тяга рычагов акселератора в сборе | |
| 14 | 21-1712155 | Наконечник шарнирный в сборе | |
| 14 | 21-1712155 | Наконечник шарнирный в сборе | |
| 15 | 3307-1108078 | Тяга | |
| 16 | 258012-П29 | Шплинт 2х12 ОСТ 37.001.171-93 | |
| 17 | 252004-П29 | Шайба 6 ОСТ 37.001.144-96 | |
| 18 | 21-1108061-Б | Пробка наконечника | |
| 18 | 21-1108061-Б | Пробка наконечника | |
| 19 | 70-142892 | Сухарь наконечника | |
| 19 | 70-142892 | Сухарь наконечника | |
| 20 | 258003-П29 | Шплинт 1,6х20 ОСТ 37.001.171-93 | |
| 20 | 258003-П29 | Шплинт 1,6х20 ОСТ 37.001.171-93 | |
| 21 | 21-1108059-А | Палец шаровой наконечника | |
| 21 | 21-1108059-А | Палец шаровой наконечника | |
| 22 | 21-1712156 | Наконечник тяги привода силового регулятора коробки передач | |
| 22 | 21-1713156 | Наконечник | |
| 23 | 24-1108152 | Уплотнитель | |
| 24 | 52-1108098 | Втулка тяги педали акселератора | |
| 25 | 4301-1108037 | Тяга | |
| 26 | 21-1108055-А | Наконечник тяги рычага дроссельной заслонки шарнирный в сборе | |
| 27 | 21-1108056-Б | Наконечник тяги рычага дроссельной заслонки | |
| 28 | 51-1106175 | Пружина акселератора | |
| 29 | 258013-П29 | Шплинт 2х16 ОСТ 37.001.171-93 | |
| 30 | 3102-1108013 | Педаль акселератора | |
| 31 | 4301-1108016 | Рычаг педали акселератора с рычагом валика и валиком | |
| 32 | 4301-11108008 | Педаль акселератора с рычагами | |
| 33 | 201417-П29 | Болт М6-6gх14 ОСТ 37.001.123-96 | |
| 34 | 4301-1108047 | Рычаг валика педали акселератора | |
| 35 | 252274-П29 | Шайба 6 ОСТ 37.001.146-75 | |
| 35 | 252274-П29 | Шайба 6 ОСТ 37.001.146-75 | |
| 36 | 4301-1108025 | Кронштейн валика педали акселератора | |
| 37 | 258038-П29 | Шплинт 3,2х16 ОСТ 37.001.171-93 |
Содержащиеся в справочниках-каталогах запасные части и детали не предлагаются к продаже, а носят исключительно информационный характер