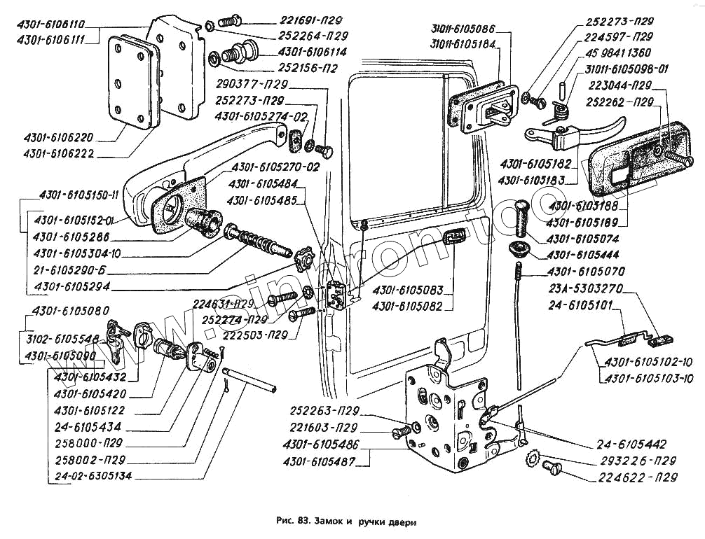
Каталог запасных частей к технике: ГАЗ-3306. Замок и ручки две
4301-6106111
21-6105290-Б
24-6105434
31011-6105098-01
4301-6105189
4301-6105188
4301-6105183
4301-6105150-11
4301-6105152-01
4301-6105182
24-02-6305134
4301-6105304-10
4301-6105070
4301-6105103-10
4301-6105102-10
4301-6105274-02
4301-6106110
4301-6105420
24-6105101
252156-П2
252262-П29
252273-П29
252273-П29
252263-П29
252274-П29
293226-П29
252264-П29
4301-6106114
258000-П29
258002-П29
45 9841 1360
4301-6105286
224597-П29
222503-П29
223044-П29
224622-П29
221603-П29
224631-П29
221691-П29
4301-6105444
4301-6105090
4301-6105080
23А-5303270
24-6105442
4301-6105432
3102-6105548
290377-П29
4301-6105122
4301-6105485
4301-6105484
4301-6105487
4301-6105486
4301-6105074
4301-6105294
31011-6105086
4301-6105083
4301-6105082
31011-6105184
4301-6106220
4301-6106222
4301-6105270-02
| Позиция на иллюстрации | Заводской номер детали | Название детали | |
|---|---|---|---|
| 4301-6106111 | 4301-6106111 | Фиксатор замка двери левый | |
| 21-6105290-Б | 21-6105290-Б | Пружина кнопки | |
| 24-6105434 | 24-6105434 | Пружина заслонки | |
| 31011-6105098-01 | 31011-6105098-01 | Пружина привода | |
| 4301-6105189 | 4301-6105189 | Розетка внутреннего привода левая | |
| 4301-6105188 | 4301-6105188 | Розетка внутреннего привода правая | |
| 4301-6105183 | 4301-6105183 | Ручка внутреннего привода левая | |
| 4301-6105150-11 | 4301-6105150-11 | Ручка двери наружная в сборе | |
| 4301-6105152-01 | 4301-6105152-01 | Ручка двери наружная | |
| 4301-6105182 | 4301-6105182 | Ручка внутреннего привода правая | |
| 24-02-6305134 | 24-02-6305134 | Стержень выключателя | |
| 4301-6105304-10 | 4301-6105304-10 | Толкатель кнопки наружной ручки двери | |
| 4301-6105070 | 4301-6105070 | Тяга выключения замка двери | |
| 4301-6105103-10 | 4301-6105103-10 | Тяга привода замка двери левая | |
| 4301-6105102-10 | 4301-6105102-10 | Тяга правая привода замка двери | |
| 4301-6105274-02 | 4301-6105274-02 | Прокладка наружной ручки двери малая | |
| 4301-6106110 | 4301-6106110 | Фиксатор замка двери правый | |
| 4301-6105420 | 4301-6105420 | Цилиндр выключателя замка двери в сборе | |
| 24-6105101 | 24-6105101 | Чехол тяги | |
| 252156-П2 | 252156-П2 | Шайба 10Л ОСТ 37.001.115-75 | |
| 252262-П29 | 252262-П29 | Шайба 2-5 ОСТ 37.001.147-75 | |
| 252273-П29 | 252273-П29 | Шайба 5 ОСТ 37.001.146-75 | |
| 252263-П29 | 252263-П29 | Шайба 2-6 ОСТ 37.001.147-75 | |
| 252274-П29 | 252274-П29 | Шайба 6 ОСТ 37.001.146-75 | |
| 293226-П29 | 293226-П29 | Шайба 6,5 | |
| 252264-П29 | 252264-П29 | Шайба 2-8 ОСТ 37.001.147-75 | |
| 4301-6106114 | 4301-6106114 | Шип фиксатора | |
| 258000-П29 | 258000-П29 | Шплинт 1,6х10 ОСТ 37.001.171-93 | |
| 258002-П29 | 258002-П29 | Шплинт 1,5х16 | |
| 45 9841 1360 | 45 9841 1360 | Штифт 4х20 | |
| 4301-6105286 | 4301-6105286 | Кнопка наружной ручки двери | |
| 224597-П29 | 224597-П29 | Винт М5-6gх10 ОСТ 37.001.130-81 | |
| 222503-П29 | 222503-П29 | Винт М5-6gх22 ОСТ 37.001.128-96 | |
| 223044-П29 | 223044-П29 | Винт М5-6gх25 ОСТ 37.001.126-81 | |
| 224622-П29 | 224622-П29 | Винт М6-6gх10 ОСТ 37.001.130-81 | |
| 221603-П29 | 221603-П29 | Винт М6-6gх12 ОСТ 37.001.125-81 | |
| 224631-П29 | 224631-П29 | Винт М6-6gх30 ОСТ 37.001.130-81 | |
| 221691-П29 | 221691-П29 | Винт М8х1-6gх18 ОСТ 37.001.125-81 | |
| 4301-6105444 | 4301-6105444 | Втулка наконечника тяги выключения замка | |
| 4301-6105090 | 4301-6105090 | Выключатель замка двери | |
| 4301-6105080 | 4301-6105080 | Выключатель замка двери с ключами | |
| 23А-5303270 | 23А-5303270 | Зажим тяги | |
| 24-6105442 | 24-6105442 | Зажим тяги | |
| 4301-6105432 | 4301-6105432 | Заслонка выключателя замка двери | |
| 3102-6105548 | 3102-6105548 | Ключи замка двери с кольцом | |
| 290377-П29 | 290377-П29 | Болт М5-6gх9 | |
| 4301-6105122 | 4301-6105122 | Корпус выключателя | |
| 4301-6105485 | 4301-6105485 | Механизм запорный замка левый | |
| 4301-6105484 | 4301-6105484 | Механизм запорный замка правый | |
| 4301-6105487 | 4301-6105487 | Механизм рычажный замка левый | |
| 4301-6105486 | 4301-6105486 | Механизм рычажный замка правый | |
| 4301-6105074 | 4301-6105074 | Наконечник тяги выключения замка двери | |
| 4301-6105294 | 4301-6105294 | Направляющая кнопки наружной ручки двери | |
| 31011-6105086 | 31011-6105086 | Основание привода замка двери | |
| 4301-6105083 | 4301-6105083 | Привод замка двери внутренний левый | |
| 4301-6105082 | 4301-6105082 | Привод замка двери внутренний правый | |
| 31011-6105184 | 31011-6105184 | Прокладка привода замка | |
| 4301-6106220 | 4301-6106220 | Прокладка регулировочная | |
| 4301-6106222 | 4301-6106222 | Прокладка регулировочная | |
| 4301-6105270-02 | 4301-6105270-02 | Прокладка наружной ручки двери большая |
Содержащиеся в справочниках-каталогах запасные части и детали не предлагаются к продаже, а носят исключительно информационный характер