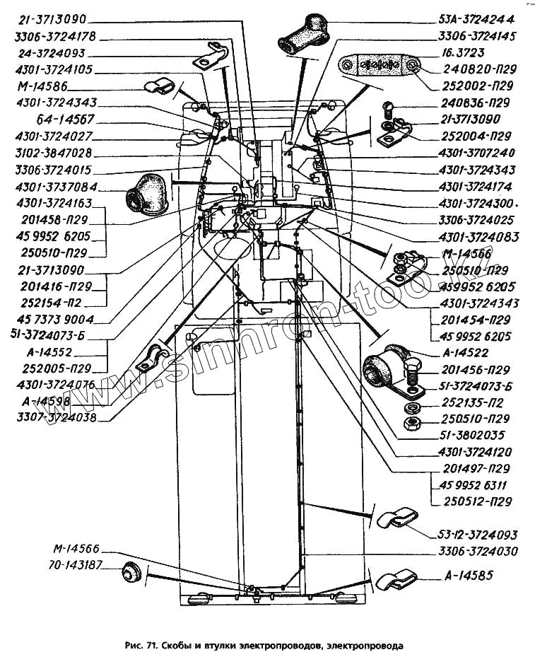
Каталог запасных частей к технике: ГАЗ-3306. Скобы и втулки электропроводов, электропровода
51-3802035
4301-3724105
4301-3724174
4301-3724300
21-3713090
21-3713090
21-3713090
24-3724093
51-3724073-Б
51-3724073-Б
53-12-3724093
А-14585
А-14598
М-14566
М-14566
М-14586
4301-3724083
4301-3724343
4301-3724343
4301-3724343
53А-3724244
3102-3847028
4301-3737084
252002-П29
252004-П29
252154-П2
252005-П29
252135-П2
45 9952 6205
45 9952 6205
45 9952 6205
45 9952 6311
45 7373 9004
3306-3724145
201416-П29
201454-П29
201456-П29
201458-П29
240820-П29
240836-П29
64-14567
70-143187
А-14552
А-14552
250512-П29
250510-П29
250510-П29
250510-П29
3306-3724030
201497-П29
3306-3724178
3307-3724038
4301-3724120
3306-3724015
3306-3724025
45 7373 9004
16.3723000
4301-3724027
4301-3724163
4301-3707240
4301-3724076
| Позиция на иллюстрации | Заводской номер детали | Название детали | |
|---|---|---|---|
| 51-3802035 | 51-3802035 | Втулка уплотнительная | |
| 4301-3724105 | 4301-3724105 | Провода | |
| 4301-3724174 | 4301-3724174 | Провода | |
| 4301-3724300 | 4301-3724300 | Провода к подкапотным фонарям в сборе | |
| 21-3713090 | 21-3713090 | Скоба | |
| 24-3724093 | 24-3724093 | Скоба | |
| 51-3724073-Б | 51-3724073-Б | Скоба крепления проводов | |
| 53-12-3724093 | 53-12-3724093 | Скоба крепления проводов к раме | |
| А-14585 | А-14585 | Скоба крепления проводов | |
| А-14598 | А-14598 | Скоба | |
| М-14566 | М-14566 | Скоба крепления проводов | |
| М-14586 | М-14586 | Скоба | |
| 4301-3724083 | 4301-3724083 | Уплотнитель | |
| 4301-3724343 | 4301-3724343 | Провод минусовый | |
| 53А-3724244 | 53А-3724244 | Чехол | |
| 3102-3847028 | 3102-3847028 | Чехол защитный | |
| 4301-3737084 | 4301-3737084 | Чехол защитный вывода стартера | |
| 252002-П29 | 252002-П29 | Шайба 4 ОСТ 37.001.144-96 | |
| 252004-П29 | 252004-П29 | Шайба 6 ОСТ 37.001.144-96 | |
| 252154-П2 | 252154-П2 | Шайба 6Л ОСТ 37.001.115-75 | |
| 252005-П29 | 252005-П29 | Шайба 8 ОСТ 37.001.144-96 | |
| 252135-П2 | 252135-П2 | Шайба 8Т ОСТ 37.001.115-75 | |
| 45 9952 6205 | 45 9952 6205 | Шайба 8 | |
| 45 9952 6311 | 45 9952 6311 | Шайба 10 | |
| 45 7373 9004 | 45 7373 9004 | Колодка | |
| 3306-3724145 | 3306-3724145 | Жгут проводов подогревателя | |
| 201416-П29 | 201416-П29 | Болт М6-6gх12 ОСТ 37.001.123-96 | |
| 201454-П29 | 201454-П29 | Болт М8-6gх16 ОСТ 37.001.123-96 | |
| 201456-П29 | 201456-П29 | Болт М8-6gх20 ОСТ 37.001.123-96 | |
| 201458-П29 | 201458-П29 | Болт М8-6gх25 ОСТ 37.001.123-96 | |
| 240820-П29 | 240820-П29 | Винт М4х18 ОСТ 37.001.188-81 | |
| 240836-П29 | 240836-П29 | Винт 5х12 ОСТ 37.001.188-81 | |
| 64-14567 | 64-14567 | Втулка уплотнительная | |
| 70-143187 | 70-143187 | Втулка | |
| А-14552 | А-14552 | Втулка | |
| 250512-П29 | 250512-П29 | Гайка М10-6Н ОСТ 37.001.124-93 | |
| 250510-П29 | 250510-П29 | Гайка М8-6Н ОСТ 37.001.124-93 | |
| 3306-3724030 | 3306-3724030 | Жгут проводов по раме | |
| 201497-П29 | 201497-П29 | Болт М10-6gх25 ОСТ 37.001.123-96 | |
| 3306-3724178 | 3306-3724178 | Жгут проводов | |
| 3307-3724038 | 3307-3724038 | Жгут проводов к плафону в сборе | |
| 4301-3724120 | 4301-3724120 | Жгут проводов | |
| 3306-3724015 | 3306-3724015 | Жгут проводов левый | |
| 3306-3724025 | 3306-3724025 | Жгут проводов правый | |
| 45 7373 9004 | 45 7373 9004 | Колодка | |
| 16.3723000 | 16.3723000 | Панель соединительная 16.3723 | |
| 4301-3724027 | 4301-3724027 | Провод к боковому указателю поворота в сборе | |
| 4301-3724163 | 4301-3724163 | Провод в сборе | |
| 4301-3707240 | 4301-3707240 | Провод зажигания | |
| 4301-3724076 | 4301-3724076 | Провод минусовый в сборе |
Содержащиеся в справочниках-каталогах запасные части и детали не предлагаются к продаже, а носят исключительно информационный характер