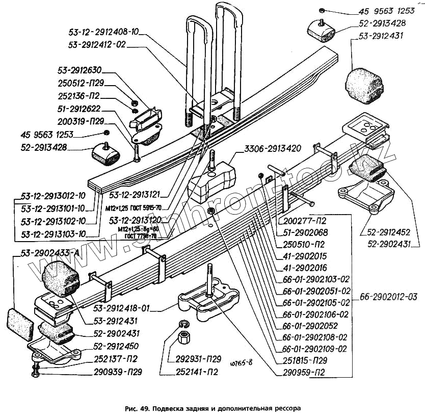
Каталог запасных частей к технике: ГАЗ-3306. Подвеска задняя и дополнительная рессора
52-2913428
52-2913428
66-01-2902105-02
66-01-2902106-02
66-01-2902052
66-01-2902108-02
66-01-2902109-02
53-2912412-02
53-2912431
53-2912431
52-2902431
52-2902431
3306-2913420
53-2912418-01
66-01-2902051-02
53-12-2913120
53-2912630
53-12-2913012-10
66-2902012-03
53-12-2912408-10
53-2902433-А
252136-П2
252137-П2
252141-П2
45 9563 1253
45 9563 1253
292931-П29
200319-П29
290939-П29
290959-П2
М12х1,25-6gх60
200277-П2
51-2912622
51-2902068
250512-П29
45 9951 4106
251815-П29
53-12-2913121
250510-П2
52-2912450
52-2912452
53-12-2913101-10
41-2902015
53-12-2913102-10
41-2902016
53-12-2913103-10
66-01-2902103-02
| Позиция на иллюстрации | Заводской номер детали | Название детали | |
|---|---|---|---|
| 52-2913428 | 52-2913428 | Подушка задней дополнительной рессоры в сборе | |
| 66-01-2902105-02 | 66-01-2902105-02 | Лист № 5 | |
| 66-01-2902106-02 | 66-01-2902106-02 | Лист №6 передней рессоры | |
| 66-01-2902052 | 66-01-2902052 | Лист № 7 с хомутами | |
| 66-01-2902108-02 | 66-01-2902108-02 | Лист № 8 | |
| 66-01-2902109-02 | 66-01-2902109-02 | Лист №11 передней рессоры | |
| 53-2912412-02 | 53-2912412-02 | Накладка задней рессоры | |
| 53-2912431 | 53-2912431 | Опора рессоры верхняя | |
| 52-2902431 | 52-2902431 | Опора рессоры верхняя | |
| 3306-2913420 | 3306-2913420 | Подкладка | |
| 53-2912418-01 | 53-2912418-01 | Подкладка стремянок | |
| 66-01-2902051-02 | 66-01-2902051-02 | Лист №4 передней рессоры с хомутами | |
| 53-12-2913120 | 53-12-2913120 | Прокладка межлистовая | |
| 53-2912630 | 53-2912630 | Прокладка буфера | |
| 53-12-2913012-10 | 53-12-2913012-10 | Рессора дополнительная | |
| 66-2902012-03 | 66-2902012-03 | Рессора задняя | |
| 53-12-2912408-10 | 53-12-2912408-10 | Стремянка | |
| 53-2902433-А | 53-2902433-А | Упор рессоры | |
| 252136-П2 | 252136-П2 | Шайба 10 ОТ ОСТ 37.001.115-75 | |
| 252137-П2 | 252137-П2 | Шайба 12.ОТ ОСТ 37.001.115-75 | |
| 252141-П2 | 252141-П2 | Шайба 20.ОТ ОСТ 37.001.115-75 | |
| 45 9563 1253 | 45 9563 1253 | Гайка М8-6Н | |
| 292931-П29 | 292931-П29 | Гайка М20х1,5-4Н5Н | |
| 200319-П29 | 200319-П29 | Болт М10-6gх50 | |
| 290939-П29 | 290939-П29 | Болт М12-6gх50 | |
| 290959-П2 | 290959-П2 | Болт М12х1,25-6gх108 | |
| М12х1,25-6gх60 | М12х1,25-6gх60 | Болт М12х1,25—6gх60 | |
| 200277-П2 | 200277-П2 | Болт М8-6gх90 ОСТ 37.001.122-96 | |
| 51-2912622 | 51-2912622 | Буфер задней рессоры в сборе | |
| 51-2902068 | 51-2902068 | Втулка распорная хомута рессоры | |
| 250512-П29 | 250512-П29 | Гайка М10-6Н ОСТ 37.001.124-93 | |
| 45 9951 4106 | 45 9951 4106 | Гайка М12х1,25 ГОСТ 5915-70 | |
| 251815-П29 | 251815-П29 | Гайка М12х1,25-6Н | |
| 53-12-2913121 | 53-12-2913121 | Бирка | |
| 250510-П2 | 250510-П2 | Гайка М8-6Н ОСТ 37.001.124-93 | |
| 52-2912450 | 52-2912450 | Крышка переднего кронштейна | |
| 52-2912452 | 52-2912452 | Крышка заднего кронштейна | |
| 53-12-2913101-10 | 53-12-2913101-10 | Лист № 1 | |
| 41-2902015 | 41-2902015 | Лист №1 передней рессоры с чашками в сборе | |
| 53-12-2913102-10 | 53-12-2913102-10 | Лист № 2 | |
| 41-2902016 | 41-2902016 | Лист №2 передней рессоры с чашками в сборе | |
| 53-12-2913103-10 | 53-12-2913103-10 | Лист № 3 | |
| 66-01-2902103-02 | 66-01-2902103-02 | Лист №3 передней рессоры |
Содержащиеся в справочниках-каталогах запасные части и детали не предлагаются к продаже, а носят исключительно информационный характер