Вернуться на главную
Поиск
Каталоги запчастей к технике
Грузовые автомобили и прицепы
ГАЗ
ГАЗ-3306
Газопровод
Каталог запасных частей к технике: ГАЗ-3306. Газопровод
zoom-in
zoom-out
enlarge
shrink
circle-right
circle-left
file-text2
info
cart
Тип техники
Не выбрано
Легковые автомобили
Грузовые автомобили и прицепы
Автобусы
Сельхозтехника
Спецтехника
Двигатели
Мототехника
Марка
Не выбрано
BAW
DAF
DongFeng
FAW
Foton
HOWO
Hyundai
IVECO
JAC Motors
LGMG
MAN
Shaanxi
SITRAK
Studebaker
Tata
Volvo
Автокомпонент Плюс
БелАЗ
Брянский Арсенал
ГАЗ
ЗИЛ
КАЗ
Камский автозавод
КрАЗ
Мадара
МАЗ
МЗКТ
МоАЗ
Нефтекамский автозавод
Ставропольский Завод АвтоПрицепов
ТАТРА
Тонар
УралАЗ
ЧМЗАП
Модель
Не выбрано
ГАЗ-3306 (1994)
ГАЗ-3307 (2000)
ГАЗ-3307 (доп. с дв. ЗМЗ Е 3) (2009)
ГАЗ-3308 (2000)
ГАЗ-3308 (2002)
ГАЗ-3308 (доп. с дв. ЗМЗ Е 3) (2009)
ГАЗ-33081 (2008)
ГАЗ-3309
ГАЗ-3309 (доп. с дв. ЗМЗ Е 3) (2009)
ГАЗ-3309 (Евро 2) (2008)
ГАЗ-33104 Валдай (2006)
ГАЗ-33104 Валдай Евро 3 (2008)
ГАЗ-33106 Евро 3 (2015)
ГАЗ-4301
ГАЗ-51 (63, 63А) (1956)
ГАЗ-51 (63, 93) (1960)
ГАЗ-52-01
ГАЗ-52-02
ГАЗ-53 А (1989)
ГАЗ-5312 (2002)
ГАЗ-66 (Каталог 1983 г.) (1983)
ГАЗ-66 (Каталог 1996 г.) (1996)
ГАЗ-ММ "Полуторка" (1949)
ГАЗон NEXT C41R13-60 (2021)
Схема
>
Не выбрано
Кабина, подвеска кабины, крышка люка пола, крышка люка под тяги
Панель передка, коврики пола, стекла ветрового окна, крышка монтажного люка
Обивки и прокладки термошумоизоляционные кабины
Стеклоочиститель и привод, омыватель
Панель приборов
Дверь, обивка, навеска, уплотнитель, подлокотник двери
Окно двери и механизм перемещения стекла двери
Замок и ручки две
Сиденье водителя
Механизм регулирования сиденья водителя
Сиденье переднее
Амортизатор подвески сиденья
Система отопления и вентиляции кабины
Радиаторы отопителя, кожух радиатора с крышками вентилятора, электродвигатели отопителя
Фильтр масляный и система вентиляции кабины
Отопительно-вентиляционная установка
Отсек независимого отопителя
Трубопроводы системы отопления
Зеркало заднего вида, держатели, поручни и крючки для одежды, козырек противосолнечный, крепление ремней безопасности
Подушки крепления оперения, облицовка радиатора, капот, подножки
Замок и привод замка капота, навеска капота
Оперение
Платформа
Платформа
Подвеска двигателя
Картер двигателя
Картер маховика
Головка цилиндра с втулками, седлами и шпильками, крышка коромысел, коромысла клапанов, клапана, механизм вращения клапанов
Поршни, шатуны и вал коленчатый
Вал распределительный, шестерня и блок промежуточных шестерен привода распределительного вала, толкатели клапанов
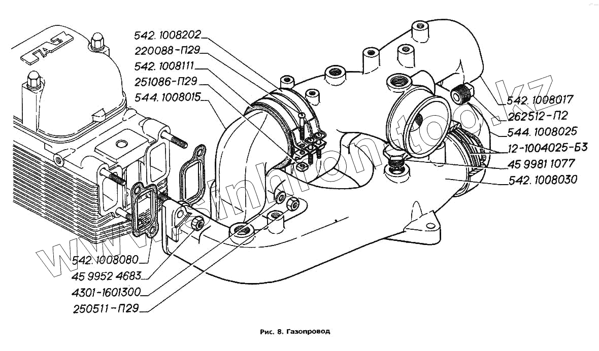
Газопровод
Картер масляный, вентиляция картера, указатель уровня масла, маслоприемник, насос масляный, маслоотделитель, фильтр масляный, труба сливная
Насос масляный, маслоотделитель и фильтр масляный
Радиатор масляный, плунжер термоклапана, привод топливного насоса высокого давления и вентилятора, вентилятор и привод, термосиловой элемент
Подогреватель пусковой, вентилятор с топливным насосом и коммутатор транзисторный с катушкой зажигания
Бачок топливный и шланги системы предпускового подогрева двигателя
Вентилятор пускового подогревателя
Насос топливный пускового подогревателя
Устройство электрофакельное
Корпус привода топливного насоса высокого давления и вентилятора, привод вентилятора и муфта опережения впрыска топлива
Бак топливный
Фланец приемной трубки с фильтром, фильтр грубой очистки топлива, трубопроводы топливные
Трубопроводы топливные, трубки высокого давления двигателя и форсунки
Установка насоса топливного низкого давления (подкачивающего)
Насос топливный низкого давления (подкачивающий)
Акселератор (управления подачей топлива)
Фильтр воздушный
Крышка регулятора
Корпус регулятора числа оборотов двигателя, корпус и вал кулачковый топливного насоса высокого давления
Корпус топливного насоса с кулачковым валом, крышка регулятора в сборе, муфта и державка грузов, крышка смотрового люка
Насос топливный высокого давления, муфта соединительная с пластинами, трубки подвода и отвода масла
Секции топливного насоса и толкатели
Фильтр тонкой очистки топлива, насос топливоподкачивающий ручной и клапан фильтра
Муфта опережения впрыска топлива
Глушитель
Вентилятор, гидромуфта привода вентилятора
Кожухи вентилятора, радиатора
Терморегулятор, трубы подвода масла к терморегулятору, гидромуфте и труба подвода воздуха к терморегулятору
Сцепление
Кронштейн с педалями сцепления, тормоза и цилиндр главный тормозов
Цилиндр главный привода сцепления
Коробка передач и цилиндр рабочий привода сцепления
Первичный, вторичный, промежуточный валы и ось заднего хода коробки передач
Картер и крышки коробки передач, ведомая и ведущая шестерни привода спидометра
Механизм переключения передач коробки передач
Передача карданная трансмиссии
Валы карданные и опора промежуточного карданного вала
Мост задний
Мост задний
Рама, брызговики, бампер передний, устройство буксирное переднее, крюк буксирный
Подвеска передняя
Подвеска задняя и дополнительная рессора
Амортизаторы передней подвески
Ось передняя, кулаки поворотные и тяги рулевые
Колеса, держатель запасного колеса, шины
Управление рулевое
Механизм рулевого управления
Тормоза рабочие передние, тормозные барабаны и ступицы передних колес
Тормоза рабочие задние, тормозные барабаны и ступицы задних колес
Цилиндр главный тормозов
Трубопроводы
Рычаг стояночного тормоза и привод стояночного тормоза
Компрессор
Вакуумные трубопроводы компрессора и регулятор давления тормозов
Вакуумный насос (применяется взамен компрессора)
Усилитель гидровакуумный тормозов и клапан управления гидровакуумного усилителя тормозов
Баллоны вакуумные, аварийная сигнализация прекращения действия тормозов, фильтр воздушный гидровакуумного усилителя тормозов
Генератор
Батарея аккумуляторная
Стартер
Фары, фонари передние, фонарь освещения под капотом, повторитель боковой указателя поворота, плафон кабины
Фонари задние
Установка звуковых сигналов, пульта управления пусковым подогревателем, коммутатора транзисторного с катушкой зажигания, прерывателя указателя поворота, штепсельной розетки, резистора, сопротивления независимого отопителя
Скобы и втулки электропроводов, электропровода
Электрооборудование щитка, панели приборов
Щиток приборов
Датчики на двигателе
Инструмент водителя и приспособления, огнетушитель, домкрат, утеплитель
544.1008025
45 9952 4683
45 9981 1077
542.1008111
4301-1601300
544-1008015
542.1008017
542.1008080
262512-П2
220088-П29
542.1008202
12-1004025-Б3
542.1008030
250511-П29
251086-П29
Позиция на иллюстрации
Заводской номер детали
Название детали
544.1008025
544.1008025
Патрубок коллектора
45 9952 4683
45 9952 4683
Гайка М8х1-6Н
45 9981 1077
45 9981 1077
Пробка М20х1,5-6g
542.1008111
542.1008111
Шланг соединительный
4301-1601300
4301-1601300
Шайба пружинная коническая
544-1008015
544-1008015
Труба впускная передняя
542.1008017
542.1008017
Труба впускная задняя
542.1008080
542.1008080
Прокладка
262512-П2
262512-П2
Пробка КГ 1/2"
220088-П29
220088-П29
Винт М5-6gх35
542.1008202
542.1008202
Лента
12-1004025-Б3
12-1004025-Б3
Кольцо
542.1008030
542.1008030
Коллектор выпускной передний
3306-3724025
3306-3724025
Жгут проводов правый
3306-3724015
3306-3724015
Жгут проводов левый
4301-3724120
4301-3724120
Жгут проводов
250511-П29
250511-П29
Гайка М8х1-6Н ОСТ 37.001.124-93
251086-П29
251086-П29
Гайка М5-6Н ОСТ 37.001.112-91
Содержащиеся в справочниках-каталогах запасные части и детали не предлагаются к продаже, а носят исключительно информационный характер
Дополнительная информация
×
Название:
Номер:
Примечание: