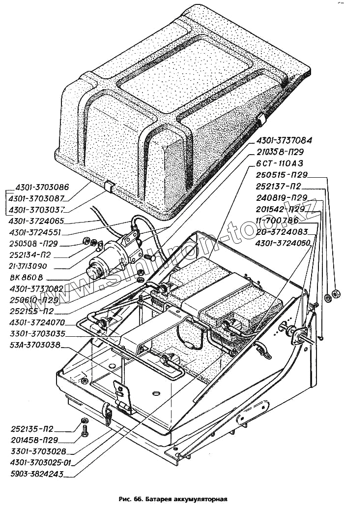
Каталог запасных частей к технике: ГАЗ-3306. Батарея аккумуляторная
4301-3724065
252135-П2
252155-П2
252134-П2
252137-П2
4301-3737084
4301-3737082
4301-3703037
20-3724083
53А-3703038
21-3713090
3301-3703035
5903-3824243
4301-3724551
4301-3724070
6СТ-110А3
4301-3724050
4301-3703025-01
11-700786
4301-3703087
4301-3703086
3301-3703028
250610-П29
250508-П29
250515-П29
ВК860В.3737000
240819-П29
201458-П29
210358-П29
201542-П29
| Позиция на иллюстрации | Заводской номер детали | Название детали | |
|---|---|---|---|
| 4301-3724065 | 4301-3724065 | Провод | |
| 252135-П2 | 252135-П2 | Шайба 8Т ОСТ 37.001.115-75 | |
| 252155-П2 | 252155-П2 | Шайба 8Л ОСТ 37.001.115-75 | |
| 252134-П2 | 252134-П2 | Шайба 6Т ОСТ 37.001.115-75 | |
| 252137-П2 | 252137-П2 | Шайба 12.ОТ ОСТ 37.001.115-75 | |
| 4301-3737084 | 4301-3737084 | Чехол защитный вывода стартера | |
| 4301-3737082 | 4301-3737082 | Чехол защитный | |
| 4301-3703037 | 4301-3703037 | Упор крышки | |
| 20-3724083 | 20-3724083 | Уплотнитель | |
| 53А-3703038 | 53А-3703038 | Стяжка крепления аккумуляторной батареи | |
| 21-3713090 | 21-3713090 | Скоба | |
| 3301-3703035 | 3301-3703035 | Рамка крепления аккумуляторных батарей | |
| 5903-3824243 | 5903-3824243 | Трубка | |
| 4301-3724551 | 4301-3724551 | Провод | |
| 4301-3724070 | 4301-3724070 | Провод | |
| 6СТ-110А3 | 6СТ-110А3 | Батарея аккумуляторная | |
| 4301-3724050 | 4301-3724050 | Провод | |
| 4301-3703025-01 | 4301-3703025-01 | Основание аккумуляторных батарей | |
| 11-700786 | 11-700786 | Обойма уплотнителя пучка проводов | |
| 4301-3703087 | 4301-3703087 | Крышка аккумуляторных батарей | |
| 4301-3703086 | 4301-3703086 | Крышка аккумуляторных батарей в сборе | |
| 3301-3703028 | 3301-3703028 | Кронштейн крепления основания | |
| 250610-П29 | 250610-П29 | Гайка М8-6Н ОСТ 37.001.124-93 | |
| 250508-П29 | 250508-П29 | Гайка М6-6Н ОСТ 37.001.124-93 | |
| 250515-П29 | 250515-П29 | Гайка М12х1,25-6Н ОСТ 37.001.124-93 | |
| ВК860В.3737000 | ВК860В.3737000 | Выключатель ВК860В | |
| 240819-П29 | 240819-П29 | Винт М4х16 ОСТ 37.001.188-81 | |
| 201458-П29 | 201458-П29 | Болт М8-6gх25 ОСТ 37.001.123-96 | |
| 210358-П29 | 210358-П29 | Болт М6-6gх20 ОСТ 37.001.106-75 | |
| 201542-П29 | 201542-П29 | Болт М12-6gх35 ОСТ 37.001.123-96 |
Содержащиеся в справочниках-каталогах запасные части и детали не предлагаются к продаже, а носят исключительно информационный характер