Вернуться на главную
Поиск
Каталоги запчастей к технике
Грузовые автомобили и прицепы
Foton
Foton-BJ1069
Подъемное устройство запасного колеса
Каталог запасных частей к технике: Foton-BJ1069. Подъемное устройство запасного колеса
zoom-in
zoom-out
enlarge
shrink
circle-right
circle-left
file-text2
info
cart
Тип техники
Не выбрано
Легковые автомобили
Грузовые автомобили и прицепы
Автобусы
Сельхозтехника
Спецтехника
Двигатели
Мототехника
Марка
Не выбрано
BAW
DAF
DongFeng
FAW
Foton
HOWO
Hyundai
IVECO
JAC Motors
LGMG
MAN
Shaanxi
SITRAK
Studebaker
Tata
Volvo
Автокомпонент Плюс
БелАЗ
Брянский Арсенал
ГАЗ
ЗИЛ
КАЗ
Камский автозавод
КрАЗ
Мадара
МАЗ
МЗКТ
МоАЗ
Нефтекамский автозавод
Ставропольский Завод АвтоПрицепов
ТАТРА
Тонар
УралАЗ
ЧМЗАП
Модель
Не выбрано
3253DLPJE-0RZA01 (2015)
4189SLFKA-AEZA01 (2012)
BJ1039, BJ1049 (Aumark III) (2008)
BJ1041, BJ1069 (Ollin) (2008)
BJ1051, BJ1061 (Aumark) (2009)
Foton-BJ1039 (2007)
Foton-BJ1049 (2007)
Foton-BJ1049 (2007)
Foton-BJ1069 (2007)
Foton-BJ1099 (2007)
Foton-BJ3251DLPJB (2007)
Оllin Express I (2008)
Схема
>
Не выбрано
Механизм опрокидывания и фиксации 1-рядной кабины
Механизм опрокидывания и фиксации 1-рядной кабины
Механизм опрокидывания и фиксации 1,5-рядной кабины
Механизм опрокидывания и фиксации 1,5-рядной кабины
Подъемный насос
Ветровое стекло и аксессуары крыши
Ветровое стекло и аксессуары крыши
Брызговик
Брызговик
Аксессуары передней панели
Пол 1-рядной кабины
Пол 1-рядной кабины
Пол 1,5-рядной кабины
Пол 1,5-рядной кабины
Пол 1,5-рядной кабины
Панели пола
Панели пола
Стеклоочиститель и стеклоомыватель
Панель приборов
Панель передняя
Панель боковая 1-рядной кабины
Панель боковая 1,5-рядной кабины
Аксессуары боковой панели 1-рядной кабины
Аксессуары боковой панели 1,5-рядной кабины
Панель задняя
Крыша 1-рядной кабины
Крыша 1,5-рядной кабины
Дверь передняя
Стеклоподъемник
Аксессуары двери
Дверной замок
Сиденья
Сиденья
Система отопления
Зеркало заднего вида и солнцезащитный козырек
Ремень безопасности, огнетушитель
Подножка
Платформа
Облицовка платформы
Принадлежности платформы
Картер масляный
Картер масляный
Маслоохладитель
Фильтр масляный
Масляный насос
Подвеска силового агрегата
Кожух двигателя
Кронштейны для подъема двигателя
Опора двигателя
Блок цилиндров
Распределительный вал и шестерня
Коленчатый вал, поршень, шатун
Головка блока цилиндров
Ось клапанного коромысла
Картер маховика
Картер маховика
Крышка головки блока цилиндров
Крышка головки блока цилиндров
Сапун
Заглушка
Шкивы
Привод компрессора
Нагреватель
Комплект прокладок верхней части двигателя
Комплект прокладок нижней части двигателя
Коллектор впускной
Коллектор выпускной
Коллектор выпускной
Патрубок выпускной
Привод акселератора
Впускная система
Впускная система
Фильтр топливный
Фильтр топливный
Фильтр топливный
Фильтр топливный
Топливная система
Топливный насос
Система впрыска топлива
Трубопровод от топливного фильтра к топливному насосу
Трубопровод от топливного фильтра к топливному насосу
Трубопровод от топливного фильтра к топливному насосу
Управление газом и остановом
Система выпуска газов
Система охлаждения
Привод вентилятора
Привод вентилятора
Насос водяной и термостат
Насос водяной и термостат
Вентилятор
Система охлаждения
Сцепление
Механизм управления сцеплением
Механизм управления сцеплением
Муфта сцепления
Муфта сцепления
Механизм управления переключением передач
Крышка коробки передач
Механизм переключения передач
Валы и шестерни коробки передач
Картер коробки передач
Вал карданный
Мост задний
Рама
Подвеска передняя
Подвеска задняя
Ось передняя
Колесо и шина
Ступица переднего колеса и барабан тормозной
Подъемное устройство запасного колеса
Управление рулевое
Механизм рулевой
Механизм рулевой
Механизм рулевой
Гидроусилитель рулевого управления
Гидроусилитель рулевого управления
Педали тормоза и сцепления
Тормоз передний
Трубопроводы тормозной системы
Трубопроводы тормозной системы
Трубопроводы тормозной системы
Трубопроводы тормозной системы
Трубопроводы тормозной системы
Трубопроводы тормозной системы
Стояночный тормоз
Стояночный тормоз
Установка аккумулятора
Установка аккумулятора
Генератор переменного тока
Генератор переменного тока
Стартер
Система освещения
Электрические аксессуары. Реле
Переключатели
Жгут проводов кабины
Жгут проводов шасси
Комбинация приборов и датчик топлива
Датчик давления масла
Термометр и датчик
Акустическая система
Ящик с инструментами
Ящик с инструментами
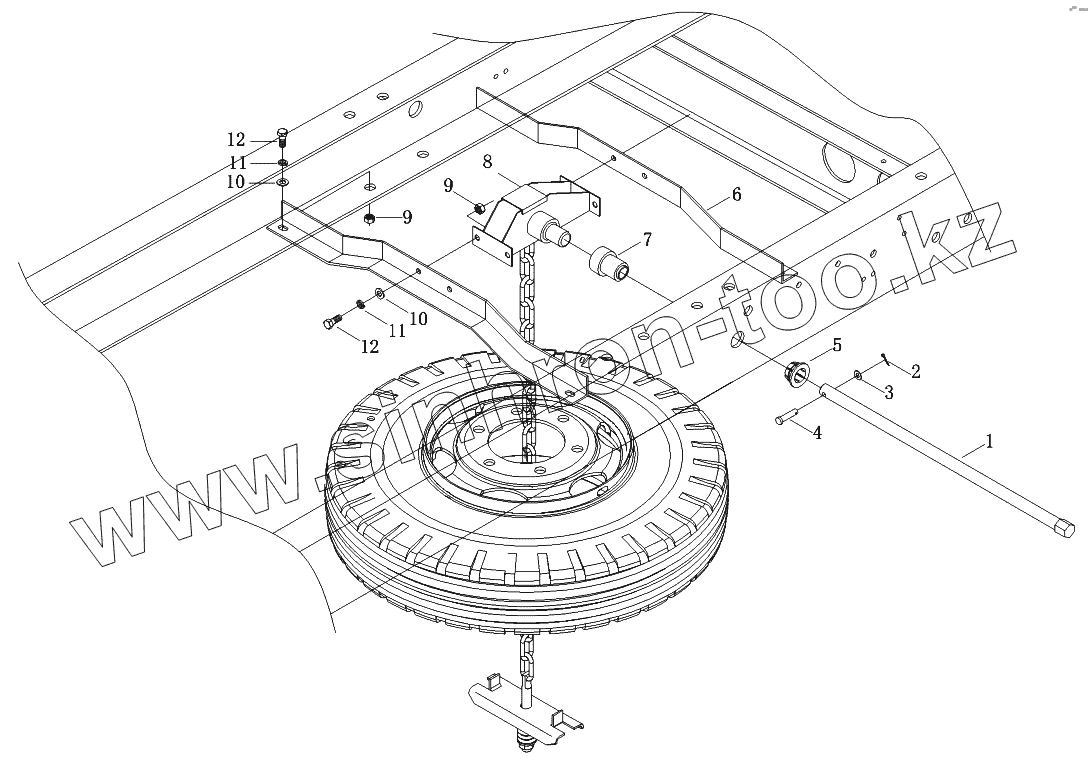
1
2
3
4
5
6
7
8
9
9
10
10
11
11
12
12
Позиция на иллюстрации
Заводской номер детали
Название детали
1S10663150000
1S10663150000
Установка запасного колеса
1
1106631500005
Вал
2
Q5002520
Шплинт
3
Q40108
Плоская шайба
4
Q5100840
Палец
5
1106631500003
Втулка
6
1106631500002
Фиксирующая поперечина запасного колеса
7
1106631500004
Пыльник
8
1106631500008
Механизм подъема запасного колеса
9
Q340В10
Гайка шестигранная тип 1
10
Q40110
Плоская шайба
11
Q40310
Шайба пружинная
12
Q150В1025
Болт с шестигранной головкой
Содержащиеся в справочниках-каталогах запасные части и детали не предлагаются к продаже, а носят исключительно информационный характер
Дополнительная информация
×
Название:
Номер:
Примечание: