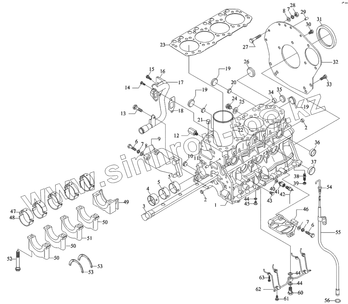
Каталог запасных частей к технике: Foton-BJ1049. Блок цилиндров
1
2
2
3
4
5
5
6
6
7
7
7
8
8
9
10
11
11
12
13
14
15
16
17
18
19
19
19
20
21
22
23
24
25
26
27
28
29
30
31
32
33
34
35
36
37
38
39
40
41
42
43
44
44
44
45
46
47
48
49
50
50
50
51
52
53
53
54
55
55
56
60
61
62
63
| Позиция на иллюстрации | Заводской номер детали | Название детали | |
|---|---|---|---|
| ЕS04930200060 | ЕS04930200060 | Блок цилиндров в сборе | |
| 1 | Е049302000138 | Блок цилиндров | |
| 2 | Е049302000169 | Заглушка чашечная 16 | |
| 3 | Е049302000002 | Труба водяная | |
| 4 | Е049302000044 | Передняя втулка распределительного вала | |
| 5 | Е049302000045 | Средняя и задняя втулка распределительного вала | |
| 6 | Е049302000029 | Болт М10х1,25х40 | |
| 7 | Q40510 | Тяжелая пружинная шайба | |
| 8 | Q40110 | Плоская шайба | |
| 9 | Е049302000027 | Накладка левая | |
| 10 | Е049302000011 | Заглушка масляная | |
| 11 | Q5221020 | Цилиндрический штифт | |
| 11 | Q5221028 | Цилиндрический штифт | |
| 12 | Е049302000021 | Штуцер | |
| 13 | Е049302000038 | Болт с шестигранной головкой и пружинная шайба | |
| 14 | Е049302000037 | Болт с шестигранной головкой и пружинная шайба | |
| 15 | Е049142000009 | Болт с шестигранной головкой, пружинная шайба и плоская шайба | |
| 16 | Е049302000034 | Теплоизолирующая пластина | |
| 17 | Е049302000104 | Труба впускная | |
| 18 | Е049302000035 | Подкладка впускной трубы | |
| 19 | Е049302000048 | Заглушка чашечная 36 | |
| 20 | Е049302000046 | Заглушка чашечная 18 | |
| 21 | Е049302000017 | Втулка | |
| 22 | Е049302000139 | Гильза цилиндра | |
| 23 | Е049302000140 | Подкладка головки блока цилиндров | |
| 24 | Е049302000013 | Масляная пробка | |
| 25 | Е049302000025 | Медная шайба | |
| 26 | Е049302000050 | Заглушка чашечная 56 | |
| 27 | Е0493020000187 | Болт с шестигранной головкой | |
| 28 | Е049302000026 | Гайка М10*1,25 | |
| 29 | Q5221028 | Цилиндрический штифт | |
| 30 | Е049302000022 | Крепежный болт задней соединительной пластины | |
| 31 | Е049302000014 | Задний сальник коленчатого вала | |
| 32 | Е0493020000189 | Задняя крышка блока цилиндров | |
| 33 | Q151В1222 | Гайка шестигранная тип 1 | |
| 34 | Е049302000169 | Заглушка чашечная 16 | |
| 35 | Е049302000049 | Заглушка чашечная 38 | |
| 36 | Е049302000047 | Заглушка чашечная 32 | |
| 37 | Е049301000025 | Заглушка чашечная 45 | |
| 38 | Е049302000019 | Шпилька | |
| 39 | Е049302000024 | Гайка М8 | |
| 40 | Е049302000018 | Прокладка пробки | |
| 41 | Е049302000015 | Седло датчика давления масла | |
| 42 | Е049302000006 | Датчик давления масла | |
| 43 | Е049302000009 | Пробка | |
| 44 | Е049302000072 | Медная шайба | |
| 45 | Е049302000143 | Пробка | |
| 46 | Е049302000028 | Правая накладка | |
| 47 | Е049302000007 | Верхний вкладыш коленчатого вала | |
| 48 | Е049302000008 | Нижний вкладыш коленчатого вала | |
| 49 | Е049302000042 | Крышка пятого главного подшипника | |
| 50 | Е049302000040 | Крышки первого, второго и четвертого главных подшипников | |
| 51 | Е049302000041 | Крышка четвертого главного подшипника | |
| 52 | Е049302000043 | Болт главного подшипника | |
| 53 | Е049302000010 | Упорный подшипник | |
| 54 | Е049302000051 | Масляный щуп | |
| 55 | Е049302000052 | Труба масляного щупа | |
| 55 | Е049302000123 | Трубка масляного щупа | |
| 56 | Е049302000053 | Уплотнительное кольцо | |
| 57 | Е049302000146 | Возвратная маслотруба | |
| 58 | Е049137000056 | Болт с шестигранной головкой, пружинная шайба и плоская шайба | |
| 59 | Е049363000008 | Зажим жгута проводов | |
| 60 | Е049302000075 | Ограничитель давления | |
| 61 | Е049151000074 | Болт с шестигранной головкой и пружинная шайба | |
| 62 | Е049302000107 | Трубка форсунок | |
| 63 | Q1460625 | Болт с шестигранной головкой, пружинная шайба и плоская шайба |
Содержащиеся в справочниках-каталогах запасные части и детали не предлагаются к продаже, а носят исключительно информационный характер