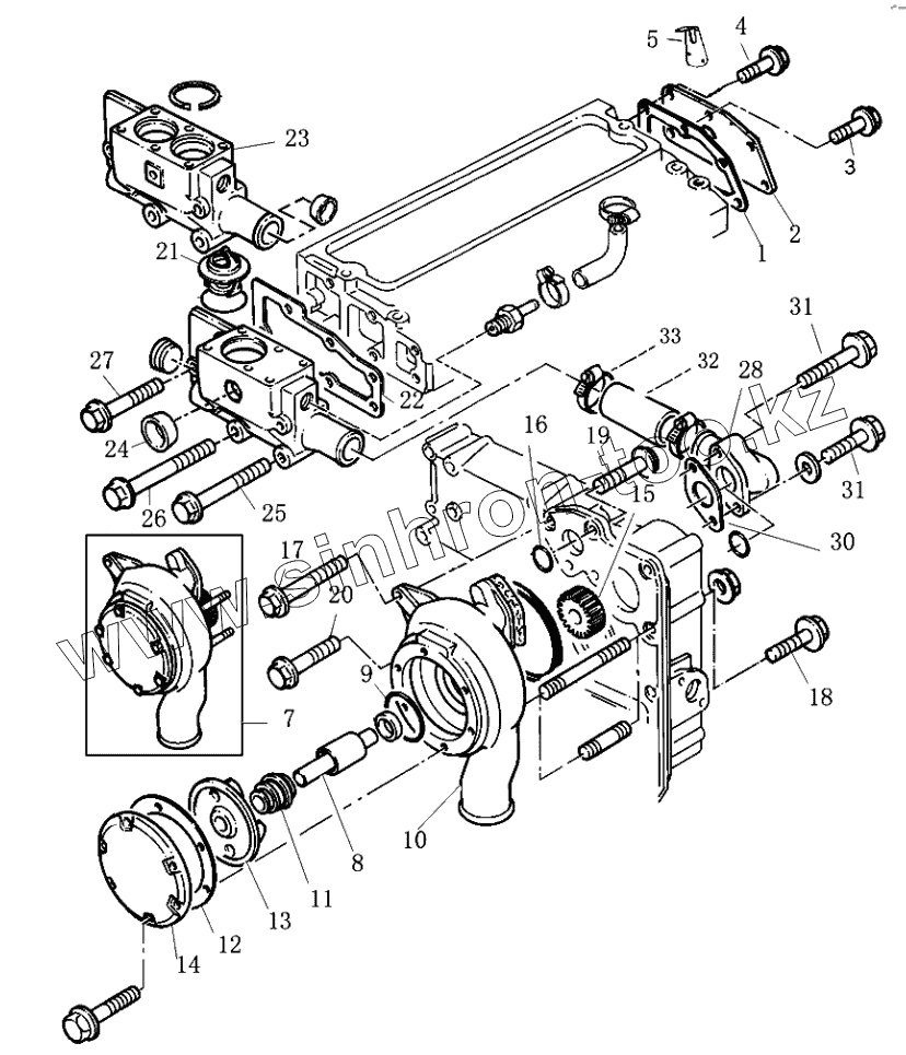
Каталог запасных частей к технике: Foton-BJ1049. Водяной насос и термостат
1
2
3
4
5
7
8
9
10
11
12
13
14
15
16
17
18
19
20
21
22
23
24
25
26
27
28
30
31
31
32
33
| Позиция на иллюстрации | Заводской номер детали | Название детали | |
|---|---|---|---|
| 1 | Т3685R005А | Прокладка | |
| 2 | Т3623К007 | Крышка | |
| 3 | Т2314Н002 | Болт | |
| 4 | Т2314Н003 | Болт | |
| 5 | Т74401047 | Кронштейн | |
| 7 | Т4131Е018 | Насос водяной в сборе | |
| 8 | Т2538624 | Вал | |
| 9 | Т2415В155 | О-образное кольцо | |
| 10 | Т3771D035 | Корпус насоса | |
| 11 | Т2418М006 | Уплотнитель | |
| 12 | Т2418F405 | Сальник | |
| 13 | Т3746Х055 | Рабочее колесо | |
| 14 | Т3755Е001 | Крышка | |
| 15 | Т3117А032 | Шестерня | |
| 16 | Т2415Н494 | О-образное кольцо | |
| 17 | Т2314Н015 | Болт | |
| 18 | Т2314N043 | Болт | |
| 19 | Т2314Н008 | Болт | |
| 20 | Т2314Н006 | Болт | |
| 21 | Т2485613 | Термостат | |
| 22 | Т3685F005А | Прокладка | |
| 23 | Т3771К121Е | Корпус термостата | |
| 24 | Т2431154 | Заглушка | |
| 25 | Т2314J013 | Болт | |
| 26 | Т2314Н015 | Болт | |
| 27 | Т2314Н008 | Болт | |
| 28 | Т3781D041С | Штуцер | |
| 30 | Т3683N004А | Прокладка | |
| 31 | Т2314Н004 | Болт | |
| 32 | Т33854114 | Шланг | |
| 33 | Т0180067А | Хомут |
Содержащиеся в справочниках-каталогах запасные части и детали не предлагаются к продаже, а носят исключительно информационный характер