Вернуться на главную
Поиск
Каталоги запчастей к технике
Грузовые автомобили и прицепы
Foton
Foton-BJ1049
Подъемное устройство запасного колеса
Каталог запасных частей к технике: Foton-BJ1049. Подъемное устройство запасного колеса
zoom-in
zoom-out
enlarge
shrink
circle-right
circle-left
file-text2
info
cart
Тип техники
Не выбрано
Легковые автомобили
Грузовые автомобили и прицепы
Автобусы
Сельхозтехника
Спецтехника
Двигатели
Мототехника
Марка
Не выбрано
BAW
DAF
DongFeng
FAW
Foton
HOWO
Hyundai
IVECO
JAC Motors
LGMG
MAN
Shaanxi
SITRAK
Studebaker
Tata
Volvo
Автокомпонент Плюс
БелАЗ
Брянский Арсенал
ГАЗ
ЗИЛ
КАЗ
Камский автозавод
КрАЗ
Мадара
МАЗ
МЗКТ
МоАЗ
Нефтекамский автозавод
Ставропольский Завод АвтоПрицепов
ТАТРА
Тонар
УралАЗ
ЧМЗАП
Модель
Не выбрано
3253DLPJE-0RZA01 (2015)
4189SLFKA-AEZA01 (2012)
BJ1039, BJ1049 (Aumark III) (2008)
BJ1041, BJ1069 (Ollin) (2008)
BJ1051, BJ1061 (Aumark) (2009)
Foton-BJ1039 (2007)
Foton-BJ1049 (2007)
Foton-BJ1049 (2007)
Foton-BJ1069 (2007)
Foton-BJ1099 (2007)
Foton-BJ3251DLPJB (2007)
Оllin Express I (2008)
Схема
>
Не выбрано
Механизм опрокидывания и фиксации 1-рядной кабины
Механизм опрокидывания и фиксации 1-рядной кабины
Механизм опрокидывания и фиксации 1,5-рядной кабины
Механизм опрокидывания и фиксации 1,5-рядной кабины
Ветровое стекло и аксессуары крыши
Аксессуары передней панели
Облицовка кабины
Брызговик
Пол 1-рядной кабины
Пол 1-рядной кабины
Пол 1-рядной кабины
Пол 1,5-рядной кабины
Пол 1,5-рядной кабины
Пол 1,5-рядной кабины
Панели пола
Стеклоочиститель и стеклоомыватель
Панель приборов
Панель передняя
Панель боковая 1-рядной кабины
Панель боковая 1,5-рядной кабины
Аксессуары боковой панели 1-рядной кабины
Аксессуары боковой панели 1,5-рядной кабины
Панель задняя
Крыша 1-рядной кабины
Крыша 1,5-рядной кабины
Дверь
Стеклоподъемник
Дверной замок
Аксессуары передней двери
Сиденья
Система отопления
Зеркало заднего вида и солнцезащитный козырек
Ремни безопасности, огнетушитель
Таблички фирменные
Подножка
Установка платформы с 1-рядной кабиной
Установка платформы с 1,5-рядной кабиной
Принадлежности платформы
Подвеска силового агрегата
Кожух двигателя
Крышка
Кронштейны для подъема двигателя
Опора двигателя
Заглушка
Шкивы
Масляный насос
Блок цилиндров
Картер масляный
Фильтр масляный
Распределительный вал и шестерни
Коленчатый вал, поршень, шатун
Крышка цилиндров
Ось клапанного коромысла
Картер маховика
Крышка головки цилиндров
Сапун
Комплект прокладок верхней части двигателя
Комплект прокладок нижней части двигателя
Коллектор выпускной
Коллектор выпускной
Патрубок выпускной
Привод акселератора
Впускная система
Топливная система
Топливный насос
Система впрыска топлива
Коллектор впускной
Фильтр топливный
Фильтр топливный
Фильтр топливный
Система выпуска газов
Система выпуска газов
Выхлопной тормоз
Система охлаждения
Система охлаждения
Привод вентилятора
Привод вентилятора
Водяной насос и термостат
Вентилятор
Муфта сцепления
Механизм управления сцеплением
Механизм управления сцеплением
Установка механизма управления переключением передач
Вал промежуточный
Вал первичный
Вал вторичный
Механизм переключения передач
Картер коробки передач
Крышка коробки передач
Вал карданный
Мост задний
Мост задний
Рама
Подвеска передняя
Подвеска задняя
Ось передняя
Ось передняя
Колесо и шина
Подъемное устройство запасного колеса
Управление рулевое
Гидроусилитель рулевого управления
Насос ГУР и вакуумный насос
Педали тормоза и сцепления
Вакуумный усилитель тормозов
Вакуумный усилитель тормозов
Вакуумный усилитель тормозов
Тормозная система
Стояночный тормоз
Установка аккумулятора
Установка аккумулятора
Генератор переменного тока
Стартер
Система освещения
Электрические аксессуары. Реле
Выключатели и реле
Выключатели и реле
Переключатели
Жгут проводов кабины
Жгут проводов шасси
Комбинация приборов и датчик топлива
Датчик давления масла
Термометр и датчик
Акустическая система
Комплект инструментов
Ящик с инструментами
Ящик с инструментами
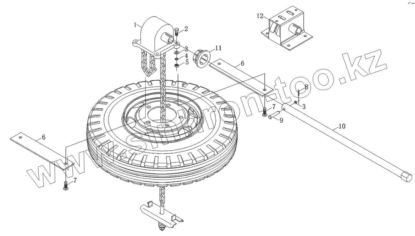
1
2
2
3
3
4
5
6
6
7
7
8
9
10
11
12
Позиция на иллюстрации
Заводской номер детали
Название детали
1S10223150101
1S10223150101
Механизм подъема запасного колеса
1S10333150102
1S10333150102
Механизм подъема запасного колеса
1
1102931500002
Механизм подъема запасного колеса
2
Q150В0820
Болт с шестигранной головкой
2
Q150В0825
Болт с шестигранной головкой
3
Q40108
Плоская шайба
4
Q40308
Шайба пружинная
5
Q340В08
Гайка шестигранная тип 1
6
1102931500004
Резиновая пластина
7
1В15551200026
Пластмассовая кнопка
8
Q5002520
Шплинт
9
Q5100840
Палец
10
1103631500009
Вал
11
1106631500003
Втулка
12
1103631500008
Держатель запасного колеса
Содержащиеся в справочниках-каталогах запасные части и детали не предлагаются к продаже, а носят исключительно информационный характер
Дополнительная информация
×
Название:
Номер:
Примечание: