Каталог запасных частей к технике: Foton-BJ1049. Коленчатый вал, поршень, шатун
1
2
3
4
4
5
5
6
7
8
9
10
11
12
13
14
15
16
17
18
19
20
21
22
23
24
25
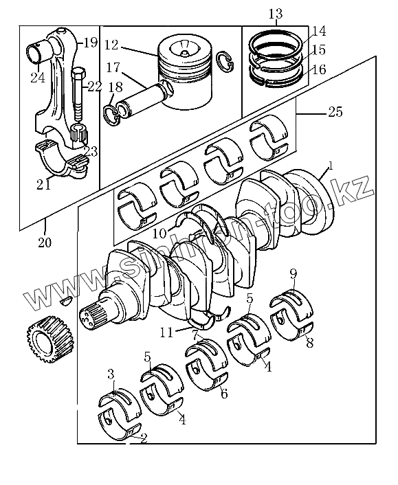
| Позиция на иллюстрации | Заводской номер детали | Название детали | |
|---|---|---|---|
| 1 | Т31315681 | Коленчатый вал | |
| 2 | Т31126391 | Вкладыш | |
| 3 | Т31126381 | Вкладыш | |
| 4 | Т31126391 | Вкладыш | |
| 5 | Т31126381 | Вкладыш | |
| 6 | Т31126371 | Вкладыш | |
| 7 | Т31126361 | Вкладыш | |
| 8 | Т31126391 | Вкладыш | |
| 9 | Т31126381 | Вкладыш | |
| 10 | Т31137551 | Упорная шайба | |
| 11 | Т31137561 | Упорная шайба | |
| 12 | Т3135J181ЕТС | Поршень | |
| 13 | Т4181А026 | Поршневое кольцо | |
| 14 | Т3136J051 | Кольцо компрессионное | |
| 15 | Т3136Х021 | Кольцо компрессионное | |
| 16 | Т3137N021 | Кольцо маслосъемное | |
| 17 | Т3313Т005 | Палец поршня | |
| 18 | Т2721332 | Стопорное кольцо | |
| 19 | Т4115С211 | Шатун в сборе | |
| 20 | Т3133R001 | Шатун | |
| 21 | Т3133V001 | Крышка шатуна | |
| 22 | Т32186142 | Болт | |
| 23 | Т2135А001 | Фиксирующая втулка | |
| 24 | Т3112Е005 | Втулка шатуна | |
| 25 | Т31132011 | Шатунный вкладыш |
Содержащиеся в справочниках-каталогах запасные части и детали не предлагаются к продаже, а носят исключительно информационный характер