Каталог запасных частей к технике: Foton-BJ1039. Гидроусилитель рулевого управления 1S10393400104, 1S10393400105
1
1
2
2
2
2
2
2
2
2
3
3
3
3
3
3
3
3
4
5
6
7
8
9
9
9
10
11
12
13
14
15
16
17
18
19
19
20
20
21
22
22
22
23
24
25
26
27
28
28
29
30
31
32
33
33
34
35
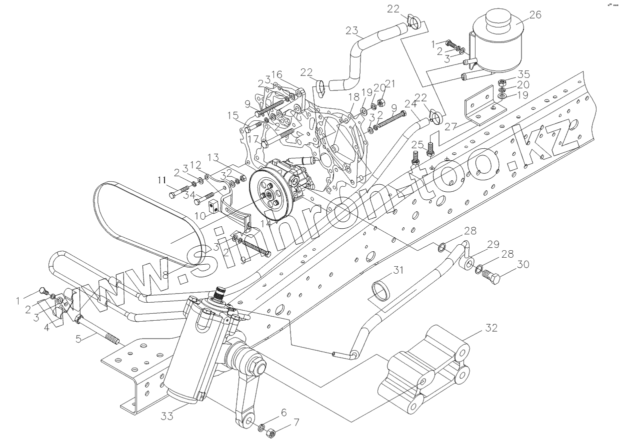
| Позиция на иллюстрации | Заводской номер детали | Название детали | |
|---|---|---|---|
| 1S10393400105 | 1S10393400105 | Рулевой механизм | |
| 1S10393400104 | 1S10393400104 | Рулевой механизм | |
| 1 | Q150В0820 | Болт с шестигранной головкой | |
| 2 | Q40308 | Шайба пружинная | |
| 3 | Q40108 | Плоская шайба | |
| 4 | 1102734000009 | Скоба | |
| 5 | Q150В12110ТF2 | Болт с шестигранной головкой | |
| 6 | Q40512 | Тяжелая пружинная шайба | |
| 7 | Q340В12Т13F2 | Шестигранная гайка | |
| 8 | NV1АV13*860Р | Ремень | |
| 9 | Q150В0880Q | Болт с шестигранной головкой | |
| 10 | 1104934000019 | Крепежная гайка | |
| 11 | Q150В0850 | Болт с шестигранной головкой | |
| 12 | 1104934000018 | Регулировочная рама | |
| 13 | Q340В08Т13F2 | Гайка шестигранная тип 1 | |
| 14 | 1104934000014 | Насос гидроусилителя рулевого управления в сборе | |
| 15 | Q150В0840 | Болт с шестигранной головкой | |
| 16 | 1104934000021 | Усиленный кронштейн | |
| 17 | Q150В1090ТF2 | Болт | |
| 18 | 1104934000020 | Кронштейн насоса гидроусилителя рулевого управления | |
| 19 | Q40110 | Плоская шайба | |
| 20 | Q40310 | Шайба пружинная | |
| 21 | Q340В10Т13F2 | Гайка шестигранная тип 1 | |
| 22 | Q67627 | Хомут червячный | |
| 23 | 1103934000015 | Впускная труба масляного насоса | |
| 24 | 1104934000128 | Трубопровод низкого давления | |
| 25 | Q150В1025 | Болт с шестигранной головкой | |
| 26 | 1103934000013 | Бачок гидроусилителя рулевого управления в сборе | |
| 27 | 1103934000014 | Кронштейн бачка гидроусилителя рулевого управления в сборе | |
| 28 | 1105934000026 | Шайба | |
| 29 | 1103934000018 | Маслопровод высокого давления | |
| 30 | 1102734000019 | Пустотелый болт | |
| 31 | Q67407200 | Хомут стяжной | |
| 32 | 1103934000006 | Кронштейн рулевого механизма | |
| 33 | 1104934000220 | Механизм рулевой с рычагом | |
| 33 | 1103934000008 | Рулевой механизм с рычагом | |
| 34 | Q150В0850ТF2 | Болт с шестигранной головкой | |
| 35 | Q340В10 | Гайка шестигранная тип 1 |
Содержащиеся в справочниках-каталогах запасные части и детали не предлагаются к продаже, а носят исключительно информационный характер