Вернуться на главную
Поиск
Каталоги запчастей к технике
Грузовые автомобили и прицепы
Foton
4189SLFKA-AEZA01
1S42591000201 Engine-thermal shroud, harness
Каталог запасных частей к технике: Foton 4189SLFKA-AEZA01. 1S42591000201 Engine-thermal shroud, harness
zoom-in
zoom-out
enlarge
shrink
circle-right
circle-left
file-text2
info
cart
Тип техники
Не выбрано
Легковые автомобили
Грузовые автомобили и прицепы
Автобусы
Сельхозтехника
Спецтехника
Двигатели
Мототехника
Марка
Не выбрано
BAW
DAF
DongFeng
FAW
Foton
HOWO
Hyundai
IVECO
JAC Motors
LGMG
MAN
Shaanxi
SITRAK
Studebaker
Tata
Volvo
Автокомпонент Плюс
БелАЗ
Брянский Арсенал
ГАЗ
ЗИЛ
КАЗ
Камский автозавод
КрАЗ
Мадара
МАЗ
МЗКТ
МоАЗ
Нефтекамский автозавод
Ставропольский Завод АвтоПрицепов
ТАТРА
Тонар
УралАЗ
ЧМЗАП
Модель
Не выбрано
3253DLPJE-0RZA01 (2015)
4189SLFKA-AEZA01 (2012)
BJ1039, BJ1049 (Aumark III) (2008)
BJ1041, BJ1069 (Ollin) (2008)
BJ1051, BJ1061 (Aumark) (2009)
Foton-BJ1039 (2007)
Foton-BJ1049 (2007)
Foton-BJ1049 (2007)
Foton-BJ1069 (2007)
Foton-BJ1099 (2007)
Foton-BJ3251DLPJB (2007)
Оllin Express I (2008)
Схема
>
Не выбрано
1S42591000201 Engine-cylinder block
1S42591000201 Engine-cylinder block accessory installation
1S42591000201 Engine-cylinder head assembly
1S42591000201 Engine-cylinder liner
1S42591000201 Engine-valve chamber cover
1S42591000201 Engine-oil pan
1S42591000201 Engine-crankshaft
1S42591000201 Engine-vibration damper, crankshaft
1S42591000201 Engine-crank shaft case ventilation pipe
1S42591000201 Engine-crank shaft bearing
1S42591000201 Engine-flywheel
1S42591000201 Engine-flywheel housing
1S42591000201 Engine-flywheel bearing
1S42591000201 Engine-piston rod
1S42591000201 Engine-piston cooling nozzle
1S42591000201 Engine-gear housing
1S42591000201 Engine-idler gear, gear chamber
1S42591000201 Engine-cover plate, gear chamber (FR)
1S42591000201 Engine-accessory drive, gear train (FR)
1S42591000201 Engine-attachment drive belt pulley-1
1S42591000201 Engine-attachment drive belt pulley-2
1S42591000201 Engine-rocker arm chamber
1S42591000201 Engine-joint, intake elbow
1S42591000201 Engine-exhaust bent pipe
1S42591000201 Engine-exhaust manifold installation
1S42591000201 Engine-air compressor
1S42591000201 Engine-air compressor intake installation
1S42591000201 Engine-starting aid heater
1S42591000201 Engine-starting air heating system
1S42591000201 Engine-heater line arrangement
1S42591000201 Engine-drive, fuel pump
1S42591000201 Engine-fuel pipe
1S42591000201 Engine-fuel filter
1S42591000201 Engine-injector assembly
1S42591000201 Engine-engine oil pump
1S42591000201 Engine-engine oil dipstick
1S42591000201 Engine-oil port arrangement
1S42591000201 Engine-water line, oil cooler
1S42591000201 Engine-oil filter
1S42591000201 Engine-oil filter seat
1S42591000201 Engine-oil pressure switch
1S42591000201 Engine-anti-corrosion water filter
1S42591000201 Engine-air compressor cooling water pipe
1S42591000201 Engine-water pump assembly
1S42591000201 Engine-water temperature thermostat
1S42591000201 Engine-thermostat housing
1S42591000201 Enginge-fan
1S42591000201 Engine-fan drive
1S42591000201 Engine-generator
1S42591000201 Engine-generator installation
1S42591000201 Engine-generator drive
1S42591000201 Engine-engine label
1S42591000201 Engine-engine control module
1S42591000201 Engine-nameplate, engine
1S42591000201 Engine-front support for engine
1S42591000201 Engine-parts for engine transportation
1S42591000201 Engine-engine brake
1S42591000201 Engine-engine brake installation
1S42591000201 Engine-starter
1S42591000201 Engine-mounting bolt, starter
1S42591000201 Engine-gasket, power steering pump
1S42591000201 Engine-electronic accessories
1S42591000201 Engine-hanger
1S42591000201 Engine-harness, control module
1S42591000201 Engine-manual hole cover
1S42591000201 Engine-follower lever, camshaft
1S42591000201 Engine-camshaft assembly
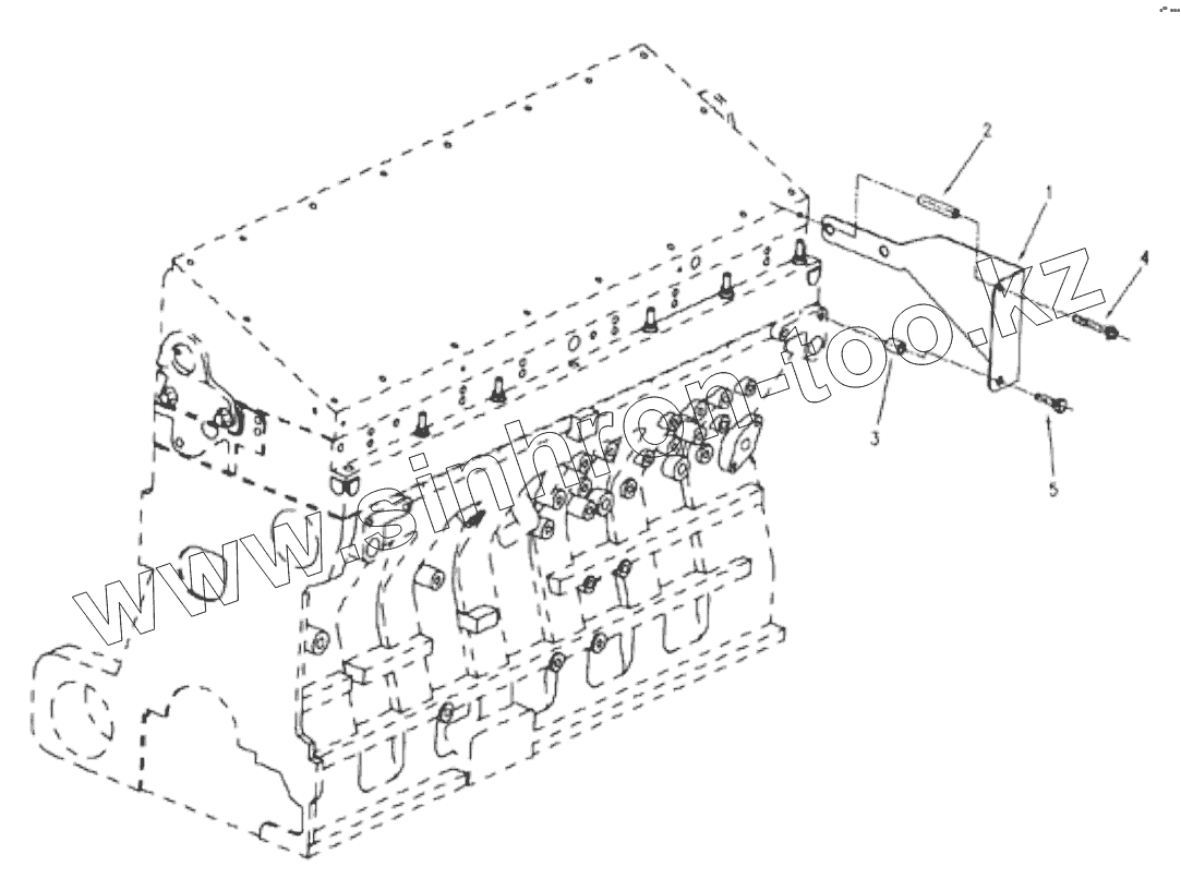
1S42591000201 Engine-thermal shroud, harness
1S42591000201 Engine-booster
1S42591000201 Engine-booster piping-1
1S42591000201 Engine-booster piping-2
1S42591000201 Engine-nameplate-1
1S42591000201 Engine-nameplate-2
1S42591000201 Engine-name plate
1S41891100501 Fuel system (800L,4X2,ISMe,8mm)
1S41891100501 Fuel system (800L,4X2,ISMe,8mm)
1S41891191201 High-mounted intake pipe device
1S41891200601 Exhaust system-1
1S41891200601 Exhaust system-1
1S41891250201 Exhaust purifying device
1S41891250201 Exhaust purifying device
1S41891250201 Exhaust purifying device
1S41891250201 Exhaust purifying device
1S41891193201 Inter-cooler device
1S42591300401 Cooling system
1S42591300401 Cooling system
1S42591300401 Cooling system
1S41891010201 Powertrain suspension (ISMe345 40)
1S425316100H1 Clutch
1S41891620001 Clutch control device
1S41891170201 Acceleration transmision device-cab
1S42591721901 Gearbox control mechanism
1S42591731901 Transmission control mechanism
1S41891750002 Gearbox mounting
1S41891710701 Transmission assembly-clutch structure
1S41891710701 Transmission assembly-cylinder block assembly
1S41891710701 Transmission assembly-gear shift cover assembly-1
1S41891710701 Transmission assembly-gear shift cover assembly
1S41891710701 Transmission assembly-input shaft assembly
1S41891710701 Transmission assembly-countershaft assembly
1S41891710701 Transmission assembly-auxiliary countershaft and bearing
1S41891710701 Transmission assembly-main shaft assembly
1S41891710701 Transmission assembly-output shaft and synchronizer assembly
1S41891710701 Transmission assembly-secondary gearbox assembly
1S41891710701 Transmission assembly-secondary gearbox driving gear assembly
1S41891710701 Transmission assembly-main transmission body assembly
1S41891710701 Transmission assembly-reverse gear idle gear assembly
1S41891710701 Transmission assembly-gear shift controller assembly
1S41891710701 Transmission assembly-gear shift handle assembly
1S41891710701 Transmission assembly-servo valve and pressure adjusting filter assembly
1S41832201701 Propeller shaft
1S42492400103 Rear axle-final drive, single axle
1S42492400103 Rear axle-single stage axle housing
1S42492400103 Rear axle-single stage axle wheel reducer
1S42593000011 Front axle-front axle assembly
1S42593000011 Front axle-tie rod assembly
1S42593000011 Front axle-hub and brake drum assembly
1S42593000011 Front axle-front axle and knuckle assembly
1S42593000011 Front axle-brake assembly
1S41893119201 Wheel and tyre
1S41892800701 Frame assembly (high-speed model, family 6, 800L fuel tank)
1S41892920202 Front suspension (matching Cummins engine)
1S41892920202 Front suspension (matching Cummins engine)
1S41892950203 Rear suspension
1S41893400201 Steering gear and accessories
1S41893400201 Steering gear and accessories
1S41893420701 Steering drive mechanism (only for luxury light-duty)
1S4189356A001 Brake pipe line-relay valve module (non-ABS)
1S4189356B001 Brake pipe-differential valve assembly
1S41893560020 Brake pipeline-chassis (non-ABS)
1S41893560020 Brake pipeline-chassis (non-ABS)
1S41893560020 Brake pipeline-chassis (non-ABS)
1S41893560020 Brake pipeline-chassis (non-ABS)
1S41893560020 Brake pipeline-chassis (non-ABS)
1S41893560020 Brake pipeline-chassis (non-ABS)
1S41893563002 Brake pipe-air cylinder assembly (aluminium alloy)
1S41893563002 Brake pipe-air cylinder assembly (aluminium alloy)
1S41893563002 Brake pipe-air cylinder assembly (aluminium alloy)
1S41893561001 Brake pipe-air compressor to dryer assembly
1S4189356F001 Brake piping-drier module
1S41893564002 Brake line-quick release valve module (non-ABS)
1S41893568001 Brake line-trailer valve module
1S41893530002 Parking brake control mechanism-cab (high roof)
1S41893562001 Brake pipe line-high roof cabin assembly
1S42593590202 Brake line-body (harness system)
1S41893610203 Battery
1SB2483741903 Body harness
1SB2483741903 Body harness
1SB2483741903 Body harness
1SB2483741903 Body harness
1S41893620711 Chassis harness
1S41893620711 Chassis harness
1S41893620711 Chassis harness
1S41893620711 Chassis harness
1S41893620711 Chassis harness
1SB2483710001 Front part lamp device-body part
1S42593640001 Front lamps-chassis
1S41893650001 Rear lamps-chassis
1S41893650001 Rear lamps-chassis
1S41893600201 Electronic device
1S41893680201 Electronic control unit
1SB2483810105 Bus instrumentation (for deluxe model)
1S41893670501 Signal device-chassis part
1SB2483770201 Signal device-body parts
1SB2488110402 Heating unit (heater)
1SB2488110402 Heating unit (heater)
1SB2485250001 Wiper and washer
1SB2483730807 Switch-body parts-1
1SB2483730807 Switch-body parts-2
1SB2483730807 Switch-body parts-3
1S41893660202 Switch-chassis part
1SB2487910202 Audible device
1SB2487910202 Audible device
1SB2487910202 Audible device
1SB2483780202 Electric accessories
1SB2485000404 Body shell (body shell assembly)
1SB2485000404 Body shell (floor welded assembly)
1SB2485000404 Body shell (roof weldment assembly)
1SB2485000404 Body shell (welded rear assembly)
1SB2485000404 Body shell (rear wall upper stiffening beam inner panel assembly, exhaust pipe guide)
1SB2485000404 Body shell (front wall weldment assembly)
1SB2485000404 Body shell (welded left door frame upper beam assembly, welded right door frame upper beam assembly)
1SB2485310002 Exterior trims, wall (FR and RR)
1SB2485320011 Interior trims, wall (FR and RR)
1SB2488310401 Bumper
1SB2488310401 Bumper
1SB2488310401 Bumper
1S41894031201 Anticollision bar and draw gear (FR) (for H4 Cummins only)
1SB2485410401 Exterior trim, side wall
1SB2485410401 Exterior trim, side wall
1SB2485420001 Interior trim, side wall
1SB2485050002 Body external packing (long body, high top, exported vehicle)
1SB2488210002 Rear-view mirror
1SB2486100401 Front side door (high-floor, advanced configuration)
1SB2486100401 Front side door (high-floor, advanced configuration)
1SB2486100401 Front side door (high-floor, advanced configuration)
1SB2486100401 Front side door (high-floor, advanced configuration)
1SB2485710001 Top exterior trim
1SB2485720001 Roof inner trim
1SB2485350411 Instrument panel
1SB2485350411 Instrument panel
1SB2485350411 Instrument panel
1SB2486810001 Seat
1SB2487040402 Sleeper device
1SB2487040402 Sleeper device
1SB2498250101 Fire extinguisher
1S41893540002 Pedal and shackle
1SB2488450401 Step board
1SB2485450401 Footboard, body
1SB2485120402 Floor trim parts
1S42591020401 Sound arrester
1SB2485130402 Soundproof, insulating, damping, sealing devices
1SB2485130402 Soundproof, insulating, damping, sealing devices
1SB248502A401 Front mounting system, body
1SB248502A401 Front mounting system, body
1SB248502B401 Rear mounting and locking system, body
1SB248502C402 Tilting system, body
1SB248502C402 Tilting system, body
1S41893150201 Spare tire installation mechanism (run-flat tire rack for H4)
1SB2488430403 Wheel mud guard
1SB2488710001 Body-in-white spray coating and sealing
1SB2485060028 Body logo (TL 1842)
1SB2485430401 Wheel fender, body
1S42593910001 Driver tools assembly (H4 Benz axle)
1S32533940001 Name plate
1S41893120501 Wheel cover
1S41894260202 Walking board
1S42591192401 Air filter device
1SB2483750201 Relay controller and body bus
1SB2483790202 Recorder
1SB2483820301 Controller, bus
1SB2485210002 Windshield (FR and RR)
1SB2485730001 Overhead file cabinet
1SB2488130102 Independent heat source unit
SH2025
1
2
3
4
5
Позиция на иллюстрации
Заводской номер детали
Название детали
SH2025
SH2025
Thermal shroud, harness
1
4974416
Heat insulation board
2
4974226
Mounting block
3
4974227
Mounting block
4
3920115
Hexagon Flange bolt
5
3820988
Hexagon head bolt
Содержащиеся в справочниках-каталогах запасные части и детали не предлагаются к продаже, а носят исключительно информационный характер
Дополнительная информация
×
Название:
Номер:
Примечание: