Каталог запасных частей к технике: FAW CA 5250 (JSQP64K1T1E4). Система охлаждения
1
2
3
4
4
4
4
5
5
5
6
7
8
9
9
9
9
9
9
10
11
11
11
12
13
14
15
16
16
17
18
19
19
20
21
22
23
24
25
25
25
25
25
25
26
27
28
29
30
30
31
32
33
34
35
36
37
38
39
40
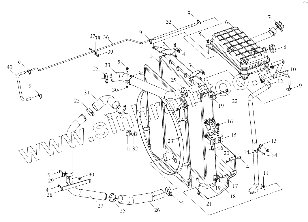
| Позиция на иллюстрации | Заводской номер детали | Название детали | |
|---|---|---|---|
| 1 | 1301010-41А | Радиатор в сборе | |
| 2 | 1311080-41А | Правый кронштейн расширительного бачка в сборе | |
| 3 | 1311085-41А | Правый кронштейн расширительного бачка в сборе | |
| 4 | CQ1420820 | Болт | |
| 5 | CQ1460825 | Болт | |
| 6 | 1311020-50А | Расширитель в сборе | |
| 7 | 1311010-50А | Крышка горловины для наливания воды в сборе | |
| 8 | 1304010-50А | Напорная крышка в сборе | |
| 9 | CQ67616 | Хомут | |
| 10 | 1311031-41А | Дренажный шланг радиатора | |
| 11 | CQ67635B | Хомут | |
| 12 | 1311034-41А | Водовозвратный шланг расширительного бачка | |
| 13 | 1311065-41А | Держатель возвратного водопровод а расширительного бачка в сборе | |
| 14 | Q68830 | Однотрубный хомут | |
| 15 | 1302030-20А | Подкладка подвески радиатора в сборе | |
| 16 | CQ1461025 | Болт | |
| 17 | CQ1461045 | Комбинированный болт | |
| 18 | 1310010-40А | Защитная решетка в сборе | |
| 19 | CQ32610 | Шестигранная гайка | |
| 20 | CQ31008 | Квадратная гайка | |
| 21 | CQ1460816 | Болт | |
| 22 | CQ1461055 | Комбинированный болт | |
| 23 | 1309010-40А | Воздухоотражатель вентилятора в сборе | |
| 24 | CQ1460820 | Установочное место для болта | |
| 25 | CQ67670B | Лирка червячного рукава типа В | |
| 26 | 1303031-41А | Водоотводящий шланг радиатора | |
| 27 | 1303036-365 | Водоотводящий патрубок радиатора | |
| 28 | 1303045-365 | Держатель водоотводящего патрубка радиатора в сборе | |
| 29 | 1303043K1H | Хомут крепления водоотводящего патрубка радиатора | |
| 30 | CQ34008 | Гайка | |
| 31 | 1303034-365 | Водоподводящий шланг двигателя | |
| 32 | 1311038-41А | Пробка возвратного водопровода двигателя | |
| 33 | 1303011-41А | Водоподводящий шланг радиатора | |
| 34 | 1303044K1H | Однотрубный хомут с защитной втулкой в сборе | |
| 35 | 1311036-41А | Передний дренажный шланг двигателя | |
| 36 | 1311037-41А | Гнутье выпуска воздуха из двигателя | |
| 37 | CQ1460625 | Болт | |
| 38 | Q68808 | Однотрубный хомут | |
| 39 | 1311027-41А | Сухарь | |
| 40 | 1311039-41А | Задний дренажный рукав двигателя |
Содержащиеся в справочниках-каталогах запасные части и детали не предлагаются к продаже, а носят исключительно информационный характер