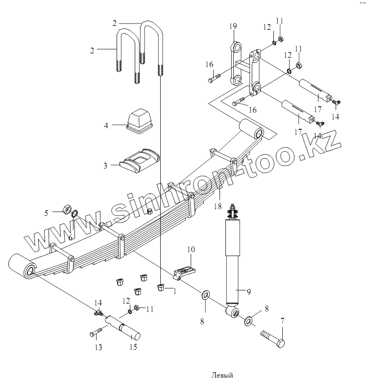
Каталог запасных частей к технике: FAW CA 5250 (JSQP64K1T1E4). Передняя подвеска
1
2
2
3
4
5
6
7
8
8
9
10
10
11
11
11
12
12
12
13
14
14
14
15
15
16
16
17
17
18
18
18
18
18
18
18
18
18
18
18
18
18
18
18
18
18
18
18
19
19
19
| Позиция на иллюстрации | Заводской номер детали | Название детали | |
|---|---|---|---|
| 1 | 2902413-76А | Гайка - для крепления U - образного болта | |
| 2 | 2902411-228 | Стремянка передней рессоры | |
| 3 | 2902406-40В1 | Перекрышка - передняя рессора | |
| 4 | 2902432-40 | Подушка передней рессоры | |
| 5 | CQ34116 | Гайка | |
| 6 | Q40316 | Пружинная шайба | |
| 7 | CQ15116140T | Шестигранный направляющий болт | |
| 8 | Q40216 | Шайба | |
| 9 | 2905010-48А-С00 | Передний амортизатор в сборе | |
| 10 | 2905415-403 | Левая нижняя опора-передний амортизатор | |
| 10 | 2905420-403 | Правая нижняя опора в сборе - передний амортизатор | |
| 11 | CQ34112 | Гайка | |
| 12 | Q40312 | Пружинная шайба | |
| 13 | CQ1511275 | Болт | |
| 14 | CQ70145 | Смазочный патрубок | |
| 15 | 2902471-116 | Штифт | |
| 15 | 2902471-46А | Штифт кронштейна передней рессоры | |
| 16 | CQ1511280 | Болт | |
| 17 | 2902481-50А | Палец - опора передней рессоры | |
| 18 | CQ35010 | Гайка | |
| 18 | 2902201В46А | Первый лист передней рессоры | |
| 18 | CQ15010115 | Болт | |
| 18 | 2912171-03 | Промежуточная трубка | |
| 18 | 2912131-51А | Скоба | |
| 18 | 2913131А243 | Скоба | |
| 18 | CQ34114 | Гайка | |
| 18 | 2912161-9L | Центральный болт - задняя рессора | |
| 18 | 2912121-03 | Втулка подвесной серьги передней рессоры | |
| 18 | 2902212В46А | Десятый лист передней рессоры | |
| 18 | 2902211В46А | Девятый лист передней рессоры | |
| 18 | 2902209В46А | Восьмой лист передней рессоры | |
| 18 | 2902208В46А | Седьмой лист передней рессоры | |
| 18 | 2902207В46А | Шестой лист передней рессоры | |
| 18 | 2902206В46А | Пятый лист передней рессоры | |
| 18 | 2902204В46А | Четвертый лист передней рессоры | |
| 18 | 2902203В46А | Третий лист передней рессоры | |
| 18 | 2902202В46А | Второй лист передней рессоры | |
| 18 | 2902010В46А | Передняя рессора в сборе | |
| 19 | 2902466-50А | Подъемное кольцо - передняя рессора | |
| 19 | 2913131А243 | Скоба | |
| 19 | 2912131-51А | Скоба |
Содержащиеся в справочниках-каталогах запасные части и детали не предлагаются к продаже, а носят исключительно информационный характер