Каталог запасных частей к технике: FAW CA 4250 P66K24T1E. Energy Supply Module, Air Brake
Q1841470T
CQ1500885
CQ1500885
CQ32608
CQ32608
CQ1501225
CQ34012
Q40312
Q151C1230
Q40312
CQ32614
CQ1501225
CQ32614
Q1841465T
Q1841445T
Q40312
CQ34012
CQ32610
1
1
1
2
2
2
2
2
2
3
3
3
4
4
4
5
6
7
8
8
9
9
10
10
11
11
11
11
12
12
12
12
12
13
13
14
14
15
16
17
17
18
18
19
20
21
22
23
24
25
26
27
28
29
30
31
32
33
34
35
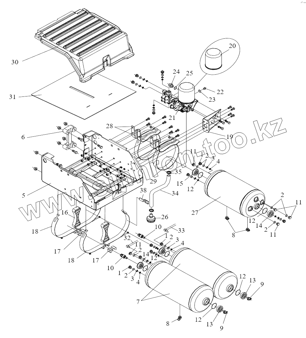
| Позиция на иллюстрации | Заводской номер детали | Название детали | |
|---|---|---|---|
| Q1841470T | Q1841470T | Болт с шестигранной головкой, фланцевой поверхностью и толстым стержнем | |
| CQ1500885 | CQ1500885 | Шестигранный болт | |
| CQ32608 | CQ32608 | Шайба | |
| CQ1501225 | CQ1501225 | Болт | |
| CQ34012 | CQ34012 | Гайка | |
| Q40312 | Q40312 | Пружинная шайба | |
| Q151C1230 | Q151C1230 | Шестигранный нитевидный болт | |
| Q40312 | Q40312 | Пружинная шайба | |
| CQ32614 | CQ32614 | Гайка | |
| CQ1501225 | CQ1501225 | Болт | |
| CQ32614 | CQ32614 | Гайка | |
| Q1841465T | Q1841465T | Hexagon head flange bolt | |
| Q1841445T | Q1841445T | Болт | |
| Q40312 | Q40312 | Пружинная шайба | |
| CQ34012 | CQ34012 | Гайка | |
| CQ32610 | CQ32610 | Шестигранная гайка | |
| 1 | 3513406-50A | Гайка | |
| 2 | 3513408-50A | Уплотнительное кольцо | |
| 3 | 3513407-50A | Фиксирующее кольцо | |
| 4 | 3513403-50A | Фасонное уплотнительное кольцо | |
| 5 | 3513800-50A | Баллон и стойка аккумулятора в сборе | |
| 6 | 3513824-60A | Сухарик - для крепления модуля ресивера | |
| 7 | 3513020-73A | Ресивер | |
| 8 | 3513100-240 | Клапан слива воды | |
| 9 | 3506700-240 | Проверочный штуцер | |
| 10 | 3757010-50A | Датчик сигнализации о низком давлении | |
| 11 | 3506421-50A | Заглушка | |
| 12 | 3513028-73A | Уплотнительное кольцо | |
| 13 | 3513027-73A | Переходной штуцер | |
| 14 | 3513026-73A | Переходной штуцер | |
| 15 | 3513027-795 | Пробка | |
| 16 | 3513411-76A | Перегородка ресивера | |
| 17 | 3513094-50A | Клин - бандажная лента в сборе | |
| 18 | 3513090-50A | Бандажная лента в сборе - ресиверы переднего и заднего тормозов | |
| 19 | 3515012-56A | Стойка - секция для обработки воздуха | |
| 20 | 3511020-50A | Воздушный сушильный резервуар в сборе | |
| 21 | 3515020-73A | Блок обработки воздуха | |
| 22 | 3515421-55A | Резьбовая пробка | |
| 23 | CQ734190B | О - образное резиновое кольцо для гидравлической | |
| 24 | 3506204-50A | Элемент пневмопровода со штуцером | |
| 25 | CQ7341180B | О-образное резиновое уплотнительное кольцо | |
| 26 | 3515025-55A | Exhaust pipe, air supply unit | |
| 27 | 3513215-54A | Двухполостной ресивер в сборе | |
| 28 | 3513086-333 | Стойка - ресивер | |
| 29 | 3513095-240 | Петля парковочного воздушного резервуара | |
| 30 | 3513801-50A | Перекрышка - баллон и стойка аккумулятора | |
| 31 | 3513807-240 | Резиновый амортизатор аккумулятора | |
| 32 | 3506235-73A | Воздухопроводный рукав в сборе - отверстие 22 секции обработки воздуха | |
| 33 | 3506250-73A | Воздухопроводный рукав в сборе - отверстие 21 секции обработки воздуха | |
| 34 | 3515026-54A | Exhaust pipe, air handling unit | |
| 35 | CQ67645B | Хомут | |
| 36 | 3515428-50A | Bracket-exhaust pipe, air supply unit |
Содержащиеся в справочниках-каталогах запасные части и детали не предлагаются к продаже, а носят исключительно информационный характер