Вернуться на главную
Поиск
Каталоги запчастей к технике
Грузовые автомобили и прицепы
FAW
CA 4250 P66K24T1E
Air Duct
Каталог запасных частей к технике: FAW CA 4250 P66K24T1E. Air Duct
zoom-in
zoom-out
enlarge
shrink
circle-right
circle-left
file-text2
info
cart
Тип техники
Не выбрано
Легковые автомобили
Грузовые автомобили и прицепы
Автобусы
Сельхозтехника
Спецтехника
Двигатели
Мототехника
Марка
Не выбрано
BAW
DAF
DongFeng
FAW
Foton
HOWO
Hyundai
IVECO
JAC Motors
LGMG
MAN
Shaanxi
SITRAK
Studebaker
Tata
Volvo
Автокомпонент Плюс
БелАЗ
Брянский Арсенал
ГАЗ
ЗИЛ
КАЗ
Камский автозавод
КрАЗ
Мадара
МАЗ
МЗКТ
МоАЗ
Нефтекамский автозавод
Ставропольский Завод АвтоПрицепов
ТАТРА
Тонар
УралАЗ
ЧМЗАП
Модель
Не выбрано
Altay-3310 (2009)
CA 3250 P66K2T1E5 (2017)
CA 3250 серии J6 (2012)
CA 3310 серии J6 (2012)
CA 4250 P66K24T1E (2017)
CA 5250 (GJBP66K2T1E4) (2014)
CA 5250 (JSQP64K1T1E4) (2014)
CA-1083 (2007)
CA-3250-P66K2L0BT1E4Z (2018)
CA-3250-P66K2L1BT1E4Z (2018)
CA-3250-P66K2L2BT1E4Z (2018)
CA-3252 (2005)
CA-3252 (P2K2BT1A) (2008)
CA-3252 (P2K2T1A) (2009)
CA-3312 (P2K2B2T4A2Z) (2011)
CA-3312 (P2K2LT4E) (2008)
CA-4180 (P66K22A) (2008)
CA-4180 (P66K2A) (2008)
CA-4250 (P66K22T1A1EX) (2008)
CA-4250 (P66K24T1E5) (2017)
CA-4250 (P66K2T1A1EX) (2008)
CA3250 (P66K24L1TE5Z) (2022)
CA3250 (P66K24T1E5) (2022)
CA3251 (P66K2L2T1E5Z) (2017)
CA3310 (P66K24T4E5) (2017)
CA3311 (2020)
CA4180 (P77K25E5) (2022)
Схема
>
Не выбрано
Engine Mounting
Rear Mounting, Powertrain
Engine (Left Side View)
Engine (Right Side View)
Cylinder Block Set
Cylinder Block Assembly
Cylinder Head Component
Cylinder Head Assembly
Cylinder Head Cover Assembly
Tensioner
Turbocharging System
Power Steering Oil Pump
Air Compressor (I)
Air compressor (II)
A/C Compressor
Piston and Connecting Rod
Crankshaft and Flywheel
Camshaft
Powertrain
Air Distribution System
Exhaust Manifold
Exhaust System
Exhaust Brake Valve Component
Engine Oil Pan
Oil Collector
Engine Oil Pump
Pressure Regulating Valve
Oil Filter
Oil Cooler Valve
Crankcase Ventilation
Centrifugal Oil Filter
Fuel Supply System (I)
Fuel Supply System (II)
Fuel Supply System (III)
Fuel Supply System (IV)
Fuel Supply System (V)
Secondary Fuel Filter
Fuel Tank and Fuel Pipeline
Primary Fuel Filter
Expansion Tank, Filler Cap, Expansion Tank Support, Lines
Drain Cock
Thermostat, Thermostat Cover, Minor Cycle Connection Tube
Water Pump
Fan and Fan Clutch
Radiator, Pipeline, and Fan Shroud
Intercooler, Line, Mounting, Backstop
Air Filter
Air Heater
Alternator and Bracket
Starter Motor
Harness, Engine
Engine Electric Logic Assembly
Clutch
Clutch Operation System
Clutch & Transmission Housings
Clutch Release Fork and Bracket
Input Shaft
Output shaft
Countershaft (LH, RH)
Reverse Gear
Auxiliary Transmission Drive Gear
Countershaft, Auxiliary Gearbox (FR, LH)
Mainshaft, Auxiliary Transmission
Shell, Auxiliary Gearbox
Auxiliary Transmission Case Gears
Valve, Hose and Connection Components
Upper Cover
Roof Cover
Shift Control Mechanism
Intermediate Axle Drive Shaft
Rear Axle Drive Shaft
Rear Axle
Intermediate Axle
Front Shaft and Steering Tie Rod
Drag Link
Steering Control and Drive
Power Steering Line
Hub and Brake Drum, Wheel (FR)
Hub and Brake Drum, Wheel (RR)
Front Axle Brake
Middle Axle Brake
Rear Axle Brake
Brake Line (I)
Brake Line (II)
Auxiliary Air Reservoir
Energy Supply Module, Air Brake
Brake Pedal with Brake Valve and Clutch Brake with Clutch Master Cylinder
Control Unit, ABS
Electrical Equipment, Cab
Electrical Equipment, Chassis
Fuse Case Assembly with Relays
Power Supply Distribution Box with Electrical Equipment
Power supply distribution box with electrical equipment
Frame and Bracket Assembly
Working Ladder
Trailer Bench
Cab
Floor insulation pad
Blocked Floor
Plug and Waterpro of Membrane, Front Wall
Side Wall Tool Box
Lock and Cable, Side Wall Tool Box
Bumper (FR) (I)
Bumper (FR) (II)
Footboard and Mud Guard (FR)
Mud Guard (RR)
Side Baffle, Engine
Fender (UPR), Mud Guard (UPR) and Three-Stage Footboard (I)
Fender (UPR), Mud Guard (UPR) and Three-Stage Footboard (II)
Fender (UPR), Mud Guard (UPR) and Three-Stage Footboard (III)
Air Grille
Hole Plug, Rear Wall
Mud Guard (RR)
Wiper
Front Windscreen Glass
Washer
Side Window Glass
Glass, Rear Window
Instrument Panel (I)
Instrument Panel (II)
Instrument Panel (III)
Instrument Panel (IV)
Instrument Panel Component (V)
Instrument Panel Component (VI)
Instrument Panel Component (VII)
Overhead Box Component (I)
Overhead Box Component (II)
Overhead Box Component (III)
Overhead Box Component (IV)
Overhead Box Component (V)
Overhead Box Component (VI)
Overhead Box Component (VII)
Side Wall Guard Board and Get On/Off Armrest Assembly (I)
Side Wall Guard Board and Get On/Off Armrest Assembly (II)
Side Wall Guard Board and Get On/Off Armrest Assembly (III)
Side Wall Guard Board and Get On/Off Armrest Assembly (IV)
Rear Wall Facing (I)
Rear Wall Facing (II)
Roof Finisher Set (I)
Roof Finisher Set (II)
Roof Finisher Set (III)
Roof Finisher Set (IV)
Roof Finisher Set (V)
Roof Finisher Set (VI)
Carpet Set
Gearshift Protective Sleeve
Berth Set (LWR) (I)
Berth Set (LWR) (II)
Berth (UPR) (I)
Berth (UPR) (II)
Sun Visor (FR)
Armrest, Door
Door (FR)
Finisher (LWR), Door
Door Interior Trim Parts
Door Lock Mechanism
Lock Ring, Dowel Pin Boss and Door Outer Seal
Seal, Door
Door Limiter
Outside Rear-View Mirror (LH)
Outside Rear-View Mirror (RH)
Driver's Seat
Front Seat
Air Conditioning Equipment
Outside Air Filter
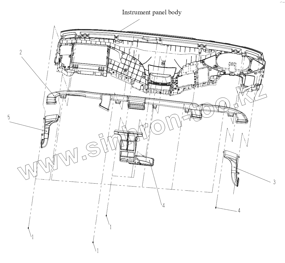
Air Duct
Evaporator and Condenser Assembly
Condenser Assembly
Freon Duct
Heater Water Pipe
Driver Tool
1
1
1
2
3
4
4
5
Позиция на иллюстрации
Заводской номер детали
Название детали
1
CQ2214216F6
Phillips pan head self-tapping screw and plain washer subassembly
2
8102010-B27-C00
Air channel assembly
3
8102065-B27-C00
Left door defroster transition duct assembly
4
8102050-B27-C00
Central transition air channel assembly
5
8102070-B27-C00
Right door defroster transition duct assembly
Содержащиеся в справочниках-каталогах запасные части и детали не предлагаются к продаже, а носят исключительно информационный характер
Дополнительная информация
×
Название:
Номер:
Примечание: