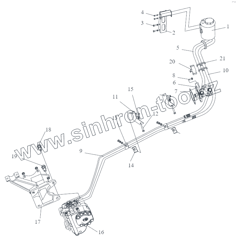
Каталог запасных частей к технике: FAW CA-4250 (P66K24T1E5). Трубопроводы гидроусилителя руля
CQ34008
CQ67527B
3406321А8Е
3406024А50А
3506263-271
3406021-91
3406321А8Е
Q40314
CQ34014
Q40308
3406321-74А
3406021-74А
CQ67535B
Q40320
Q40308
Q1841655T
Q40310
CQ32616
1
2
3
4
5
6
7
8
9
10
11
12
13
14
15
16
17
18
19
20
21
| Позиция на иллюстрации | Заводской номер детали | Название детали | |
|---|---|---|---|
| CQ34008 | CQ34008 | Гайка | |
| CQ67527B | CQ67527B | Червячный хомут для шланга типа B | |
| 3406321А8Е | 3406321А8Е | Комбинированная уплотнительная шайба | |
| 3406024А50А | 3406024А50А | Штуцер рулевого механизма с гидроусилителем | |
| 3506263-271 | 3506263-271 | Втулка (гильза) с резьбой | |
| 3406021-91 | 3406021-91 | Пустотелый болт | |
| 3406321А8Е | 3406321А8Е | Комбинированная уплотнительная шайба | |
| Q40314 | Q40314 | Пружинная шайба | |
| CQ34014 | CQ34014 | Гайка | |
| Q40308 | Q40308 | Пружинная шайба | |
| 3406321-74А | 3406321-74А | Комбинированная уплотнительная шайба | |
| 3406021-74А | 3406021-74А | Пустотелый болт | |
| CQ67535B | CQ67535B | Червячный хомут для шланга типа B | |
| Q40320 | Q40320 | Пружинная шайба | |
| Q40308 | Q40308 | Пружинная шайба | |
| Q1841655T | Q1841655T | Болт | |
| Q40310 | Q40310 | Пружинная шайба | |
| CQ32616 | CQ32616 | Гайка | |
| 1 | 3408010-75С | Масляный резервуар гидроусилителя руля в сборе | |
| 2 | 3408020-57В | Кронштейн в сборе | |
| 3 | CQ1501025 | Болт | |
| 4 | CQ1500820 | Болт | |
| 5 | 3406010-82V | Подводящий топливопровод | |
| 6 | 3407020-93W-C00 | Масляный насос гидроусилителя руля в сборе | |
| 7 | 3407024-26D | Уплотнительная прокладка гидравлического насоса | |
| 8 | Q1841030 | Болт | |
| 9 | 3406030-82V | Трубопровод высокого давления в сборе | |
| 10 | 3406440-68U | Возвратный маслопровод в сборе | |
| 11 | 3406112-68U | Кронштейн маслопровода | |
| 12 | CQ1501430 | Шестигранный направляющий болт | |
| 13 | 3406028-362 | Зажимная крышка двойной трубы | |
| 14 | 3406029-362 | Зажим нижней двойной трубы | |
| 15 | CQ1500845 | Болт | |
| 16 | 3411010А50А | Силовой инфлектор в сборе | |
| 17 | 3403016-90U | Держатель рулевого механизма | |
| 18 | CQ1512050T | Болт | |
| 19 | Q1841645T | Шестигранный фланцевый болт | |
| 20 | 3506432-40А | Кронштейн трубного пучка передка кузова | |
| 21 | Т67414376 | Пластиковый крепежный ремешок |
Содержащиеся в справочниках-каталогах запасные части и детали не предлагаются к продаже, а носят исключительно информационный характер