Вернуться на главную
Поиск
Каталоги запчастей к технике
Грузовые автомобили и прицепы
FAW
CA-4250 (P66K22T1A1EX)
Секция управления двигателем
Каталог запасных частей к технике: FAW CA-4250 (P66K22T1A1EX). Секция управления двигателем
zoom-in
zoom-out
enlarge
shrink
circle-right
circle-left
file-text2
info
cart
Тип техники
Не выбрано
Легковые автомобили
Грузовые автомобили и прицепы
Автобусы
Сельхозтехника
Спецтехника
Двигатели
Мототехника
Марка
Не выбрано
BAW
DAF
DongFeng
FAW
Foton
HOWO
Hyundai
IVECO
JAC Motors
LGMG
MAN
Shaanxi
SITRAK
Studebaker
Tata
Volvo
Автокомпонент Плюс
БелАЗ
Брянский Арсенал
ГАЗ
ЗИЛ
КАЗ
Камский автозавод
КрАЗ
Мадара
МАЗ
МЗКТ
МоАЗ
Нефтекамский автозавод
Ставропольский Завод АвтоПрицепов
ТАТРА
Тонар
УралАЗ
ЧМЗАП
Модель
Не выбрано
Altay-3310 (2009)
CA 3250 P66K2T1E5 (2017)
CA 3250 серии J6 (2012)
CA 3310 серии J6 (2012)
CA 4250 P66K24T1E (2017)
CA 5250 (GJBP66K2T1E4) (2014)
CA 5250 (JSQP64K1T1E4) (2014)
CA-1083 (2007)
CA-3250-P66K2L0BT1E4Z (2018)
CA-3250-P66K2L1BT1E4Z (2018)
CA-3250-P66K2L2BT1E4Z (2018)
CA-3252 (2005)
CA-3252 (P2K2BT1A) (2008)
CA-3252 (P2K2T1A) (2009)
CA-3312 (P2K2B2T4A2Z) (2011)
CA-3312 (P2K2LT4E) (2008)
CA-4180 (P66K22A) (2008)
CA-4180 (P66K2A) (2008)
CA-4250 (P66K22T1A1EX) (2008)
CA-4250 (P66K24T1E5) (2017)
CA-4250 (P66K2T1A1EX) (2008)
CA3250 (P66K24L1TE5Z) (2022)
CA3250 (P66K24T1E5) (2022)
CA3251 (P66K2L2T1E5Z) (2017)
CA3310 (P66K24T4E5) (2017)
CA3311 (2020)
CA4180 (P77K25E5) (2022)
Схема
>
Не выбрано
Двигатель (вид слева)
Двигатель (вид справа)
Подвеска двигателя
Стойка передней подвески двигателя
Блок блока-цилиндра
Блок-цилиндр в сборе
Крышка цилиндра
Блок крышки цилиндра
Поршень, шатун
Коленчатый вал, шкив и маховик
Кулачковый вал и блок распределительных шестерен
Блок клапанного механизма
Впускной, выпускной коллектор
Маслозаливная горловина и щуп
Масляный поддон
Маслосборник
Масляный насос
Масляный фильтр и масляный фильтр тонкой очистки
Охладитель моторного масла
Вентиляция картера
Натяжной шкив
Система подачи топлива
Система турбонаддува
Торможение двигателем
Силовой поворотный маслонасос
Воздушный компрессор (I)
Воздушный компрессор (II)
Блок выхлопного тормозного клапана
Генератор и опора
Стартер
Воздухонагреватель
Жгут проводов двигателя
Компрессор холодного воздуха
Топливный бак и топливная магистраль
Управляющий механизм акселератора
Топливный фильтр грубой очистки
Воздушный фильтр
Топливный фильтр тонкой очистки
Промежуточный охладитель, трубопровод, подвеска, заборная сетка
Выпускная система
Сливной кран
Водяной фильтр, трубопровод
Терморегулятор, крышка терморегулятора, соединительная труба подцикла
Водяной насос
Радиатор, трубопровод, защитный кожух вентилятора
Расширитель, крышка заправочной горловины, стойка расширителя, трубопровод
Вентилятор и муфта вентилятора
Сцепление (коробка передач ZF16S181)
Сцепление (коробка передач RTX14710B)
Механизм переключения передач (коробка передач ZF16S181)
Механизм переключения передач (коробка передач RTX14710B)
Силовая задняя подвеска в сборе
Электромагнитный клапан (коробка переключения скоростей RTX14710B)
Клапан, рукав и фитинг (RTX14710B)
Воздушный фильтр (коробка переключения скоростей RTX14710B)
Крышка рычага переключения передач (коробка переключения скоростей RTX14710B)
Корпус в сборе (коробка переключения скоростей RTX14710B)
Главный вал в сборе (коробка переключения скоростей RTX14710B)
Левый промежуточный вал в сборе (коробка переключения скоростей RTX14710B)
Правый промежуточный вал (коробка переключения скоростей RTX14710B)
Входной вал в сборе (коробка переключения скоростей RTX14710B)
Паразитная шестерня заднего хода (коробка переключения скоростей RTX14710B)
Корпус демультипликатора (коробка переключения скоростей RTX14710B)
Главный вал демультипликатора (коробка переключения скоростей RTX14710B)
Промежуточный вал демультипликатора (коробка переключения скоростей RTX14710B)
Цилиндр пределов передач (коробка переключения скоростей RTX14710B)
Приводная шестерня ведомого демультипликатора (коробка переключения скоростей RTX14710B)
Механизм управления(коробка переключения скоростей RTX14710B)
Трансмиссия заднего моста
Трансмиссия среднего моста (коробка переключения скоростей ZF16S181)
Трансмиссия среднего моста (коробка переключения скоростей RTX14710B)
Картер моста и главный редуктор
Бортовой редуктор
Картер среднего моста и главный редуктор
Бортовой редуктор среднего моста
Рама
Вспомогательное устройство прицепа и рабочая площадка
Боковое ограждение и боковой опознавательный огонь
Заднее крыло
Левая сторона системы передней подвески (F7N согласуется с передней осью)
Левая сторона системы передней подвески (F9N согласуется с передней осью)
Система задней подвески
Передняя ось и поворотный поперечный рычаг (F9N)
Передняя ось и поворотный поперечный рычаг (F7N)
Поворотный продольный рычаг (F7N)
Передний поворотный продольный рычаг (F9N)
Ступица переднего колеса и тормозной барабан (F9N)
Ступица переднего колеса и тормозной барабан (передняя ось F7N)
Ступица заднего колеса и тормозной барабан
Ступица заднего колеса и тормозной барабан
Колеса и шины
Стойка рулевой колонки
Штурвал и поворотный привод
Силовая рулевая магистраль
Тормоз переднего колеса
Ресивер со стойкой заднего тормоза
Модуль снабжения энергии пневтормоза и аккумулятора
Тормозная магистраль (I)
Тормозная магистраль (II)
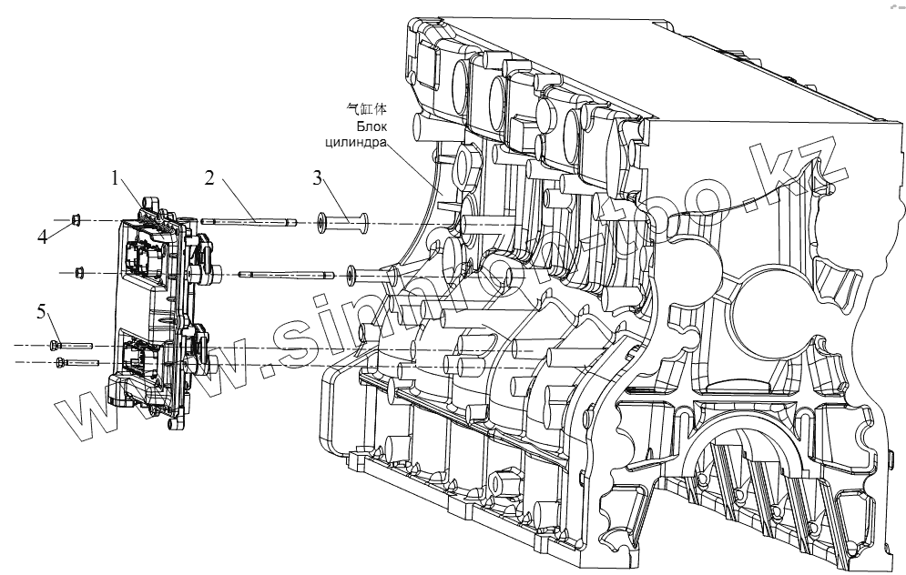
Секция управления двигателем
Датчик электроконтрольной системы
Секция АБС
Датчик скорости передней оси (F7N)
Датчик скорости колеса передней оси (F9N)
Датчик скорости заднего моста
Электрооборудование в кабине
Электрооборудование шасси
Комбинированная передняя фара
Лампа предупреждения открывания двери
Осветительная лампа в кабине
Читальная лампа спального места
Читальная лампа водителя
Лампа ступеньки
Контроллер для света лампы в сборе
Комбинированная задняя фара
Коробка предохраниетеля в сборе – с реле
Распределительная коробка источника питания и ее электроприборы
Передняя габаритная фара (плоская крышка)
Передняя габаритная фара (высокая крышка)
Задняя габаритная фара (плоская крышка)
Противотуманная фара
Функциональный выключатель
Комбинированный выключатель
Контроллер двери
Лампа предупреждения
Лампа номерного знака
Магнитола
Аккумулятор
Передний бампер (I)
Передний бампер (II)
Передний бампер (III)
Передний бампер (IV)
Сварочная кабина в сборе (плоская крышка с потолком)
Сварочная кабина в сборе (высокая крышка с потолком)
Сварочная кабина в сборе (плоская крышка без потолка)
Устройство передней подвески кабины (I)
Устройство передней подвески кабины (II)
Устройство передней подвески кабины (III)
Устройство передней подвески кабины (I, воздушная рессора)
Устройство передней подвески кабины (II, воздушная рессора)
Устройство передней подвески кабины (III, воздушная рессора)
Устройство передней подвески кабины (IV, воздушная пружина)
Устройство задней подвески кабины (I)
Устройство задней подвески кабины (II, винтовая пружина)
Устройство задней подвески кабины (II, воздушная пружина)
Устройство задней подвески кабины (III, воздушная пружина)
Устройство воздухопровода передней и задней подвески кабины (воздушная пружина с 4 точками)
Устройство воздухопровода задней подвески кабины (воздушная пружина с 2 точками)
Гидравлическое поддерживающее устройство кабины (I)
Гидравлический упорный механизм кабины (II)
Гидравлический упорный механизм кабины (I, воздушная пружина с 4 точками)
Устройство управления опрокидыванием кабины (I)
Устройство управления опрокидыванием кабины (II)
Стойка огнетушителя
Опора домкрата
Ступенька и передний брызговик (I)
Ступенька и передний брызговик (II)
Ступенька и передний брызговик (III)
Ступенька и передний брызговик (IV)
Задний брызговик
Боковой щиток двигателя
Верхнее крыло, верхний брызговик и трехступенчатая ступенька (I)
Верхнее крыло, верхний брызговик и трехступенчатая ступенька (II)
Верхнее крыло, верхний брызговик и трехступенчатая ступенька (III)
Блок ковра
Теплоизоляционная прокладка пола
Пробка пола
Теплоизоляционная прокладка глушителя
Стеклоочиститель
Стекло переднего ветрового окна
Омыватель
Пробка передней обшивки и водопроницаемая пленка
Декоративная лента наружной пластины передней обшивки
Замок передней обшивки и ручка открывания
Боковой обтекатель
Наружная пластина передней обшивки
Воздушная пружина и стойка
Блок поручня
Щиток передней колонны
Передний поручень посадки
Блок приборной панели (I)
Блок приборной панели (II)
Блок приборной панели (III)
Блок приборной панели (IV)
Блок приборной панели (V)
Блок приборной панели (VI)
Блок высокого короба (I) (оборудован записным аппаратом движения)
Блок высокого короба (II)
Блок высокого короба (III) (оборудован записным аппаратом движения или контроллером)
Блок высокого короба (IV) (высокая крыша)
Блок высокого короба (V) (высокая крыша)
Блок высокого короба (VI, высокая крыша)
Блок высокого короба (VII) (высокая крыша)
Внутренняя декоративная пластина боковой обшивки и блок задней скобы посадки
Внутренняя облицовка левой боковой обшивки и блок задней скобы (высокая крыша)
Внутренняя облицовка правой боковой обшивки и блок задней скобы
Внутренняя облицовка боковой обшивки и блок задней скобы (плоская крыша)
Внутренняя облицовка боковой обшивки и блок задней скобы (высокая крыша)
Инструментальный ящик боковой обшивки
Замок инструментального ящика и оттяжка боковой обшивки
Стекло бокового окна (плоская крыша)
Стекло бокового окна (левая сторона высокой крыши)
Стекло бокового окна открытого типа (правая сторона высокой крыши)
Стекло бокового окна типа открывания (правая сторона кабины со плоской крышей)
Стекло бокового окна (стекло левой стороны кабины с высокой крышкой и кабины со плоской крышей)
Блок щитка задней обшивки (плоская крыша)
Блок щитка задней обшивки (высокая крыша)
Стекло заднего окна (плоская крыша)
Вентиляционная решетка (плоская крыша)
Обтекатель задней обшивки (плоская крыша)
Декоративный кожух задней обшивки (плоская крыша)
Пробка задней обшивки (плоская крыша)
Вентиляционная решетка (высокая крыша)
Декоративный кожух задней боковой обшивки (высокая крыша)
Пробка задней обшивки (высокая крыша)
Окно крышки (плоская крыша)
Блок облицовки крышки (I) ( плоская крышка, окно крыши)
Блок облицовки крышки (I) (высокая крышка, без окна крыши)
Блок облицовка крышки (II) (плоская крыша)
Блок облицовка крышки (III) (плоская крыша)
Блок облицовка крышки (III) (высокая крыша)
Светозащитная солнечная бленда крышки (плоская крыша)
Держатель скоростной лампы
Верхний интерцептор (высокая крыша)
Держатель скоростной лампы в сборе (высокая крыша)
Декоративная лента – крыша (высокая крыша)
Поручень двери
Передняя дверь в сборе (с электрическим стеклоподъемником )
Нижняя декоративная пластина двери
Внутренняя декоративная пластина двери
Механизм электрического замка двери
Кольцо замка, установочный палец и наружный штабик двери в сборе
Штапик двери
Ограничитель двери
Сиденье водительское
Переднее сиденье
Среднее сиденье
Блок нижнего спального места (I)
Блок нижнего спального места (II)
Блок нижнего спального места (III)
Блок верхнего спального места (I)
Блок верхнего спального места (II)
Блок верхнего спального места (III)
Блок верхнего спального места (IV)
Кондиционерная установка
Механизм управления
Ветродвигатель, фильтр наружного воздуха
Два прибора
Трубопровод отопления
Компрессор холодного воздуха
Воздуховод
Конденсатор, бак для хранения жидкости
Фтортрубопровод
Лево-наружное зеркало заднего вида
Право-наружное зеркало заднего вида
Блок пепельницы
Блок противосолнечного козырька (I)
Блок противосолнечного козырька (II)
Сопроводительные инструменты
1
2
3
4
5
Позиция на иллюстрации
Заводской номер детали
Название детали
3601115-59D
3601115-59D
Блок управления двигателем
1
3601115В630-0000
Секция управления двигателем в сборе
2
3601027-73D
Шпилька - ECU
3
3601024-73D
Штанга - держатель - ECU
4
Q32006
Шестигранная фланцевая гайка
5
Q1420645
Блок шестигранного болта и пружинной шайбы
Содержащиеся в справочниках-каталогах запасные части и детали не предлагаются к продаже, а носят исключительно информационный характер
Дополнительная информация
×
Название:
Номер:
Примечание: