Вернуться на главную
Поиск
Каталоги запчастей к технике
Грузовые автомобили и прицепы
FAW
CA-4180 (P66K2A)
Передняя ось и поперечный рычаг
Каталог запасных частей к технике: FAW CA-4180 (P66K2A). Передняя ось и поперечный рычаг
zoom-in
zoom-out
enlarge
shrink
circle-right
circle-left
file-text2
info
cart
Тип техники
Не выбрано
Легковые автомобили
Грузовые автомобили и прицепы
Автобусы
Сельхозтехника
Спецтехника
Двигатели
Мототехника
Марка
Не выбрано
BAW
DAF
DongFeng
FAW
Foton
HOWO
Hyundai
IVECO
JAC Motors
LGMG
MAN
Shaanxi
SITRAK
Studebaker
Tata
Volvo
Автокомпонент Плюс
БелАЗ
Брянский Арсенал
ГАЗ
ЗИЛ
КАЗ
Камский автозавод
КрАЗ
Мадара
МАЗ
МЗКТ
МоАЗ
Нефтекамский автозавод
Ставропольский Завод АвтоПрицепов
ТАТРА
Тонар
УралАЗ
ЧМЗАП
Модель
Не выбрано
Altay-3310 (2009)
CA 3250 P66K2T1E5 (2017)
CA 3250 серии J6 (2012)
CA 3310 серии J6 (2012)
CA 4250 P66K24T1E (2017)
CA 5250 (GJBP66K2T1E4) (2014)
CA 5250 (JSQP64K1T1E4) (2014)
CA-1083 (2007)
CA-3250-P66K2L0BT1E4Z (2018)
CA-3250-P66K2L1BT1E4Z (2018)
CA-3250-P66K2L2BT1E4Z (2018)
CA-3252 (2005)
CA-3252 (P2K2BT1A) (2008)
CA-3252 (P2K2T1A) (2009)
CA-3312 (P2K2B2T4A2Z) (2011)
CA-3312 (P2K2LT4E) (2008)
CA-4180 (P66K22A) (2008)
CA-4180 (P66K2A) (2008)
CA-4250 (P66K22T1A1EX) (2008)
CA-4250 (P66K24T1E5) (2017)
CA-4250 (P66K2T1A1EX) (2008)
CA3250 (P66K24L1TE5Z) (2022)
CA3250 (P66K24T1E5) (2022)
CA3251 (P66K2L2T1E5Z) (2017)
CA3310 (P66K24T4E5) (2017)
CA3311 (2020)
CA4180 (P77K25E5) (2022)
Схема
>
Не выбрано
Передний бампер
Передний бампер
Передний бампер
Передний бампер
Сварочная кабина в сборе (плоская крыша)
Сварочная кабина в сборе (высокая крыша)
Устройство передней подвески кабины
Устройство передней подвески кабины
Устройство передней подвески кабины
Устройство задней подвески кабины
Гидравлическое поддерживающее устройство кабины
Гидравлический упорный механизм кабины
Устройство управления гидравлическим опрокидыванием кабины
Устройство управления гидравлическим опрокидыванием кабины
Стойка огнетушителя
Опора домкрата
Ступенька и передний брызговик
Ступенька и передний брызговик
Ступенька и передний брызговик
Ступенька и передний брызговик
Задний брызговик
Боковой щиток двигателя
Верхнее крыло, верхний брызговик и трехступенчатая ступенька
Верхнее крыло, верхний брызговик и трехступенчатая ступенька
Верхнее крыло, верхний брызговик и трехступенчатая ступенька
Блок ковра
Теплоизоляционная прокладка пола
Пробка пола
Теплоизоляционная прокладка глушителя
Заглушка ремня безопасности
Стеклоочиститель в сборе
Стекло переднего ветрового окна
Омыватель
Пробка передней обшивки и водопроницаемая пленка
Декоративная лента наружной пластины передней обшивки
Замок передней обшивки и ручка открывания
Боковой обтекатель
Наружная пластина передней обшивки
Воздушная пружина и стойка
Блок поручня
Щиток передней колонны
Передний поручень посадки
Приборная панель
Приборная панель
Приборная панель
Приборная панель
Приборная панель
Приборная панель
Блок высокого короба (оборудован записным аппаратом движения)
Блок высокого короба (оборудован записным аппаратом движения или узловым контроллером)
Блок высокого короба (оборудован записным аппаратом движения)
Блок высокого короба (оборудован записным аппаратом движения или узловым контроллером)
Блок высокого короба (высокая крыша)
Блок высокого короба (высокая крыша)
Блок высокого короба (высокая крыша)
Внутренняя облицовка боковой обшивки и блок задней скобы (плоская крыша)
Внутренняя облицовка боковой обшивки и блок задней скобы (высокая крыша)
Инструментальный ящик боковой обшивки
Замок инструментального ящика и оттяжка боковой обшивки
Стекло бокового окна типа открывания (правая сторона кабины со плоской крышей)
Стекло бокового окна (стекло левой стороны кабины с высокой крышкой и кабины со плоской крышей)
Блок щитка задней обшивки
Стекло заднего окна
Вентиляционная решетка
Обтекатель задней обшивки (плоская крыша)
Декоративный кожух задней боковой обшивки
Пробка задней обшивки
Блок облицовки крыши (высокая крыша)
Блок облицовки крыши (плоская крыша)
Блок облицовки крыши
Блок облицовки крыши (высокая крыша)
Блок облицовки крыши (высокая крыша)
Блок облицовки крыши (высокая крыша)
Блок облицовка крыши (плоская крыша)
Окно крыши
Светозащитная солнечная бленда крыши
Держатель скоростной лампы (плоская крыша)
Держатель скоростной лампы (высокая крыша)
Верхний интерцептор (высокая крыша)
Декоративная лента – крыша (высокая крыша)
Поручень двери
Передняя дверь
Нижняя декоративная пластина двери
Внутренняя декоративная пластина двери
Механизм электрического замка двери
Кольцо замка, гнездо фиксатора и наружный штапик двери
Штапик двери
Ограничитель двери
Сиденье водительское
Переднее сиденье
Среднее сиденье
Блок нижнего спального места
Блок нижнего спального места
Блок нижнего спального места
Верхнее спальное место (высокая крыша)
Верхнее спальное место (высокая крыша)
Верхнее спальное место (высокая крыша)
Верхнее спальное место (высокая крыша)
Кондиционерная установка
Механизм управления
Ветродвигатель, фильтр наружного воздуха
Два прибора в сборе
Трубопровод отопления
Компрессор холодного воздуха
Воздуховод
Конденсатор, бак для хранения жидкости
Фтортрубопровод
Лево-наружное зеркало заднего вида
Право-наружное зеркало заднего вида
Блок пепельницы
Передний противосолнечный козырек
Боковой противосолнечный козырек
Заднее крыло
Двигатель
Подвеска двигателя
Блок блока-цилиндра
Блок-цилиндр в сборе
Блок крышки цилиндра
Крышка цилиндра в сборе (согласуется с тормозом двигателя)
Крышка цилиндра в сборе (не согласуется с тормозом двигателя)
Кожух крышки цилиндра
Поршень, шатун
Коленчатый вал, шкив и маховик
Кулачковый механизм
Передаточная система
Система газораспределения (согласуется с тормозом двигателя)
Система газораспределения (не согласуется с тормозом двигателя)
Выпускной коллектор
Масляный поддон
Маслозаливная горловина и щуп
Маслосборник
Масляный насос
Охладитель моторного масла
Вентиляция картера
Центробежный масляный фильтр
Тормоз двигателя (согласуется с торможением двигателя)
Ременный привод
Топливный бак и топливная магистраль
Управляющий механизм акселератора
Топливный фильтр грубой очистки
Воздушный фильтр
Топливный фильтр тонкой очистки
Система подачи топлива
Система подачи топлива
Система турбонаддува
Промежуточный охладитель, трубопровод
Выпускная система
Система охлаждения
Сливной кран
Терморегулятор, водяной насос
Вентилятор и муфта вентилятора
Выхлопной тормозной клапан
Сцепление
Крышка коробки передач
Корпус коробки передач
Коробка переключения скоростей и вал
Механизм управления переключением скоростей
Трансмиссия заднего моста
Задний мост
Рама
Вспомогательное устройство прицепа и рабочая площадка
Боковое ограждение и боковой опознавательный огонь
Система передней подвески
Система задней подвески
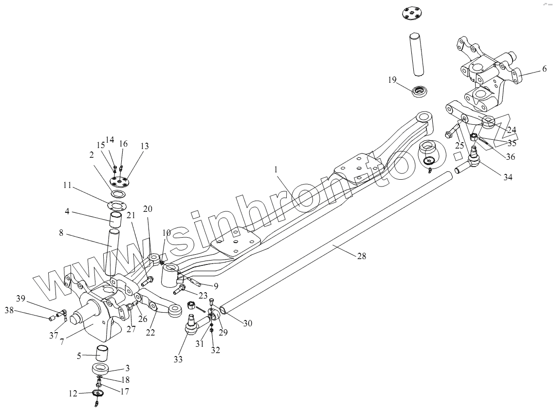
Передняя ось и поперечный рычаг
Передний рулевой продольный рычаг
Колеса и шины
Ступица переднего колеса и тормозной барабан
Ступица заднего колеса и тормозной барабан
Подъемник запасного колеса
Стойка рулевой колонки
Рулевое колесо и поворотный привод
Силовая рулевая магистраль
Передний дисковый тормоз
Дисковый тормоз заднего колеса
Тормозная педаль с тормозным клапаном и педаль сцепления с главным насосом сцепления в сборе
Тормозная магистраль (часть кабины)
Тормозная магистраль (передняя часть шасси)
Тормозная магистраль (задняя часть шасси)
Модуль снабжения энергии пневтормоза и аккумулятора
Ресивер со стойкой стояночного и переднего тормозов в сборе
Секция управления двигателем
Датчик электроконтрольной системы
Жгут проводов форсунки
Датчик высоты воздушной подвески
Телеуправляемый инструмент воздушной подвески
Блок управления пневмоподвесной и АБС
Главный контроллер системы управления сетью автомобиля
Контроллер двери системы управления сетью автомобиля
Контроллер лампы в кабине системы управления сетью автомобиля
Контроллер комбинированной передней фары системы
Контроллер комбинированной задней фары системы управления сетью автомобиля
Контроллер прицепа системы управления сетью автомобиля
Телеуправляемый инструмент замка двери системы управления сетью автомобиля
Электрооборудование в кабине
Электрооборудование шасси
Комбинированная передняя фара
Лампа предупреждения открывания двери
Осветительная лампа в кабине
Читальная лампа водителя
Лампа ступеньки
Комбинированная задняя фара
Блок предохраниетелей в сборе с реле
Распределительная коробка источника питания и ее электроприборы
Передняя габаритная фара (плоская крыша)
Задняя габаритная фара (плоская крыша)
Противотуманная фара
Функциональный выключатель
Комбинированный выключатель
Лампа предупреждения
Комбинированный прибор
Многофункциональная панель управления
Проигрыватель CD
Аккумулятор
Сопроводительные инструменты
1
2
3
4
5
6
7
8
9
10
11
12
13
14
15
16
17
18
19
20
21
22
23
24
25
26
27
28
29
30
31
32
33
34
35
36
37
38
39
Позиция на иллюстрации
Заводской номер детали
Название детали
3000010-A4S
3000010-A4S
Передняя ось в сборе
3001079-A0S
3001079-A0S
Регулировочная прокладка
3001072-A0S
3001072-A0S
Регулировочная прокладка
3001073-A0S
3001073-A0S
Регулировочная прокладка
3001074-A0S
3001074-A0S
Регулировочная прокладка
3001076-A0S
3001076-A0S
Регулировочная прокладка
3001077-A0S
3001077-A0S
Регулировочная прокладка
3001078-A0S
3001078-A0S
Регулировочная прокладка
1
3001011-A4S
Передняя ось
2
3001071-A0S
Регулировочная прокладка
3
3001048-A0S
Упорный подшипник
4
3001026-A0S
Верхняя втулка-поворотная цапфа
5
3001027-A0S
Нижняя втулка-поворотная цапфа
6
3001022-A4S
Правая поворотная цапфа
7
3001021-A4S
Левая поворотная цапфа
8
3001044-A0S
Шкворень-поворотная цапфа
9
3001046-A0S
Клинообразный замок-задвижка-шкворень поворотной цапфы
10
3001047-A0S
Гайка-клинообразная замок-задвижка
11
3001048-A4S
Уплотнительная шайба-перекрышка шкворня поворотной цапфы
12
3001045-A0S
Крышка в сборе
13
3001047-A4S
Перекрышка-шкворень поворотной цапфы
14
CQ1500816
Болт
15
Q40308
Пружинная шайба
16
CQ70145
Смазочный патрубок
17
3001049-A0S
Полый болт-шкворень
18
Q40116
Шайба
19
3001050-A0S
Сальник-шкворень
20
3001034-A4S
Верхний рычаг поворотной цапфы
21
Q1852090T
Шестигранный фланцевый болт
22
3001031-A4S
Рычаг левой поворотной цапфы
23
Q1852090T
Шестигранный фланцевый болт
24
3001032-A4S
Рычаг правой поворотной цапфы
25
Q1852090T
Шестигранный фланцевый болт
26
3001036-A0S
Стопорный палец-поворотная цапфа
27
CQ34116
Гайка
28
3003054-A4S
Рулевой поперечный рычаг
29
3003056-8E
Обод
30
CQ1501255
Болт
31
Q40312
Пружинная шайба
32
CQ34012
Гайка
33
3003055CA3S
Левое соединение в сборе-рулевой поперечный рычаг
34
3003060CA3S
Правое соединение в сборе-рулевой поперечный рычаг
35
CQ38724
Плоская шестигранная гайка
36
Q5005045
Шплинт
37
3550351BA0S
Резиновый защитный чехол
38
3550360-6S
Датчик оборотов в сборе
39
3550361-6S
Втулка датчика
Содержащиеся в справочниках-каталогах запасные части и детали не предлагаются к продаже, а носят исключительно информационный характер
Дополнительная информация
×
Название:
Номер:
Примечание: