Вернуться на главную
Поиск
Каталоги запчастей к технике
Грузовые автомобили и прицепы
FAW
CA-4180 (P66K2A)
Блок управления пневмоподвесной и АБС
Каталог запасных частей к технике: FAW CA-4180 (P66K2A). Блок управления пневмоподвесной и АБС
zoom-in
zoom-out
enlarge
shrink
circle-right
circle-left
file-text2
info
cart
Тип техники
Не выбрано
Легковые автомобили
Грузовые автомобили и прицепы
Автобусы
Сельхозтехника
Спецтехника
Двигатели
Мототехника
Марка
Не выбрано
BAW
DAF
DongFeng
FAW
Foton
HOWO
Hyundai
IVECO
JAC Motors
LGMG
MAN
Shaanxi
SITRAK
Studebaker
Tata
Volvo
Автокомпонент Плюс
БелАЗ
Брянский Арсенал
ГАЗ
ЗИЛ
КАЗ
Камский автозавод
КрАЗ
Мадара
МАЗ
МЗКТ
МоАЗ
Нефтекамский автозавод
Ставропольский Завод АвтоПрицепов
ТАТРА
Тонар
УралАЗ
ЧМЗАП
Модель
Не выбрано
Altay-3310 (2009)
CA 3250 P66K2T1E5 (2017)
CA 3250 серии J6 (2012)
CA 3310 серии J6 (2012)
CA 4250 P66K24T1E (2017)
CA 5250 (GJBP66K2T1E4) (2014)
CA 5250 (JSQP64K1T1E4) (2014)
CA-1083 (2007)
CA-3250-P66K2L0BT1E4Z (2018)
CA-3250-P66K2L1BT1E4Z (2018)
CA-3250-P66K2L2BT1E4Z (2018)
CA-3252 (2005)
CA-3252 (P2K2BT1A) (2008)
CA-3252 (P2K2T1A) (2009)
CA-3312 (P2K2B2T4A2Z) (2011)
CA-3312 (P2K2LT4E) (2008)
CA-4180 (P66K22A) (2008)
CA-4180 (P66K2A) (2008)
CA-4250 (P66K22T1A1EX) (2008)
CA-4250 (P66K24T1E5) (2017)
CA-4250 (P66K2T1A1EX) (2008)
CA3250 (P66K24L1TE5Z) (2022)
CA3250 (P66K24T1E5) (2022)
CA3251 (P66K2L2T1E5Z) (2017)
CA3310 (P66K24T4E5) (2017)
CA3311 (2020)
CA4180 (P77K25E5) (2022)
Схема
>
Не выбрано
Передний бампер
Передний бампер
Передний бампер
Передний бампер
Сварочная кабина в сборе (плоская крыша)
Сварочная кабина в сборе (высокая крыша)
Устройство передней подвески кабины
Устройство передней подвески кабины
Устройство передней подвески кабины
Устройство задней подвески кабины
Гидравлическое поддерживающее устройство кабины
Гидравлический упорный механизм кабины
Устройство управления гидравлическим опрокидыванием кабины
Устройство управления гидравлическим опрокидыванием кабины
Стойка огнетушителя
Опора домкрата
Ступенька и передний брызговик
Ступенька и передний брызговик
Ступенька и передний брызговик
Ступенька и передний брызговик
Задний брызговик
Боковой щиток двигателя
Верхнее крыло, верхний брызговик и трехступенчатая ступенька
Верхнее крыло, верхний брызговик и трехступенчатая ступенька
Верхнее крыло, верхний брызговик и трехступенчатая ступенька
Блок ковра
Теплоизоляционная прокладка пола
Пробка пола
Теплоизоляционная прокладка глушителя
Заглушка ремня безопасности
Стеклоочиститель в сборе
Стекло переднего ветрового окна
Омыватель
Пробка передней обшивки и водопроницаемая пленка
Декоративная лента наружной пластины передней обшивки
Замок передней обшивки и ручка открывания
Боковой обтекатель
Наружная пластина передней обшивки
Воздушная пружина и стойка
Блок поручня
Щиток передней колонны
Передний поручень посадки
Приборная панель
Приборная панель
Приборная панель
Приборная панель
Приборная панель
Приборная панель
Блок высокого короба (оборудован записным аппаратом движения)
Блок высокого короба (оборудован записным аппаратом движения или узловым контроллером)
Блок высокого короба (оборудован записным аппаратом движения)
Блок высокого короба (оборудован записным аппаратом движения или узловым контроллером)
Блок высокого короба (высокая крыша)
Блок высокого короба (высокая крыша)
Блок высокого короба (высокая крыша)
Внутренняя облицовка боковой обшивки и блок задней скобы (плоская крыша)
Внутренняя облицовка боковой обшивки и блок задней скобы (высокая крыша)
Инструментальный ящик боковой обшивки
Замок инструментального ящика и оттяжка боковой обшивки
Стекло бокового окна типа открывания (правая сторона кабины со плоской крышей)
Стекло бокового окна (стекло левой стороны кабины с высокой крышкой и кабины со плоской крышей)
Блок щитка задней обшивки
Стекло заднего окна
Вентиляционная решетка
Обтекатель задней обшивки (плоская крыша)
Декоративный кожух задней боковой обшивки
Пробка задней обшивки
Блок облицовки крыши (высокая крыша)
Блок облицовки крыши (плоская крыша)
Блок облицовки крыши
Блок облицовки крыши (высокая крыша)
Блок облицовки крыши (высокая крыша)
Блок облицовки крыши (высокая крыша)
Блок облицовка крыши (плоская крыша)
Окно крыши
Светозащитная солнечная бленда крыши
Держатель скоростной лампы (плоская крыша)
Держатель скоростной лампы (высокая крыша)
Верхний интерцептор (высокая крыша)
Декоративная лента – крыша (высокая крыша)
Поручень двери
Передняя дверь
Нижняя декоративная пластина двери
Внутренняя декоративная пластина двери
Механизм электрического замка двери
Кольцо замка, гнездо фиксатора и наружный штапик двери
Штапик двери
Ограничитель двери
Сиденье водительское
Переднее сиденье
Среднее сиденье
Блок нижнего спального места
Блок нижнего спального места
Блок нижнего спального места
Верхнее спальное место (высокая крыша)
Верхнее спальное место (высокая крыша)
Верхнее спальное место (высокая крыша)
Верхнее спальное место (высокая крыша)
Кондиционерная установка
Механизм управления
Ветродвигатель, фильтр наружного воздуха
Два прибора в сборе
Трубопровод отопления
Компрессор холодного воздуха
Воздуховод
Конденсатор, бак для хранения жидкости
Фтортрубопровод
Лево-наружное зеркало заднего вида
Право-наружное зеркало заднего вида
Блок пепельницы
Передний противосолнечный козырек
Боковой противосолнечный козырек
Заднее крыло
Двигатель
Подвеска двигателя
Блок блока-цилиндра
Блок-цилиндр в сборе
Блок крышки цилиндра
Крышка цилиндра в сборе (согласуется с тормозом двигателя)
Крышка цилиндра в сборе (не согласуется с тормозом двигателя)
Кожух крышки цилиндра
Поршень, шатун
Коленчатый вал, шкив и маховик
Кулачковый механизм
Передаточная система
Система газораспределения (согласуется с тормозом двигателя)
Система газораспределения (не согласуется с тормозом двигателя)
Выпускной коллектор
Масляный поддон
Маслозаливная горловина и щуп
Маслосборник
Масляный насос
Охладитель моторного масла
Вентиляция картера
Центробежный масляный фильтр
Тормоз двигателя (согласуется с торможением двигателя)
Ременный привод
Топливный бак и топливная магистраль
Управляющий механизм акселератора
Топливный фильтр грубой очистки
Воздушный фильтр
Топливный фильтр тонкой очистки
Система подачи топлива
Система подачи топлива
Система турбонаддува
Промежуточный охладитель, трубопровод
Выпускная система
Система охлаждения
Сливной кран
Терморегулятор, водяной насос
Вентилятор и муфта вентилятора
Выхлопной тормозной клапан
Сцепление
Крышка коробки передач
Корпус коробки передач
Коробка переключения скоростей и вал
Механизм управления переключением скоростей
Трансмиссия заднего моста
Задний мост
Рама
Вспомогательное устройство прицепа и рабочая площадка
Боковое ограждение и боковой опознавательный огонь
Система передней подвески
Система задней подвески
Передняя ось и поперечный рычаг
Передний рулевой продольный рычаг
Колеса и шины
Ступица переднего колеса и тормозной барабан
Ступица заднего колеса и тормозной барабан
Подъемник запасного колеса
Стойка рулевой колонки
Рулевое колесо и поворотный привод
Силовая рулевая магистраль
Передний дисковый тормоз
Дисковый тормоз заднего колеса
Тормозная педаль с тормозным клапаном и педаль сцепления с главным насосом сцепления в сборе
Тормозная магистраль (часть кабины)
Тормозная магистраль (передняя часть шасси)
Тормозная магистраль (задняя часть шасси)
Модуль снабжения энергии пневтормоза и аккумулятора
Ресивер со стойкой стояночного и переднего тормозов в сборе
Секция управления двигателем
Датчик электроконтрольной системы
Жгут проводов форсунки
Датчик высоты воздушной подвески
Телеуправляемый инструмент воздушной подвески
Блок управления пневмоподвесной и АБС
Главный контроллер системы управления сетью автомобиля
Контроллер двери системы управления сетью автомобиля
Контроллер лампы в кабине системы управления сетью автомобиля
Контроллер комбинированной передней фары системы
Контроллер комбинированной задней фары системы управления сетью автомобиля
Контроллер прицепа системы управления сетью автомобиля
Телеуправляемый инструмент замка двери системы управления сетью автомобиля
Электрооборудование в кабине
Электрооборудование шасси
Комбинированная передняя фара
Лампа предупреждения открывания двери
Осветительная лампа в кабине
Читальная лампа водителя
Лампа ступеньки
Комбинированная задняя фара
Блок предохраниетелей в сборе с реле
Распределительная коробка источника питания и ее электроприборы
Передняя габаритная фара (плоская крыша)
Задняя габаритная фара (плоская крыша)
Противотуманная фара
Функциональный выключатель
Комбинированный выключатель
Лампа предупреждения
Комбинированный прибор
Многофункциональная панель управления
Проигрыватель CD
Аккумулятор
Сопроводительные инструменты
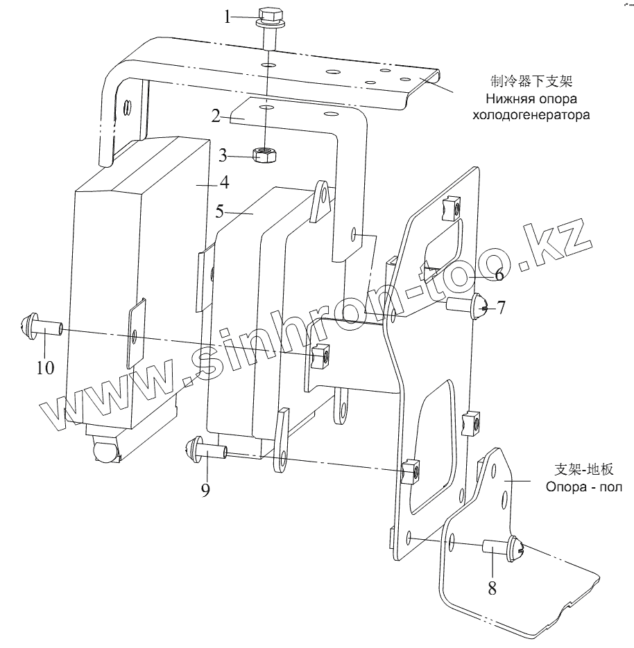
1
2
3
4
5
6
7
8
9
10
Позиция на иллюстрации
Заводской номер детали
Название детали
1
CQ1460616
Болт
2
3605125-50A
Верхняя стойка блока управления АБС в сборе
3
CQ34006
Шестигранная гайка
4
3614115-60A
Блок управления воздушной подвески в сборе
5
3605115-50A
Блок управления антиблокирующей системы в сборе
6
3605135-60A
Комбинированная стойка блока управления в сборе
7
Q2360616
Винт
8
Q2360616
Винт
9
Q2360612
Винт
10
Q2360616
Винт
Содержащиеся в справочниках-каталогах запасные части и детали не предлагаются к продаже, а носят исключительно информационный характер
Дополнительная информация
×
Название:
Номер:
Примечание: