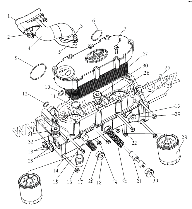
Каталог запасных частей к технике: FAW CA-3312 (P2K2LT4E). Масляный охладитель
1
2
3
4
5
6
7
8
9
10
11
12
13
13
14
15
16
17
18
19
20
21
22
23
24
25
26
26
27
28
29
29
30
30
31
32
| Позиция на иллюстрации | Заводской номер детали | Название детали | |
|---|---|---|---|
| 1 | 1013037-1-29 D | Прокладка - присоединительный водопровод | |
| 2 | Q184B825 | Шестигранный фланцевой болт | |
| 3 | Q1820855 | Шестигранный фланцевой болт - тонкая штанга | |
| 4 | 1013031-36D | Ведомая шестерня масляного насоса | |
| 5 | 1013036-29D | Прокладка трубопровода | |
| 6 | Q734B450026 5 | О-образное резиновое уплотнительное кольцо | |
| 7 | 1013021-36D | Крышка масляного охладителя | |
| 8 | Q1820840 | Болт | |
| 9 | Q734B180026 5 | О-образное резиновое уплотнительное кольцо | |
| 10 | Q734B300026 5 | О-образное резиновое уплотнительное кольцо | |
| 11 | Q734B300026 5 | О-образное резиновое уплотнительное кольцо | |
| 12 | Q734B800180 | О-образное резиновое уплотнительное кольцо | |
| 13 | Q/WC3410-1994 | Пробка с винтовой резьбой | |
| 14 | 1013033-29D | Болт корпуса масляного охладителя | |
| 15 | 1013027-29D | Сердечник клапана | |
| 16 | 1013022-29D | Соединительная гайка масляного фильтра | |
| 17 | 1013028-29D | Пружина предохранительного клапана | |
| 18 | 1013026-29D | Пробка предохранительного клапана | |
| 19 | Q1820840 | Болт | |
| 20 | 1013024-29D | Пружина регулятора давления | |
| 21 | 1013023-29D | Элемент регулятора давления | |
| 22 | Q1820870 | Болт | |
| 23 | Q1200840 | Шпилька | |
| 24 | 1013011-36D | Корпус охладителя моторного масла | |
| 25 | Q1200870 | Шпилька | |
| 26 | Q/WC3403-1994 | Медная прокладка | |
| 27 | 1013010-36D | Корпус охладителя моторного масла в сборе | |
| 28 | 1012010-36D | Масляный фильтр в сборе | |
| 29 | Q/WC3403-19 94 | Медная шайба | |
| 30 | Q/WC3410-1994 | Пробка с винтовой резьбой | |
| 31 | Q617B14 | Шестигранная пробка | |
| 32 | Q/WC3403-19 94 | Медная шайба |
Содержащиеся в справочниках-каталогах запасные части и детали не предлагаются к продаже, а носят исключительно информационный характер