Вернуться на главную
Поиск
Каталоги запчастей к технике
Грузовые автомобили и прицепы
FAW
CA-3312 (P2K2B2T4A2Z)
Элементы блока головки цилиндров
Каталог запасных частей к технике: FAW CA-3312 (P2K2B2T4A2Z). Элементы блока головки цилиндров
zoom-in
zoom-out
enlarge
shrink
circle-right
circle-left
file-text2
info
cart
Тип техники
Не выбрано
Легковые автомобили
Грузовые автомобили и прицепы
Автобусы
Сельхозтехника
Спецтехника
Двигатели
Мототехника
Марка
Не выбрано
BAW
DAF
DongFeng
FAW
Foton
HOWO
Hyundai
IVECO
JAC Motors
LGMG
MAN
Shaanxi
SITRAK
Studebaker
Tata
Volvo
Автокомпонент Плюс
БелАЗ
Брянский Арсенал
ГАЗ
ЗИЛ
КАЗ
Камский автозавод
КрАЗ
Мадара
МАЗ
МЗКТ
МоАЗ
Нефтекамский автозавод
Ставропольский Завод АвтоПрицепов
ТАТРА
Тонар
УралАЗ
ЧМЗАП
Модель
Не выбрано
Altay-3310 (2009)
CA 3250 P66K2T1E5 (2017)
CA 3250 серии J6 (2012)
CA 3310 серии J6 (2012)
CA 4250 P66K24T1E (2017)
CA 5250 (GJBP66K2T1E4) (2014)
CA 5250 (JSQP64K1T1E4) (2014)
CA-1083 (2007)
CA-3250-P66K2L0BT1E4Z (2018)
CA-3250-P66K2L1BT1E4Z (2018)
CA-3250-P66K2L2BT1E4Z (2018)
CA-3252 (2005)
CA-3252 (P2K2BT1A) (2008)
CA-3252 (P2K2T1A) (2009)
CA-3312 (P2K2B2T4A2Z) (2011)
CA-3312 (P2K2LT4E) (2008)
CA-4180 (P66K22A) (2008)
CA-4180 (P66K2A) (2008)
CA-4250 (P66K22T1A1EX) (2008)
CA-4250 (P66K24T1E5) (2017)
CA-4250 (P66K2T1A1EX) (2008)
CA3250 (P66K24L1TE5Z) (2022)
CA3250 (P66K24T1E5) (2022)
CA3251 (P66K2L2T1E5Z) (2017)
CA3310 (P66K24T4E5) (2017)
CA3311 (2020)
CA4180 (P77K25E5) (2022)
Схема
>
Не выбрано
Передняя подвеска кабины
Задняя подвеска кабины
Гидравлическая опора и управляющий механизм опрокидывания кабины
Крылья
Задний грязезащитный козырек
Ножная педаль
Коврик
Компоненты щитка приборов (I)
Компоненты щитка приборов (II)
Компоненты щитка приборов (III)
Верхняя отделочная плита переднего ветрового стекла
Уплотнительная пленка внешней панели ветрового стекла
Нижняя отделочная плита переднего ветрового стекла
Дворник
Ветровое стекло и уплотнитель
Омыватель ветрового стекла
Передняя боковая внешняя панель
Переднее оперение
Замок чеки
Рычаг включения внешней панели
Боковое окошко
Боковое окошко
Противосолнечный козырек покрышки
Боковой отделочный колпак покрышки
Компоненты вспомогательного щитка приборов
Щиток бокового оперения
Интерьер заднего оперения
Внутрений щиток покрышки
Окна заднего оперения
Дверь в сборе
Интерньер двери
Стекло и уплотнитель двери
Замковой механизм двери
Водительское сиденье
Переднее сиденье
Спальное место
Отопление
Магистраль отопления
Охладительный компрессор
Охлаждающее устройство
Перевозочный трубопровод фреона, конденсатор, резервуар
Внутреннее зеркало заднего вида
Левое внешнее зеркало заднего вида
Правое внешнее зеркало заднего вида
Зеркало верхнего вида
Левый противосолнечный козырек
Правый противосолнечный козырек
Ремень безопасности
Вспомогательная рама в сборе
Фургон в сборе
Вводный механизм подогревателя отработанных газов в сборе
Боковое ограждение в сборе
Заднее ограждение в сборе
Стойка топливного бака в сборе
Крепежный механизм в сборе
Топливный цилиндр «Хайао» и схема установки системы
Штуцер
Двигатель (правый рис.)
Двигатель (левый рис.)
Подвеска двигателя
Подвеска двигателя
Присоединение с рамой
Элементы блока цилиндров
Элементы блока головки цилиндров
Головка цилиндров в сборе
Покрышка головки цилиндров
Поршень, шатун
Коленчатый вал, шкив и маховик
Кулачковый механизм
Трансмиссионная система
Газораспределительная система
Выпускной трубопровод
Масляный диск
Заправочное масляное отверстие и масляная рейка
Масляный сборник
Масляный насос
Масляный охладитель
Вентиляция коробки коленчатого вала
Центробежный масляный фильтр
Топливный бак и топливная магистраль
Управляющий механизм акселератора
Воздушный фильтр
Топливный фильтр грубой очистки
Топливный фильтр тонкой очистки
Система маслопитания
Система турбонаддува
Промежуточный охладитель, трубопровод
Выпускная система
Радиатор, подвеска, магистраль, чехол вентилятора
Шлюз
Термостат, водяной насос, стойка вентилятора
Передние шкивы
Расширительный бак, крышка заливного отверстия, магистраль
Вентилятор и муфта вентилятора
Выпускной тормозной клапан
Сцепление
Управляющий механизм сцепления
Управляющий механизм переключения передач
Управляющий механизм
Цилиндр вспомогательной коробки
Управляющая магистраль КПП
Сцепление и корпус КПП
1-ая ось
2-ая ось
Левая и правая средние оси
Средняя ось передачи заднего хода
Тормоз промежуточного вала
Верхняя крышка
Регулятор воздушного фильтра
Приводная шестерня вспомогательной коробки
Ведущий вал вспомогательной коробки
Левая, правая средние оси вспомогательной коробки
Задняя крышка
Сброс мощности QH50 (шлицевой заставленный тип)
Приложение
Карданный вал заднего моста
Карданный вал среднего моста
Средний карданный вал среднего моста
Задний мост (мост с колесными редукторами R16T230W)
Средний мост (мост с колесными редукторами R16T230W)
Колесный редуктор (мост с колесными редукторами R16T230W)
Ступица заднего колеса с тормозным барабаном (с ABS, мост с колесными редукторами R16T230W)
Тормоз среднего моста (двойной мост d.410x220, переменное сечение, тормоз разъемного типа, мост R16T230W)
Тормоз заднего моста (двойной мост d.410x220, переменное сечение, тормоз разъемного типа, мост R16T230W)
Передний бампер
Рама
Передняя подвеска
Задняя подвеска
Передняя ось и рулевая поперечная штанга (1-ая ось)
Передняя ось и рулевая поперечная штанга (2-ая ось)
Рулевая штанга
Передняя рулевая вертикальная штанга
Рулевая проходная штанга
Задняя рулевая вертикальная штанга
Стойка рулевого среднего рычага и рулевой средний рычаг
Колеса и шины в сборе
Ступицы и тормозные барабаны передних колес
Подъемник запасного колеса
Стойка рулевой колонки
Рулевое колесо и привод рулевого управления
Силовая рулевая магистраль
Тормозные механизмы передних колес
Тормозная магистраль
Тормозная магистраль
Тормозная магистраль
Воздушный резервуар
Электронные компоненты управления двигателя
Провода распылителя
Жгут проводов двигателя
Датчик температуры воды
Датчик температуры и давления впускного воздуха
Датчик частоты вращения двигателя
Секция управления антиблокировкой
Электрооборудование
Передние фары
Передние фары
Лампа чтения для водителя
Комбинированные задние лампы
Распределительный блок источника питания и принадлежающие оборудования
Распределительный блок источника питания и принадлежающая стойка
Блок предохранителей
Прикуриватель
Комбинированные выключатели
Выключатели функционирования
Блок регулятора
Выключатель запуска
Аккумулятор
Приборы
Приемник-магнитола
Сопроводительные инструменты
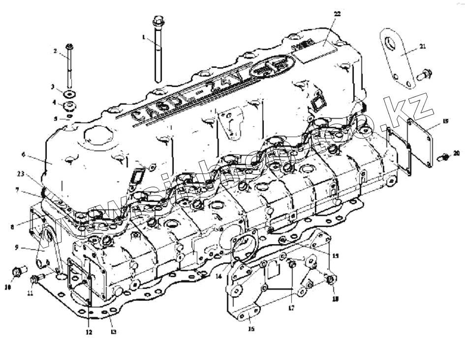
1
2
3
4
5
6
7
8
9
10
11
12
13
14
15
16
17
18
19
20
21
22
23
Позиция на иллюстрации
Заводской номер детали
Название детали
1
1003046-36D
Болт головки блока цилиндров
2
Q150B08135
Шестигранный болт
3
1003044-29D
Плоская шайба
4
1003042-29D
Коническое резиновое кольцо
5
1003043-621-0000
Опорный трубопровод
6
1003031A600-000Z
Кожух крышки цилиндра
7
1003041-600-000Z
Уплотнительная планка - верхняя крышка кожуха цилиндра
8
L6300000-PJGG
Головка цилиндров
9
1003058A29D
Переднее ушко - крышка цилиндра
10
1003057-29D
Болт переднего ушка
11
Q1841025
Болт
12
1008019-29D
Прокладка всасывающего штуцера
13
1003020-36D
Прокладка головки блока цилиндров
14
1008013-29D
Прокладка
15
1008014-630-0000
Прокладка - правая пластинка покрышки впускного трубопровода
16
1008012D621-0000
Правая накладка покрышки впускного трубопровода
17
Q1840825
Болт
18
Q1840830
Болт
19
1008018-29D
Задняя перекрывающая плита всасывающей трубки
20
Q1840816
Болт
21
1003059-29D
Заднее ушко головки блока цилиндров
22
1002091А621-0000Y
Табличка с надписью
23
1003047-600-000Z
Прокладка кожуха крышки цилиндра
Содержащиеся в справочниках-каталогах запасные части и детали не предлагаются к продаже, а носят исключительно информационный характер
Дополнительная информация
×
Название:
Номер:
Примечание: