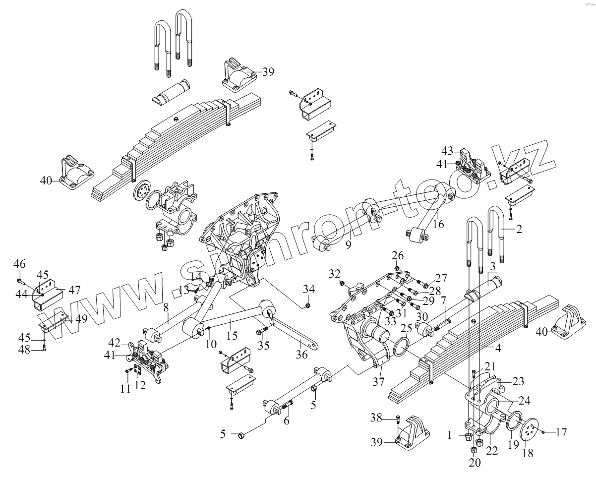
Каталог запасных частей к технике: FAW CA 3310 серии J6. Задняя подвеска
1
2
3
4
5
5
6
7
8
9
10
11
12
13
14
15
16
17
18
19
20
21
22
23
24
25
26
27
28
29
30
31
32
33
34
35
36
37
38
39
39
40
40
41
41
42
43
44
45
45
46
47
48
49
| Позиция на иллюстрации | Заводской номер детали | Название детали | |
|---|---|---|---|
| 2919211-71B | 2919211-71B | Верхний кронштейн торсиона промежуточного моста | |
| 2912171-03 | 2912171-03 | Промежуточная трубка | |
| CQ15010115 | CQ15010115 | Болт | |
| CQ35010 | CQ35010 | Гайка | |
| 2918016A260 | 2918016A260 | Кронштейн сбалансировочной подвески | |
| 2912441A71B | 2912441A71B | Держатель задней рессоры слева промежуточного моста | |
| 2919201-A2E | 2919201-A2E | Упругий цилиндрический штифт | |
| 2912442A71B | 2912442A71B | Держатель задней рессоры справа промежуточного моста | |
| 2919201-A2E | 2919201-A2E | Упругий цилиндрический штифт | |
| Q40324 | Q40324 | Пружинная шайба | |
| 2919201-A2E | 2919201-A2E | Упругий цилиндрический штифт | |
| 2919202-A2E | 2919202-A2E | Упругий цилиндрический штифт | |
| 2919212-571 | 2919212-571 | Верхний кронштейн торсиона заднего моста | |
| 2919201-A2E | 2919201-A2E | Упругий цилиндрический штифт | |
| 2919202-A2E | 2919202-A2E | Упругий цилиндрический штифт | |
| 2912437-85A | 2912437-85A | накладка ограничителя | |
| 2912455-242 | 2912455-242 | Фиксирующий кронштейн и гайка | |
| 2912161-483 | 2912161-483 | Центральный болт задней рессоры | |
| CQ1512445T | CQ1512445T | Болт | |
| 2918020A626 | 2918020A626 | Вал сбалансировочной подвески | |
| 2912201-483 | 2912201-483 | Первый лист задней рессоры | |
| 2912202-483 | 2912202-483 | Второй лист задней рессоры | |
| 2912203-483 | 2912203-483 | Третий лист задней рессоры | |
| 2912204-483 | 2912204-483 | Четвертый лист задней рессоры | |
| 2912206-483 | 2912206-483 | Пятый лист задней рессоры | |
| 2912207-483 | 2912207-483 | Шестой лист задней рессоры | |
| 2912208-483 | 2912208-483 | Седьмой лист задней рессоры | |
| 2912209-483 | 2912209-483 | Восьмой лист задней рессоры | |
| 2912211-483 | 2912211-483 | Девятый лист задней рессоры | |
| 2912212-483 | 2912212-483 | Десятый лист задней рессоры | |
| 2912136-483 | 2912136-483 | Хомут одиннадцатого листа задней рессоры | |
| CQ34116T | CQ34116T | Гайка | |
| 1 | 2912413-260 | Гайка крепления стремянки | |
| 2 | 2912411-71B | Стремянка крепления задней рессоры | |
| 3 | 2912406X487 | Накладка задней рессоры | |
| 4 | 2912010-483 | Задняя рессора | |
| 5 | T32724TF2 | Гайка | |
| 6 | CQ1512495T | Болт | |
| 7 | 2919161-242 | Болт | |
| 8 | 2919010-260 | Передняя нижняя реактивная тяга с резиновой втулкой в сборе | |
| 9 | 2919020-260 | Задняя нижняя реактивная тяга с резиновой втулкой в сборе | |
| 10 | T32716TF2 | Шестигранная фланцевая стопорная гайка SPL | |
| 11 | 2919511-260 | Винт | |
| 12 | 2919517A260 | Прокладка соединителя торсиона | |
| 13 | 2918518-260 | Винт | |
| 14 | 2919519A260 | Прокладка соединителя торсиона | |
| 15 | 2919005B71B | Передний верхний торсион | |
| 16 | 2919015B71B | Задний верхний торсион | |
| 17 | Q1851655T | Болт | |
| 18 | 2918072-626 | Крышка держателя рессоры сбалансировочной подвески | |
| 19 | 2918017-626 | Шайба | |
| 20 | T32720TF2 | Гайка | |
| 21 | Q18520130T | Болт | |
| 22 | 2918046A260 | Нижняя крышка | |
| 23 | 2918041A260 | Верхняя крышка | |
| 24 | 2918042-242 | Втулка | |
| 25 | 2918017-242 | Шайба | |
| 26 | T32718TF2 | Гайка | |
| 27 | Q1851885T | Болт | |
| 28 | T1791895T | Болт | |
| 29 | Q1851845T | Болт | |
| 30 | T1791885T | Болт | |
| 31 | T1791845T | Болт | |
| 32 | T32720TF2 | Гайка | |
| 33 | 2918516-260 | Болт | |
| 34 | T32720TF2 | Гайка | |
| 35 | Q1852090T | Шестигранный фланцевый болт | |
| 36 | 2919172A71B | накладка | |
| 37 | 2918010B626 | Вал сбалансировочной подвески | |
| 38 | CQ1512060T | Болт | |
| 39 | 2912445A71B | Держатель задней рессоры | |
| 40 | 2912450A71B | Держатель задней рессоры | |
| 41 | T32720TF2 | Гайка | |
| 42 | 2919210-71B | Верхний кронштейн торсиона промежуточного моста с фиксатором в сборе | |
| 43 | 2919220-571 | Верхний кронштейн торсиона заднего моста | |
| 44 | CQ34012 | Гайка | |
| 45 | Q40312 | Пружинная шайба | |
| 46 | Q1841255 | Болт | |
| 47 | 2912435-85A | Кронштейн ограничителя | |
| 48 | CQ1501230 | Болт | |
| 49 | 2912434-242 | Отбойник задней рессоры |
Содержащиеся в справочниках-каталогах запасные части и детали не предлагаются к продаже, а носят исключительно информационный характер