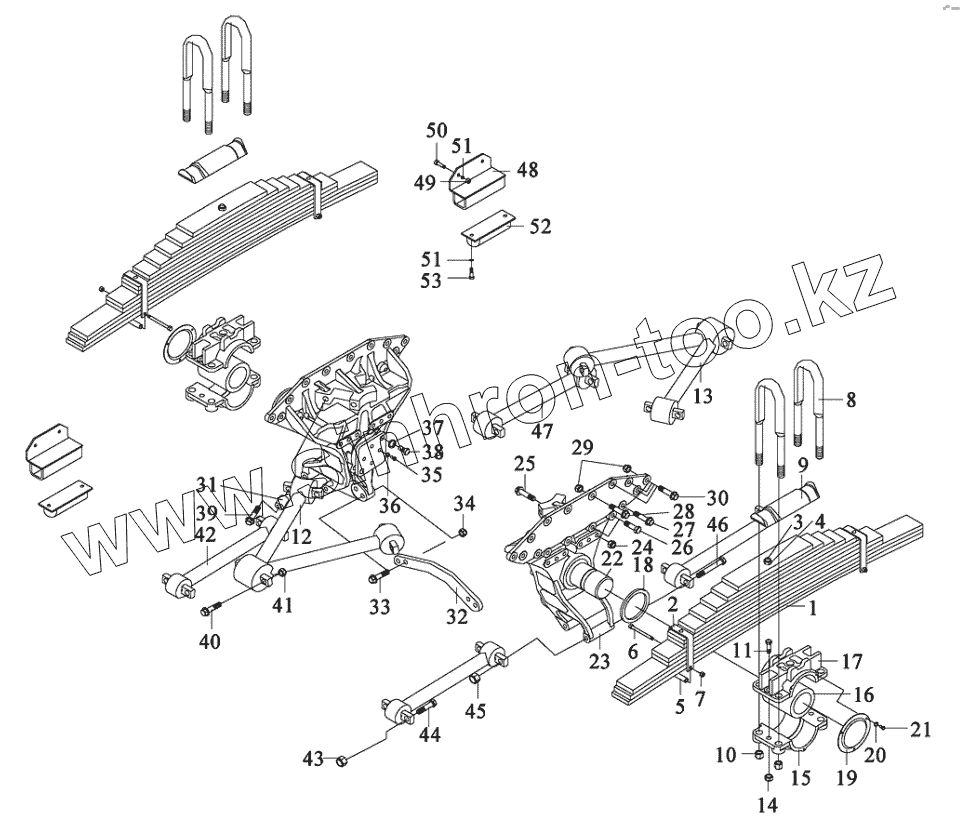
Каталог запасных частей к технике: FAW CA-3252. Задняя подвеска
1
1
1
1
1
1
1
1
1
1
1
2
3
4
5
6
7
8
9
10
11
12
13
14
15
16
17
18
19
20
21
22
22
22
23
23
24
25
26
27
28
29
30
31
32
33
34
35
36
37
38
39
40
41
42
43
44
45
46
47
48
48
48
49
50
51
51
52
53
| Позиция на иллюстрации | Заводской номер детали | Название детали | |
|---|---|---|---|
| 1 | 2912202-260 | Второй лист задней рессоры | |
| 1 | 2912209-260 | Восьмой лист задней рессоры | |
| 1 | 2912207-260 | Шестой лист задней рессоры | |
| 1 | 2912204-260 | Четвертый лист задней рессоры | |
| 1 | 2912208-260 | Седьмой лист задней рессоры | |
| 1 | 2912206-260 | Пятый лист задней рессоры | |
| 1 | 2912201-260 | Первый лист задней рессоры | |
| 1 | 2912010-260 | Задняя рессора | |
| 1 | 2912212-260 | Десятый лист задней рессоры | |
| 1 | 2912211-260 | Девятый лист задней рессоры | |
| 1 | 2912203-260 | Первый лист задней рессоры | |
| 2 | 2912131-260 | Замок рессоры | |
| 3 | 2912161-260 | Центральный болт задней рессоры | |
| 4 | CQ34116T | Гайка | |
| 5 | 2912171-03 | Промежуточная трубка | |
| 6 | CQ15010115 | Болт | |
| 7 | CQ35010 | Гайка | |
| 8 | 2912411-260 | Стремянка | |
| 9 | 2912406-242 | Накладка | |
| 10 | 2912413-260 | Гайка крепления стремянки | |
| 11 | Q18520120T | Болт | |
| 12 | 2919005-260 | Передняя верхняя реактивная тяга с резиновой втулкой в сборе | |
| 13 | 2919015-260 | Задняя нижняя реактивная тяга с резиновой втулкой в сборе | |
| 14 | T32720TF2 | Гайка | |
| 15 | 2918046A260 | Нижняя крышка | |
| 16 | 2918042-242 | Втулка | |
| 17 | 2918041A260 | Верхняя крышка | |
| 18 | 2918017-242 | Шайба | |
| 19 | 2918072-242 | Шайба | |
| 20 | Q40308 | Пружинная шайба | |
| 21 | CQ1500816 | Болт | |
| 22 | 2918013-242 | Крепежная пластина оси балансирной подвески | |
| 22 | 2918011-242 | Ось балансирной подвески | |
| 22 | 2918020-242 | Ось балансирной подвески и крепежная пластина | |
| 23 | 2918016-260 | Кронштейн балансирной подвески | |
| 23 | 2918015-260 | Кронштейн балансной подвески в сборе | |
| 24 | T32720TF2 | Гайка | |
| 25 | 2918516-260 | Болт | |
| 26 | CQ1511845TS | Болт | |
| 27 | Q1851855T | Болт | |
| 28 | 2918512-242 | Болт | |
| 29 | T32718TF2 | Гайка | |
| 30 | 2918511-242 | Болт | |
| 31 | 2919519-260 | Прокладка наконечника реактивной тяги | |
| 32 | 2919172A260 | Кронштейн | |
| 33 | 2905521-20A | Болт | |
| 34 | T32720TF2 | Гайка | |
| 35 | CQ1511640T | Болт | |
| 36 | Q40316 | Пружинная шайба | |
| 37 | CQ1512445T | Болт | |
| 38 | Q40324 | Пружинная шайба | |
| 39 | CQ15122100T | Болт | |
| 40 | 2919511-242 | Болт | |
| 41 | T32724TF2 | Гайка | |
| 42 | 2919010-260 | Передняя нижняя реактивная тяга с резиновой втулкой в сборе | |
| 43 | T32724TF2 | Гайка | |
| 44 | CQ1512495T | Болт | |
| 45 | T32724TF2 | Гайка | |
| 46 | 2919161-242 | Болт | |
| 47 | 2919020-260 | Задняя нижняя реактивная тяга с резиновой втулкой в сборе | |
| 48 | 2912437-242 | Фиксирующая пластина | |
| 48 | 2912435-242 | Фиксирующий кронштейн | |
| 48 | 2912455-242 | Фиксирующий кронштейн и гайка | |
| 49 | Q34012T | Гайка | |
| 50 | CQ1501245T | Болт | |
| 51 | Q40312 | Пружинная шайба | |
| 52 | 2912434-242 | Отбойник задней рессоры | |
| 53 | CQ1501230T | Болт |
Содержащиеся в справочниках-каталогах запасные части и детали не предлагаются к продаже, а носят исключительно информационный характер