Каталог запасных частей к технике: FAW CA-3252. Картер сцепления, картер коробки передач
1
2
3
4
5
6
7
8
9
10
11
12
13
13
14
14
15
15
16
16
17
18
19
20
21
22
23
24
25
26
27
28
29
30
31
32
33
34
35
36
37
38
39
40
41
42
43
44
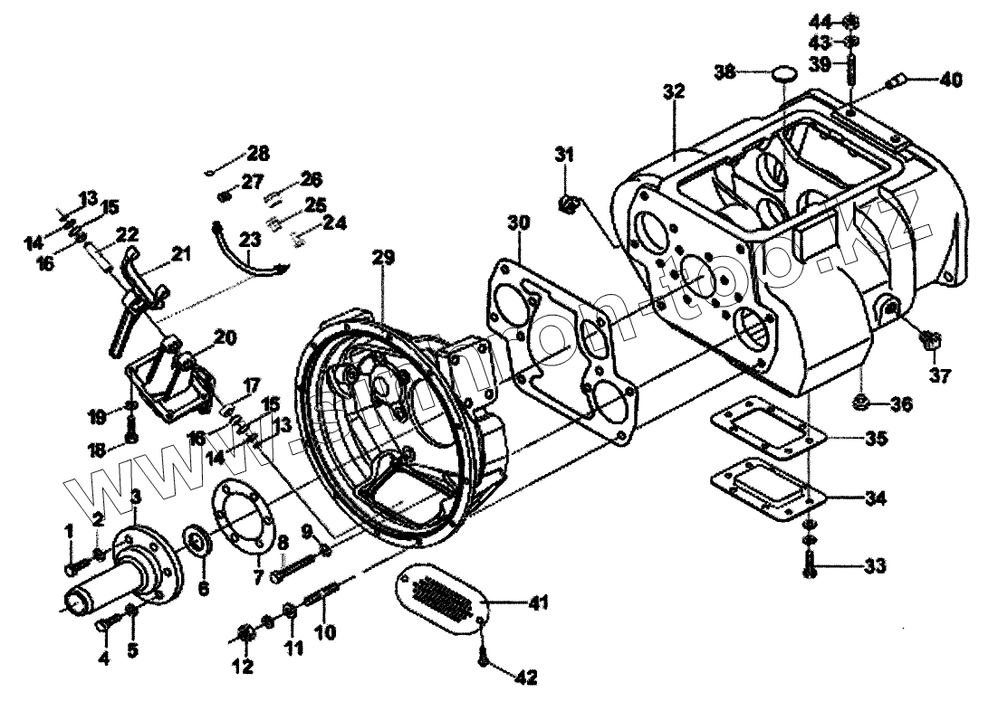
| Позиция на иллюстрации | Заводской номер детали | Название детали | |
|---|---|---|---|
| 1 | Q1701032 | Болт | |
| 2 | GB93-76 | Пружинная шайба | |
| 3 | JS180-1701040-3 | Крышка подшипника первичного вала | |
| 4 | GB21-76 | Болт | |
| 5 | GB93-76 | Пружинная шайба | |
| 6 | F500A-1802191 | Сальник | |
| 7 | 14311 | Прокладка крышки подшипника первичного вала | |
| 8 | GB21-76 | Болт | |
| 9 | GB93-76 | Пружинная шайба | |
| 10 | C01056 | Шпилька | |
| 11 | GB95-76 | Шайба | |
| 12 | GB889-80 | Контргайка | |
| 13 | Q43125 | Стопорное кольцо вала | |
| 14 | JS180-1601029-1 | Пыльник | |
| 15 | Q43042 | Стопорное кольцо | |
| 16 | JS180-1601030-2 | Втулка вилки | |
| 17 | GB304-64UC25 | Подшипник | |
| 18 | Q150B1235 | Болт | |
| 19 | Q43012 | Пружинная шайба | |
| 20 | JS180-1601024-5 | Опора вилки сцепления | |
| 21 | JS180-1601021-4 | Вилка сцепления | |
| 22 | JS180-1601023-3 | Ось вилки | |
| 23 | J75-1601033 | Смазочная трубка подшипника | |
| 24 | J75-1601031 | Штуцер | |
| 25 | J75-1601035 | Гнездо масленки | |
| 26 | J75-1601034 | Крышка масленки | |
| 27 | Q40310 | Пружинная шайба | |
| 28 | Q72310T3 | Уплотнительное кольцо | |
| 29 | 15410-17 | Картер сцепления | |
| 30 | 20822 | Прокладка картера сцепления | |
| 31 | Q61304 | Заглушка | |
| 32 | 18686 | Картер коробки передач | |
| 33 | GB21-76 | Болт | |
| 34 | 16596 | Прокладка | |
| 35 | 16929 | Крышка | |
| 36 | Q614B06 | Заглушка | |
| 37 | Q614B12 | Заглушка | |
| 38 | 14373 | Заглушка | |
| 39 | Шпилька М6х16 | ||
| 40 | 14334 | Стопорная шпилька | |
| 41 | C04004-6 | Крышка | |
| 42 | Шпилька М6х16 | ||
| 43 | Шпилька М6х16 | ||
| 44 | Шпилька М6х16 |
Содержащиеся в справочниках-каталогах запасные части и детали не предлагаются к продаже, а носят исключительно информационный характер