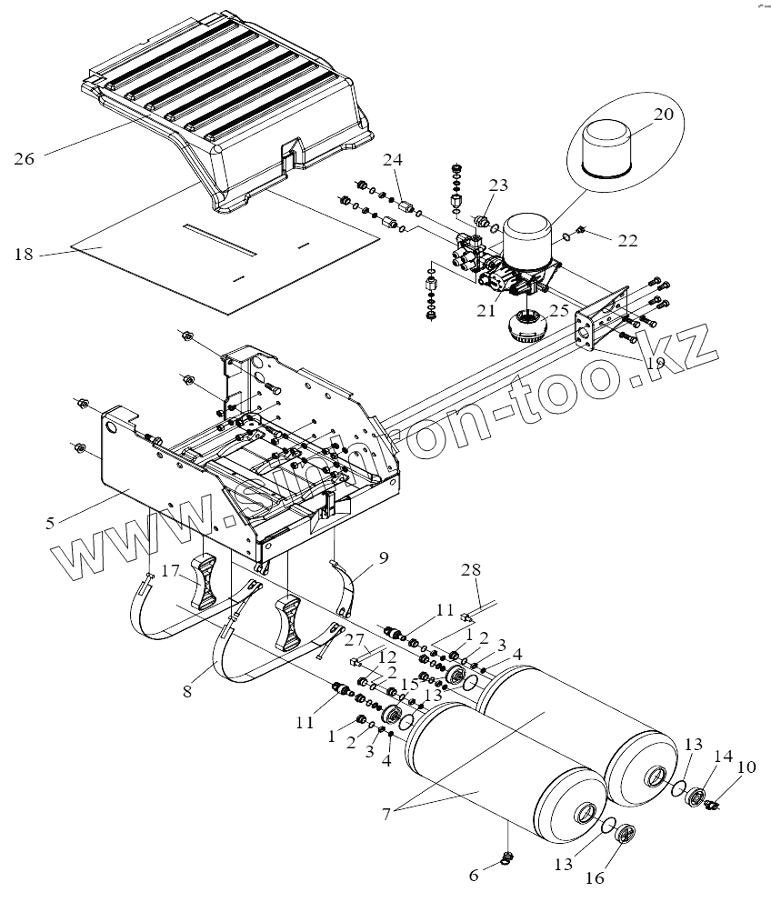
Каталог запасных частей к технике: FAW CA 3250 P66K2T1E5. Модуль энергоснабжения пневматического тормоза
Q151C1230
Q40312
CQ734190B
Q40312
Q1841465
CQ32614
CQ34012
CQ1501225
CQ7341180B
CQ2180880Q
CQ7341132B
1
1
2
2
2
3
3
4
4
5
6
7
8
9
10
11
11
12
13
13
13
14
15
16
17
18
19
20
21
22
23
24
25
26
27
28
| Позиция на иллюстрации | Заводской номер детали | Название детали | |
|---|---|---|---|
| Q151C1230 | Q151C1230 | Шестигранный нитевидный болт | |
| Q40312 | Q40312 | Пружинная шайба | |
| CQ734190B | CQ734190B | О - образное резиновое кольцо для гидравлической | |
| Q40312 | Q40312 | Пружинная шайба | |
| Q1841465 | Q1841465 | Шестигранный фланцевый болт | |
| CQ32614 | CQ32614 | Гайка | |
| CQ34012 | CQ34012 | Гайка | |
| CQ1501225 | CQ1501225 | Болт | |
| CQ7341180B | CQ7341180B | О-образное резиновое уплотнительное кольцо | |
| CQ2180880Q | CQ2180880Q | Винт с цилиндрической головкой и внутренним шестигранником | |
| CQ7341132B | CQ7341132B | О-образное резиновое кольцо для гидравлической | |
| 1 | 3513406-50А | Втулка | |
| 2 | 3513408-50А | Уплотнительное кольцо | |
| 3 | 3513407-50А | Рым | |
| 4 | 3513403-50А | Уплотнительное кольцо | |
| 5 | 3513800-82V/A | Ресивер с кронштейном АКБ в сборе | |
| 6 | 3513100-240 | Клапан слива воды | |
| 7 | 3513020-73А | Ресивер в сборе | |
| 8 | 3513090-14А/А | Крепежный ремень в сборе | |
| 9 | 3513095-14А/А | Крепежный ремень в сборе | |
| 10 | 3506700-240 | Проверочный штуцер | |
| 11 | 3757010-61В/С | Датчик давления воздуха в сборе | |
| 12 | 3506421-50А | Пробка | |
| 13 | 3513028-73А | Уплотнительное кольцо | |
| 14 | 3513027-73А | Переходник | |
| 15 | 3513026-73А | Переходник | |
| 16 | 3513027-795 | Пробка | |
| 17 | 3513411-50А | Промежуточная прокладка ресивера | |
| 18 | 3513807-240 | Резиновый амортизатор аккумулятора | |
| 19 | 3515012-72U/B | Кронштейн блока обработки воздуха | |
| 20 | 3511020-50А | Воздушный сушильный резервуар в сборе | |
| 21 | 3515020-73А/В | Блок отработки воздуха | |
| 22 | 3515421-55А | Заглушка | |
| 23 | 3506204-50А/С | Концевой фитинг блока обработки воздуха | |
| 24 | 3515409-469 | Переходный штуцер | |
| 25 | 3515025-73А | Четырехконтурный защитный клапан в сборе | |
| 26 | 3513801-50А/С | Накладка ресивера и кронштейна АКБ | |
| 27 | 3506235-82V/A | Воздухопровод в сборе между присоединительным отверстием блока обработки воздуха и Заднее отверстие ресивера переднего тормоза | |
| 28 | 3506240-82V/A | Воздухопровод в сборе между присоединительным отверстием блока обработки воздуха и задним отверстием ресивера заднего тормоза |
Содержащиеся в справочниках-каталогах запасные части и детали не предлагаются к продаже, а носят исключительно информационный характер