Вернуться на главную
Поиск
Каталоги запчастей к технике
Грузовые автомобили и прицепы
FAW
CA 3250 P66K2T1E5
Фреоновый трубопровод
Каталог запасных частей к технике: FAW CA 3250 P66K2T1E5. Фреоновый трубопровод
zoom-in
zoom-out
enlarge
shrink
circle-right
circle-left
file-text2
info
cart
Тип техники
Не выбрано
Легковые автомобили
Грузовые автомобили и прицепы
Автобусы
Сельхозтехника
Спецтехника
Двигатели
Мототехника
Марка
Не выбрано
BAW
DAF
DongFeng
FAW
Foton
HOWO
Hyundai
IVECO
JAC Motors
LGMG
MAN
Shaanxi
SITRAK
Studebaker
Tata
Volvo
Автокомпонент Плюс
БелАЗ
Брянский Арсенал
ГАЗ
ЗИЛ
КАЗ
Камский автозавод
КрАЗ
Мадара
МАЗ
МЗКТ
МоАЗ
Нефтекамский автозавод
Ставропольский Завод АвтоПрицепов
ТАТРА
Тонар
УралАЗ
ЧМЗАП
Модель
Не выбрано
Altay-3310 (2009)
CA 3250 P66K2T1E5 (2017)
CA 3250 серии J6 (2012)
CA 3310 серии J6 (2012)
CA 4250 P66K24T1E (2017)
CA 5250 (GJBP66K2T1E4) (2014)
CA 5250 (JSQP64K1T1E4) (2014)
CA-1083 (2007)
CA-3250-P66K2L0BT1E4Z (2018)
CA-3250-P66K2L1BT1E4Z (2018)
CA-3250-P66K2L2BT1E4Z (2018)
CA-3252 (2005)
CA-3252 (P2K2BT1A) (2008)
CA-3252 (P2K2T1A) (2009)
CA-3312 (P2K2B2T4A2Z) (2011)
CA-3312 (P2K2LT4E) (2008)
CA-4180 (P66K22A) (2008)
CA-4180 (P66K2A) (2008)
CA-4250 (P66K22T1A1EX) (2008)
CA-4250 (P66K24T1E5) (2017)
CA-4250 (P66K2T1A1EX) (2008)
CA3250 (P66K24L1TE5Z) (2022)
CA3250 (P66K24T1E5) (2022)
CA3251 (P66K2L2T1E5Z) (2017)
CA3310 (P66K24T4E5) (2017)
CA3311 (2020)
CA4180 (P77K25E5) (2022)
Схема
>
Не выбрано
Двигатель
Подвеска двигателя
Компоненты блока цилиндров
Блок цилиндров
Компоненты головки блока цилиндров
Головка блока цилиндров в сборе
Кожух головки блока цилиндров
Натяжной шкив
Задняя подвеска силовой установки в сборе
Поршень и шатун
Коленчатый вал, шкив и маховик
Кулачковый механизм
Трансмиссионная система
Система газораспределения (I)
Выхлопная труба
Выпускная система
Тормозная система с использованием выхлопных газов
Система нейтрализации отработавших газов
Масляный картер
Маслосборник
Масляный насос
Масляный радиатор
Вентиляция картера
Центробежный масляный фильтр
Система подачи топлива (I)
Система подачи топлива (II)
Фильтр тонкой очистки топлива
Перепускной штуцер мочевины
Топливный бак и топливопроводы
Бак для мочевины и трубопроводы мочевины
Фильтр грубой очистки топлива
Система турбонаддува
Сливной кран
Термостат, водяной насос, кронштейн вентилятора
Вентилятор и муфта вентилятора
Радиатор, трубопроводы и воздухоотражатель радиатора
Расширительный бачок, крышка наливной горловины, кронштейн расширительного бачка, трубопроводы
Масляный насос гидроусилителя руля
Воздушный компрессор (I)
Воздушный компрессор (II)
Компрессор с воздушным охлаждением
Блок управления двигателем
Датчик электронной системы управления
Жгут проводов двигателя
Жгут проводов форсунки
Следящий сервомеханизм
Генератор
Стартер
Воздухоподогреватель
Воздушный фильтр
Интеркулер, трубопроводы, подвеска, защитная сетка
Сцепление
Система управления сцеплением
Механизм управления переключением передач
Карданный вал промежуточного моста
Карданный вал заднего моста
Задний мост
Промежуточный мост
Колесный редуктор
Передняя ось
Рама и защита
Передняя подвеска
Задняя подвеска
Продольная рулевая тяга
Ступица переднего колеса с тормозным барабаном
Ступица заднего колеса с тормозным барабаном
Колесо с шиной
Рулевое управление и привод
Трубопроводы гидроусилителя руля
Тормоз переднего колеса
Тормоз промежуточного моста
Тормоз заднего колеса
Тормозные трубопроводы (I)
Тормозные трубопроводы (II)
Педаль тормоза с тормозным краном и педаль сцепления с главным цилиндром сцепления
Модуль энергоснабжения пневматического тормоза
Вспомогательный ресивер
Блок управления АБС
Датчик скорости вращения колеса передней оси
Датчик скорости вращения колеса заднего моста
Датчик температуры атмосферного воздуха
Электрооборудование кабины
Электрооборудование шасси
Комбинация переднего освещения
Сигнализатор открытой двери
Комбинация заднего освещения
Блок предохранителей с реле
Блок предохранителей с реле 1
Распределительная коробка с вспомогательными устройствами
Передний габаритный фонарь
ПТФ
Функциональные переключатели
АКБ
Кабина
Передняя подвеска кабины (I)
Передняя подвеска кабины (II)
Передняя подвеска кабины (III)
Задней подвеска кабины (I)
Задней подвеска кабины (II)
Гидравлическая опора кабины (I)
Гидравлическая опора кабины (II)
Механизм управления опрокидыванием кабины (I)
Механизм управления опрокидыванием кабины (II)
Компоненты защитного чехла механизма переключения передач
Кронштейн огнетушителя
Задняя звукоизолирующая перегородка двигателя
Компоненты коврика
Теплоизоляционная прокладка пола
Заглушка пола
Теплоизоляционная прокладка глушителя
Приборная панель (I)
Приборная панель (II)
Приборная панель (III)
Приборная панель (IV)
Приборная панель (V)
Приборная панель (VI)
Приборная панель (VII)
Компоненты верхнего отсека (I)
Компоненты верхнего отсека (II) (с видеорегистратором)
Обшивка боковины и посадочный поручень в сборе (I)
Обшивка боковины и посадочный поручень в сборе (II)
Компоненты нижнего спального места
Компоненты нижнего спального места (с автономным отопителем)
Передний солнцезащитный козырек
Компоненты пепельницы
Передний бампер
Кронштейн домкрата
Подножка и передний брызговик (I)
Задний брызговик
Боковой щит двигателя
Верхнее крыло, верхний брызговик и трехступенчатая подножка
Правый обтекатель
Наружная панель передка
Пневмопружина и кронштейн
Узел поручня
Заглушка панели передка и водонепроницаемая пленка
Замок панели передка и ручка открытия
Инструментальный ящик в боковине
Замок инструментального ящика в боковине с тросиком привода Замка инструментального ящика в боковине с тросиком привода
Обшивка задка
Вентиляционная решетка
Декоративный кожух задней части боковины
Солнцезащитный козырек на крышу
Держатель лампочки отображения скорости
Заглушка крыши
Компоненты облицовки крыши (I)
Компоненты облицовки крыши (II)
Стеклоочиститель
Лобовое стекло
Стеклоомыватель
Боковое стекло
Заднее стекло
Поручень двери
Передняя дверь
Нижняя декоративная панель двери
Обивка двери
Дверной замок
Стопорное кольцо, держатель фиксирующего штифта и наружный уплотнитель двери
Уплотнитель двери
Упор двери
Левое наружное зеркало заднего вида (с ручным приводом)
Правое наружное зеркало заднего вида (с ручным приводом)
Водительское сиденье
Переднее сиденье
Кондиционер
Фильтр очистки наружного воздуха
Воздуховод
Два блока в сборе
Конденсатор в сборе
Фреоновый трубопровод
Водопроводы отопителя
Компрессор с воздушным охлаждением
Воздушный автономный отопитель (в кабине)
Воздушный автономный отопитель (автомобильной техники)
Возимый комплект инструментов
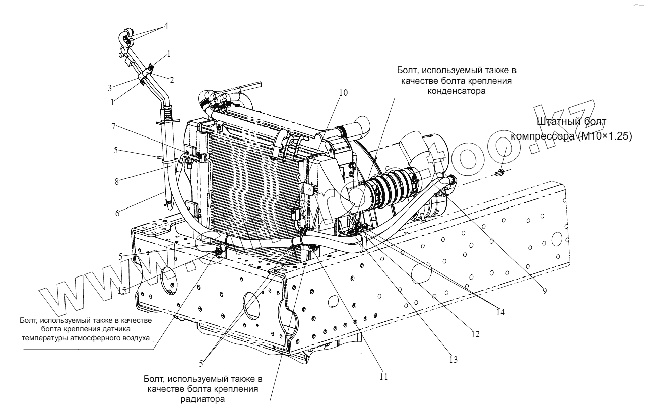
1
1
2
3
4
5
5
5
6
7
8
9
10
11
12
13
14
15
Позиция на иллюстрации
Заводской номер детали
Название детали
1
CQ1460620
Болт
2
8108075-50А/В
Хомут в сборе
3
8108065-50А/В
Хомут в сборе
4
CQ1460625
Болт
5
Т67427946
Пластмассовая бандажная лента
6
8108130A71U-C00/A
Гибкий трубопровод высокого давления в сборе между конденсатором и охладителем
7
CQ1460620
Болт
8
8108060-14В-С00/В
Гибкий трубопровод низкого давления в сборе между охладителем и компрессором
9
8108080-14В-С00/С
Гибкий трубопровод высокого давления в сборе между компрессором и конденсатором
10
CQ1460620
Болт
11
8108156-90С/А
Кронштейн крепежного ремешка
12
8108095-70U/A
Хомут в сборе для крепления охлаждающего воздухопровода
13
8108160-70U/A
L-образный кронштейн в сборе
14
CQ1460620
Болт
15
8108121-90U/A
Кронштейн
Содержащиеся в справочниках-каталогах запасные части и детали не предлагаются к продаже, а носят исключительно информационный характер
Дополнительная информация
×
Название:
Номер:
Примечание: