Каталог запасных частей к технике: FAW CA-3250-P66K2L1BT1E4Z. Задняя подвеска
291921-71B/A
2912171-03/А
CQ15010115
CQ35010
2918016-96AJ/A
2912441А71В/В
2912441А71В/В
2919201-А2Е
2919201-А2Е
2912442А71В/В
2912442А71В/В
2919201-А2Е
2919201-А2Е
Q40324
2919201-A2E
2919202-A2E
2919212-571
2919201-A2E
2919202-A2E
2912437-85А
2912455-242
2912161-483
CQ1512445T
2918020А626/А
2912201-483/В
2912202-483/В
2912203-483/В
2912204-483
2912206-483
2912207-483
2912208-483
2912209-483
2912211-483
2912212-483
2912136-483
CQ34116T
1
2
3
4
5
5
6
7
8
9
10
11
12
13
14
15
16
17
18
19
20
21
22
23
24
25
26
27
28
29
30
31
32
33
34
35
36
37
38
39
39
40
40
41
41
42
43
44
45
45
46
47
48
49
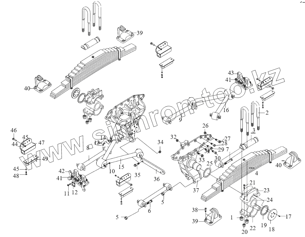
| Позиция на иллюстрации | Заводской номер детали | Название детали | |
|---|---|---|---|
| 291921-71B/A | 291921-71B/A | Верхний кронштейн торсиона промежуточного моста | |
| 2912171-03/А | 2912171-03/А | Распорная втулка-скоба задней рессоры | |
| CQ15010115 | CQ15010115 | Болт | |
| CQ35010 | CQ35010 | Гайка | |
| 2918016-96AJ/A | 2918016-96AJ/A | Кронштейн сбалансировочной подвески | |
| 2912441А71В/В | 2912441А71В/В | Держатель задней рессоры слева промежуточного моста | |
| 2919201-А2Е | 2919201-А2Е | Упругий цилиндрический штифт | |
| 2912442А71В/В | 2912442А71В/В | Держатель задней рессоры справа промежуточного моста | |
| 2919201-А2Е | 2919201-А2Е | Упругий цилиндрический штифт | |
| Q40324 | Q40324 | Пружинная шайба | |
| 2919201-A2E | 2919201-A2E | Упругий цилиндрический штифт | |
| 2919202-A2E | 2919202-A2E | Упругий цилиндрический штифт | |
| 2919212-571 | 2919212-571 | Верхний кронштейн торсиона заднего моста | |
| 2919201-A2E | 2919201-A2E | Упругий цилиндрический штифт | |
| 2919202-A2E | 2919202-A2E | Упругий цилиндрический штифт | |
| 2912437-85А | 2912437-85А | накладка ограничителя | |
| 2912455-242 | 2912455-242 | Фиксирующий кронштейн и гайка | |
| 2912161-483 | 2912161-483 | Центральный болт задней рессоры | |
| CQ1512445T | CQ1512445T | Болт | |
| 2918020А626/А | 2918020А626/А | Вал сбалансировочной подвески с крепежной пластиной в сборе | |
| 2912201-483/В | 2912201-483/В | 1-ый лист задней рессоры | |
| 2912202-483/В | 2912202-483/В | 2-ой лист задней рессоры | |
| 2912203-483/В | 2912203-483/В | 3-ий лист задней рессоры | |
| 2912204-483 | 2912204-483 | Четвертый лист задней рессоры | |
| 2912206-483 | 2912206-483 | Пятый лист задней рессоры | |
| 2912207-483 | 2912207-483 | Шестой лист задней рессоры | |
| 2912208-483 | 2912208-483 | Седьмой лист задней рессоры | |
| 2912209-483 | 2912209-483 | Восьмой лист задней рессоры | |
| 2912211-483 | 2912211-483 | Девятый лист задней рессоры | |
| 2912212-483 | 2912212-483 | Десятый лист задней рессоры | |
| 2912136-483 | 2912136-483 | Хомут одиннадцатого листа задней рессоры | |
| CQ34116T | CQ34116T | Гайка | |
| 1 | 2912413-260 | Гайка крепления стремянки | |
| 2 | 2912411-71В/А | Стремянка задней рессоры | |
| 3 | 2912406Х487/А | Накладка задней рессоры | |
| 4 | 2912010-483/В | Задняя рессора в сборе | |
| 5 | T32724TF2 | Гайка | |
| 6 | CQ1512495T | Болт | |
| 7 | 2919161-242 | Болт | |
| 8 | 2919010-260/В | Передний нижний торсион с резиновым соединителем в сборе | |
| 9 | 2919020-260/В | Задний нижний торсион с резиновым соединителем в сборе | |
| 10 | T32716TF2 | Шестигранная фланцевая стопорная гайка SPL | |
| 11 | 2919511-260/D | Болт с шестигранной головкой с фланцем | |
| 12 | 2919517A260/D | Прокладка соединителя торсиона в сборе | |
| 13 | 2918518А260/В | Винт с внутренним шестигранником и цилиндрической головкой | |
| 14 | 2919519В260/С | Прокладка соединителя торсиона в сборе | |
| 15 | 2919005В71В/С | Передняя верхняя реактивная штанга с резиновым наконечником в сборе | |
| 16 | 2919015В71В/С | Задняя верхняя реактивная штанга с резиновым наконечником в сборе | |
| 17 | Q1851655T | Болт | |
| 18 | 2918072-626/А | Крышка держателя рессоры балансирной подвески | |
| 19 | 2918017-626/А | Шайба | |
| 20 | T32720TF2 | Гайка | |
| 21 | Q18520130T | Болт | |
| 22 | 2918046А260/В | Верхняя покрышка рессоры подвески сбалансирования | |
| 23 | 2918041А260/С | Нижняя покрышка пружинной опоры рессоры подвески сбалансирования | |
| 24 | 2918042-260-C00/AL01 | Втулка держателя рессоры сбалансированной подвески | |
| 25 | 2918017-242 | Шайба | |
| 26 | T32718TF2 | Гайка | |
| 27 | Q1851885T | Болт | |
| 28 | Т1791895Т | Болт с большой шестигранной головкой | |
| 29 | Q1851845T | Болт | |
| 30 | Т1791885Т | Болт с большой шестигранной головкой | |
| 31 | Т1791845Т | Болт с большой шестигранной головкой | |
| 32 | T32720TF2 | Гайка | |
| 33 | 2918516-260/В | Болт | |
| 34 | T32720TF2 | Гайка | |
| 35 | Q1852090T | Шестигранный фланцевый болт | |
| 36 | 2919172А85А/А | накладка | |
| 37 | 2918010-96AJ/A | Вал сбалансировочной подвески с кронштейном сбалансировочной подвески в сборе | |
| 38 | CQ1512060T | Болт | |
| 39 | 2912445А71В/В | Держатель задней рессоры в сборе | |
| 40 | 2912450А71В/В | Держатель задней рессоры в сборе | |
| 41 | T32720TF2 | Гайка | |
| 42 | 2919210-7 IB/A | Верхний кронштейн торсиона промежуточного моста с фиксатором в сборе | |
| 43 | 2919220-571/A | Верхний кронштейн торсиона заднего моста с фиксатором в сборе | |
| 44 | CQ34012 | Гайка | |
| 45 | Q40312 | Пружинная шайба | |
| 46 | Q1841255 | Болт | |
| 47 | 2912435-85А/В | Кронштейн ограничителя в сборе | |
| 48 | CQ1501230 | Болт | |
| 49 | 2912434-242/А | Подушка задней рессоры с правой стороны заднего моста |
Содержащиеся в справочниках-каталогах запасные части и детали не предлагаются к продаже, а носят исключительно информационный характер