Вернуться на главную
Поиск
Каталоги запчастей к технике
Грузовые автомобили и прицепы
FAW
CA-3250-P66K2L1BT1E4Z
Система турбонаддува
Каталог запасных частей к технике: FAW CA-3250-P66K2L1BT1E4Z. Система турбонаддува
zoom-in
zoom-out
enlarge
shrink
circle-right
circle-left
file-text2
info
cart
Тип техники
Не выбрано
Легковые автомобили
Грузовые автомобили и прицепы
Автобусы
Сельхозтехника
Спецтехника
Двигатели
Мототехника
Марка
Не выбрано
BAW
DAF
DongFeng
FAW
Foton
HOWO
Hyundai
IVECO
JAC Motors
LGMG
MAN
Shaanxi
SITRAK
Studebaker
Tata
Volvo
Автокомпонент Плюс
БелАЗ
Брянский Арсенал
ГАЗ
ЗИЛ
КАЗ
Камский автозавод
КрАЗ
Мадара
МАЗ
МЗКТ
МоАЗ
Нефтекамский автозавод
Ставропольский Завод АвтоПрицепов
ТАТРА
Тонар
УралАЗ
ЧМЗАП
Модель
Не выбрано
Altay-3310 (2009)
CA 3250 P66K2T1E5 (2017)
CA 3250 серии J6 (2012)
CA 3310 серии J6 (2012)
CA 4250 P66K24T1E (2017)
CA 5250 (GJBP66K2T1E4) (2014)
CA 5250 (JSQP64K1T1E4) (2014)
CA-1083 (2007)
CA-3250-P66K2L0BT1E4Z (2018)
CA-3250-P66K2L1BT1E4Z (2018)
CA-3250-P66K2L2BT1E4Z (2018)
CA-3252 (2005)
CA-3252 (P2K2BT1A) (2008)
CA-3252 (P2K2T1A) (2009)
CA-3312 (P2K2B2T4A2Z) (2011)
CA-3312 (P2K2LT4E) (2008)
CA-4180 (P66K22A) (2008)
CA-4180 (P66K2A) (2008)
CA-4250 (P66K22T1A1EX) (2008)
CA-4250 (P66K24T1E5) (2017)
CA-4250 (P66K2T1A1EX) (2008)
CA3250 (P66K24L1TE5Z) (2022)
CA3250 (P66K24T1E5) (2022)
CA3251 (P66K2L2T1E5Z) (2017)
CA3310 (P66K24T4E5) (2017)
CA3311 (2020)
CA4180 (P77K25E5) (2022)
Схема
>
Не выбрано
Двигатель (правая схема)
Двигатель (левая схема)
Подвеска двигателя
Составляющие элементы блока цилиндров
Блок цилиндров
Составляющие элементы головки блока цилиндров
Головка блока цилиндров
Поршни и шатуны
Коленчатый вал, шкив и маховик
Распределительный механизм
Трансмиссионная система
Система газораспределения
Выхлопная труба
Масляный картер
Маслоприемник
Масляный насос
Масляный радиатор
Вентиляция картера
Центробежный масляный фильтр
Система шестерен в передней части
Система топливоподачи I
Система топливоподачи II
Штуцер перепускного трубопровода мочевины
Фильтр тонкой очистки топлива
Система турбонаддува
Водосливной кран
Термостат, водяной насос
Вентилятор и муфта вентилятора
Масляный насос гидроусилителя рулевого управления
Воздушный компрессор (I)
Воздушный компрессор (II)
Блок управления двигателем
Датчики электронной системы управления
Генератор
Стартер
Пучок проводов двигателя
Пучок проводов форсунок
Воздухоподогреватель
Холодильный компрессор
Топливный бак и топливопроводы
Трубопроводы мочевины
Воздушный фильтр
Фильтр грубой очистки топлива
Выхлопная система
Клапан выхлопного тормоза
Система охлаждения
Промежуточный охладитель, трубопроводы
Сцепление
Сцепление (для сцепления FAW)
Механизм управления сцеплением
Корпусы сцепления и КПП (КПП CA10TA160M)
Первичный вал (КПП CA10TA160M)
Вторичный вал (КПП CA10TA160M)
Левый и правый промежуточные валы (КПП CA10TA160M)
Передача заднего хода (КПП CA10TA160M)
Шестерня привода вспомогательной КПП (КПП CA10TA160M)
Левый верхний промежуточный вал вспомогательной КПП (КПП CA10TA160M)
Правый нижний промежуточный вал вспомогательной КПП (с механизмом отбора мощности, КПП CA10TA160M)
Шпиндель вспомогательной КПП (КПП CA10TA160M)
Корпус вспомогательной КПП (с механизмом отбора мощности, КПП CA10TA160M)
Цилиндр переключения вспомогательных передач
Клапан, шланги и фитинги (КПП CA10TA160M)
Верхняя крышка (КПП CA10TA160M)
Верхняя торцевая крышка (КПП CA10TA160M)
Механизм управления переключением передач
Задняя подвеска энергоагрегата
Приводной вал заднего моста
Промежуточный приводной вал
Задний мост
Промежуточный мост
Колесный редуктор
Рама и устройства защиты
Передняя подвеска
Задняя подвеска
Передняя ось и поперечная рулевая тяга
Продольная рулевая тяга
Ступица переднего колеса с тормозным барабаном
Ступица заднего колеса с тормозным барабаном
Колеса с шинами (12.00R20)
Колеса с шинами (315/80R22.5)
Рулевой механизм
Трубопроводы рулевого механизма с гидроусилителем
Тормозные механизмы передних колес
Тормозные механизмы колес промежуточного моста
Тормозные механизмы задних колес
Тормозные трубопроводы I
Тормозные трубопроводы II
Педаль тормоза с тормозным краном и педаль сцепления с главным цилиндром сцепления
Пневматический тормозной модуль
Внешний ресивер
Блок управления АБС
Датчики частоты вращения колес передней оси
Датчики частоты вращения колес заднего моста
Устройство рециркуляции отработавших газов
Датчик температуры атмосферного воздуха
Электрооборудование кабины
Электрооборудование шасси
Передние комбинированные фары
Сигнальный индикатор незакрытых дверей
Лампа чтения для водителя
Задние комбинированные фонари
Блок предохранителей с реле (I)
Блок предохранителей с реле (II)
Распределительная коробка с комплектующими
Передние габаритные фонари
Задние контурные фонари
Противотуманные фары
Комбинированный переключатель
Контроллер дверей
Функциональные переключатели
Магнитола
Аккумулятор
Кабина
Передняя подвеска кабины (I)
Передняя подвеска кабины (II)
Передняя подвеска кабины (III)
Задняя подвеска кабины (I)
Задняя подвеска кабины (II)
Задняя подвеска кабины (III)
Гидравлическая опора кабины (I)
Гидравлическая опора кабины (II)
Механизм управления опрокидыванием кабины (I)
Механизм управления опрокидыванием кабины (II)
Передний бампер (I)
Передний бампер (II)
Кронштейн домкрата
Подножки и передние брызговики (I)
Подножки и передние брызговики (II)
Задние брызговики
Боковые перегородки двигателя
Верхние крылья, верхние брызговики и подножки третьей ступени (I)
Верхние крылья, верхние брызговики и подножки третьей ступени (II)
Верхние крылья, верхние брызговики и подножки третьей ступени (III)
Кронштейн огнетушителя
Задняя звукоизоляционная накладка двигателя
Составляющие элементы ковриков
Теплоизоляционные подкладки пола
Заглушки отверстий пола
Теплоизоляционные подкладки глушителя
Стеклоочиститель
Лобовое стекло
Омыватель
Заглушки отверстий в панели передка и водонепроницаемая пленка
Молдинги наружной панели передка
Замок панели передка и рычаг открывания
Боковые обтекатели
Наружная панель передка
Пневматическая рессора и кронштейны
Комбинированные поручни
Обшивки передних стоек
Передние посадочные поручни
Приборная панель (I)
Приборная панель (II)
Приборная панель (III)
Приборная панель (IV)
Приборная панель (V)
Приборная панель (VI)
Составляющие элементы верхнего отсека (I. с таймерсчетчиком или узловым контроллером)
Составляющие элементы верхнего отсека (II)
Составляющие элементы верхнего отсека (III)
Внутренние обшивки боковых панелей и составляющие элементы посадочных поручней
Боковой инструментальный ящик
Замок бокового инструментального ящика с тросом
Боковые стекла
Составляющие элементы обшивки панели задка
Заднее стекло
Вентиляционная решетка
Декоративная накладка боковой панели задка
Заглушки отверстий в панели задка
Составляющие элементы обшивок крыши (I)
Составляющие элементы обшивок крыши (II)
Составляющие элементы обшивок крыши (III)
Противосолнечный брызговик крыши
Держатель фонаря безопасного обгона
Верхний интерцептор
Молдинги крыши
Поручни дверей
Передние двери
Нижние декоративные панели дверей
Внутренние обшивки дверей
Уплотнители дверей
Ограничители дверей
Стопорные кольца, держатели фиксаторов и наружные уплотнители дверей
Электрические замки дверей
Водительское сиденье
Переднее сиденье
Составляющие элементы нижнего спального места (I)
Составляющие элементы нижнего спального места (II)
Составляющие элементы нижнего спального места (III)
Левое наружное зеркало заднего вида
Правое зеркало заднего вида
Составляющие элементы пепельницы
Противосолнечные козырьки на лобовое стекло
Боковые противосолнечные козырьки
Кондиционер
Фильтр очистки наружного воздуха
Трубопроводы отопителя
Воздуховод
Конденсатор и резервуар рабочей жидкости
Трубопроводы подачи жидкого фреона
Независимый топливный обогреватель
Инструмент
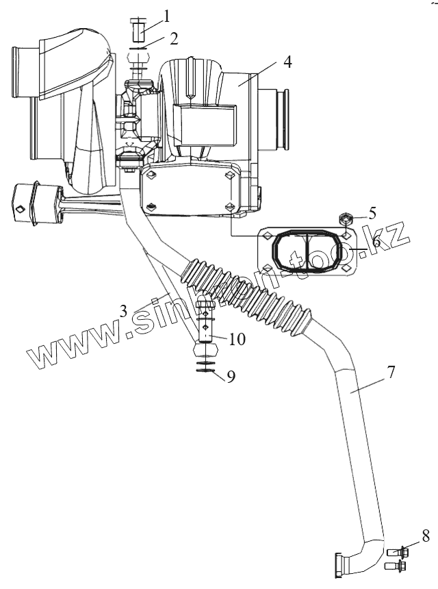
1
2
3
3
4
4
4
4
5
6
6
7
7
8
9
10
Позиция на иллюстрации
Заводской номер детали
Название детали
1
1111069-29D
Болт
2
Q/WC3403-1994 12x18
Медная шайба
3
1118060А263
Впускной маслопровод турбонагнетателя в сборе
3
1118060D600-0263
Впускной маслопровод турбонагнетателя в сборе
4
1118010-22Е
Турбонагнетатель в сборе
4
1118010-610-0000
Турбонагнетатель в сборе
5
1118073-29D
Гайка нагнетателя
6
1118091-29D
Прокладка-турбонагнетатель
6
1118091A29D
Прокладка-турбонагнетатель
7
1118080A263
Всасывающая трубка нагнетателя
7
1118080A600-0263
Обратный маслопровод турбонагнетателя в сборе
8
Q1840816
Болт
9
Q/WC3403-1994 14x20
Шайба 14x20
10
1118096A29D
Артикуляционный болт
Содержащиеся в справочниках-каталогах запасные части и детали не предлагаются к продаже, а носят исключительно информационный характер
Дополнительная информация
×
Название:
Номер:
Примечание: