Каталог запасных частей к технике: FAW CA-1083. Воздушный компрессор
1
1
1
2
2
2
2
2
3
4
5
6
6
7
8
9
10
11
11
11
12
12
13
14
15
16
16
16
17
17
18
18
19
20
21
22
23
24
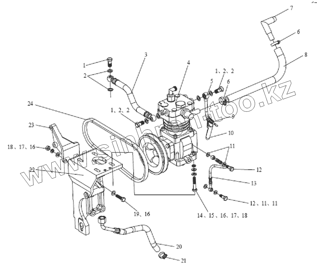
| Позиция на иллюстрации | Заводской номер детали | Название детали | |
|---|---|---|---|
| 1 | Q/XC3451.1-2002 | Шарнирный болт М14x1.5 | |
| 2 | Q/WC3403-1994 | Медная прокладка | |
| 3 | 3509063А104-СК40 | Конденсатопровод в сборе | |
| 4 | 3509010-541-0010 | Компрессор в сборе | |
| 5 | 3509060-152-0000 | Впускной водопровод сборе | |
| 6 | Q676B29 | Скоба червячного приводного шланга | |
| 7 | 3509055-541-0000 | Штуцер газовпускного трубопровода насоса воздушного компрессора | |
| 8 | 3509052-541-0010 | Газовпускной резиновый трубопровод | |
| 9 | В-08-038 | Подхват топливного трубопровода | |
| 10 | 3509061-152-0000 | Впускной резиновый трубопровод | |
| 11 | Q/WC3403-1994 | Медная прокладка | |
| 12 | 1104069-001-0000 | Шарнирный болт | |
| 13 | 3509040-152-0000 | Впускной маслопровод компрессора в сборе | |
| 14 | Q150B1055 | Болт с шестигранной головкой | |
| 15 | 1111104-101-0000 | Шайба | |
| 16 | Q40110 | Шайба | |
| 17 | Q40310 | Пружинная шайба | |
| 18 | Q340B1O | I-образная шестигранная гайка | |
| 19 | 3509024-101-CN30 | Болт с шестигранной головкой | |
| 20 | 3509041-541-0010 | Обратный маслопровод воздушного компрессора в сборе | |
| 21 | Q67625 | Хомутик | |
| 22 | 3509030В541-0010 | Стойка насоса воздушного компрессора в сборе | |
| 23 | 3509012-104-YX10 | Стойка насоса воздушного компрессора | |
| 24 | 3509044-104-YX10 | Стойка насоса воздушного компрессора |
Содержащиеся в справочниках-каталогах запасные части и детали не предлагаются к продаже, а носят исключительно информационный характер