Каталог запасных частей к технике: FAW CA-1083. Шестерни двигателя
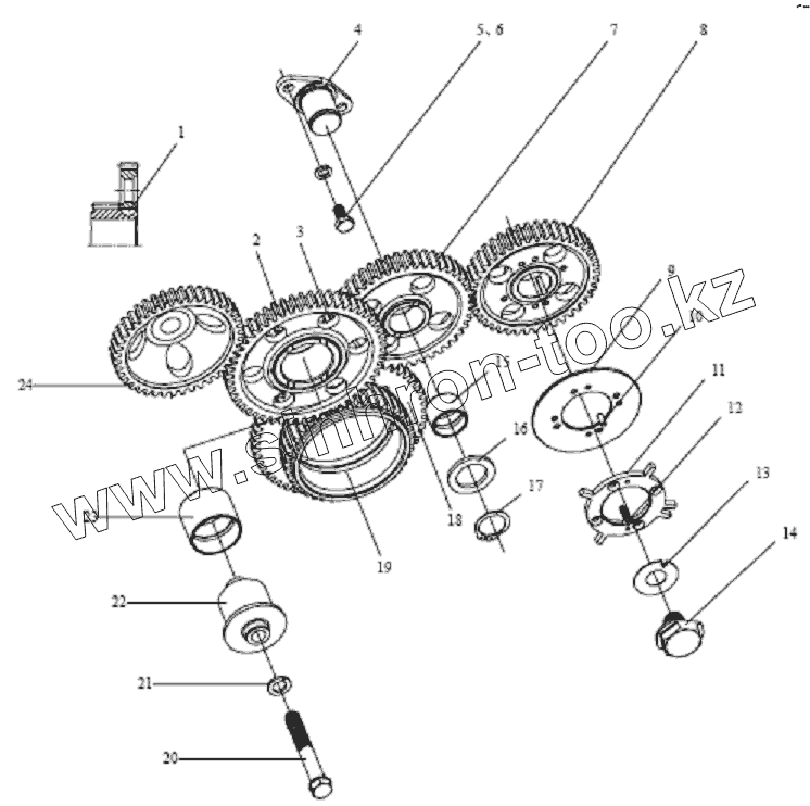
1
2
3
4
5
6
7
8
9
10
11
12
13
14
15
16
17
18
19
20
21
22
23
24
| Позиция на иллюстрации | Заводской номер детали | Название детали | |
|---|---|---|---|
| 1006045-460-0000 | 1006045-460-0000 | Распределительная промежуточная шестерня в сборе | |
| 1006040-460-0000 АВ | 1006040-460-0000 АВ | Распределительная промежуточная шестерня в сборе | |
| 1 | 1006049-001-0000 | Полукруглая клавиша распределительной промежуточной шестерни | |
| 2 | 1006041-460-0000 АВ | Ведущая средняя шестерня - Распредвал | |
| 3 | 1006042-460-0000 АВ | Ведущая средняя шестерня - Распредвал | |
| 4 | 1006048А001-0000 | Ось шестерни | |
| 5 | Q150B1020 | Болт с шестигранной головкой | |
| 6 | Q40410 | Пружинная шайба | |
| 7 | 1006043-460-0000 | Ведущая средняя шестерня - Распредвал | |
| 8 | 1006021-550-0000 | Ведущая шестерня - Распредвал | |
| 9 | 1006122-550-0000 | Перегородка шестерни кулачкового вала | |
| 10 | Q5210512 | Цилиндрический штифт | |
| 11 | 1006121-550-0000 | Шестерня датчика кулачкового вала | |
| 12 | Q2540620 | Винт | |
| 13 | 1006022-001-0000 | Блокировочная шайба - Ведущая шестерня распредвала | |
| 14 | 1006023-001-0000 | Закреплённый винт - Распредвал | |
| 15 | 1006046 А001-0000 | Втулка - Ведущая средняя шестерня | |
| 16 | 1006052А001-0000 | Шайба - ось шестерни | |
| 17 | Q43132 | Кольцо стопорное | |
| 18 | 1005038А460-0000 | Приводная шестерня маслонасоса коленчатого вала | |
| 19 | 1005037-460-0000 АВ | Ведущая шестерня - коленвала | |
| 20 | 1006051-460-0000 | Вал шестерни крепежного вала | |
| 21 | Q40414 | Пружинная шайба | |
| 22 | 1006047-460-0000 | Ось шестерни | |
| 23 | 1006044В201-0000 | Втулка - Ведущая средняя шестерня | |
| 24 | 1111216-550-0000АВ | Приводная шестерня насоса-распылителя |
Содержащиеся в справочниках-каталогах запасные части и детали не предлагаются к продаже, а носят исключительно информационный характер