Каталог запасных частей к технике: FAW CA-1083. Масляный охладитель
1
2
3
4
5
5
6
6
6
7
8
8
9
9
9
9
10
10
10
10
11
12
13
14
15
16
17
18
19
20
21
22
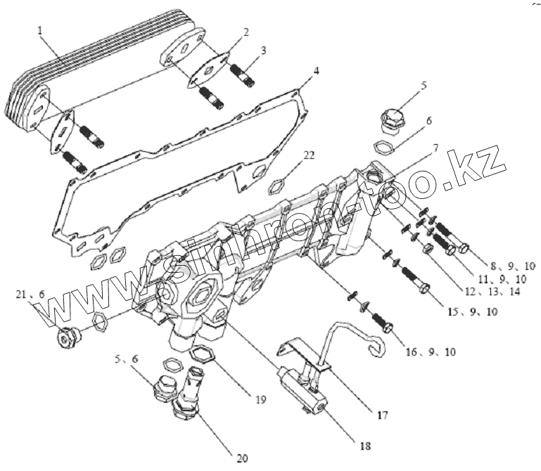
| Позиция на иллюстрации | Заводской номер детали | Название детали | |
|---|---|---|---|
| 1013000-152-0000 | 1013000-152-0000 | Компонент масляного охладителя | |
| 1 | 1013010А101-0000 | Компонент масляного охладителя | |
| 2 | 1013021-001-0000 | Шайба | |
| 3 | 1013014AOOI-0000 | Шпилька | |
| 4 | 1013013-105-0000 | Прокладка масляного охладителя | |
| 5 | 1013012AOOI-0000 | Заглушка магистрали 22x3.5 | |
| 6 | GBI235-197622x3.5 | О-образное уплотнительное кольцо 22x3.5 | |
| 7 | 1013011-105-0000 | Накладка масляного охладителя | |
| 8 | Q150B0850 | Болт с шестигранной головкой | |
| 9 | Q40308 | Пружинная шайба | |
| 10 | Q40108 | Шайба | |
| 11 | Q150B0830 | Болт с шестигранной головкой | |
| 12 | Q340B10 | Гайка М10 | |
| 13 | Q40310 | Пружинная шайба | |
| 14 | Q40010 | Маленькая шайба | |
| 15 | Q150B0840 | Болт с шестигранной головкой | |
| 16 | Q150B0830 | Болт с шестигранной головкой | |
| 17 | 1305017-520-0000 | Стойка водосливного крана | |
| 18 | 1305010В550-0000 | Водосливной кран в сборе | |
| 19 | Q72327 | Уплотнительная шайба | |
| 20 | 1013016А001-0000 | Корпус предохранительного клапана масляного охладителя | |
| 21 | 1013023-104-0000 | Накладка винтообразного масляного охладителя | |
| 22 | 1013019-101-0000 | Уплотнительное кольцо магистрали |
Содержащиеся в справочниках-каталогах запасные части и детали не предлагаются к продаже, а носят исключительно информационный характер