Вернуться на главную
Поиск
Каталоги запчастей к технике
Грузовые автомобили и прицепы
FAW
CA3250 (P66K24L1TE5Z)
Сборка логики сцепления и крепления
Каталог запасных частей к технике: FAW CA3250 (P66K24L1TE5Z). Сборка логики сцепления и крепления
zoom-in
zoom-out
enlarge
shrink
circle-right
circle-left
file-text2
info
cart
Тип техники
Не выбрано
Легковые автомобили
Грузовые автомобили и прицепы
Автобусы
Сельхозтехника
Спецтехника
Двигатели
Мототехника
Марка
Не выбрано
BAW
DAF
DongFeng
FAW
Foton
HOWO
Hyundai
IVECO
JAC Motors
LGMG
MAN
Shaanxi
SITRAK
Studebaker
Tata
Volvo
Автокомпонент Плюс
БелАЗ
Брянский Арсенал
ГАЗ
ЗИЛ
КАЗ
Камский автозавод
КрАЗ
Мадара
МАЗ
МЗКТ
МоАЗ
Нефтекамский автозавод
Ставропольский Завод АвтоПрицепов
ТАТРА
Тонар
УралАЗ
ЧМЗАП
Модель
Не выбрано
Altay-3310 (2009)
CA 3250 P66K2T1E5 (2017)
CA 3250 серии J6 (2012)
CA 3310 серии J6 (2012)
CA 4250 P66K24T1E (2017)
CA 5250 (GJBP66K2T1E4) (2014)
CA 5250 (JSQP64K1T1E4) (2014)
CA-1083 (2007)
CA-3250-P66K2L0BT1E4Z (2018)
CA-3250-P66K2L1BT1E4Z (2018)
CA-3250-P66K2L2BT1E4Z (2018)
CA-3252 (2005)
CA-3252 (P2K2BT1A) (2008)
CA-3252 (P2K2T1A) (2009)
CA-3312 (P2K2B2T4A2Z) (2011)
CA-3312 (P2K2LT4E) (2008)
CA-4180 (P66K22A) (2008)
CA-4180 (P66K2A) (2008)
CA-4250 (P66K22T1A1EX) (2008)
CA-4250 (P66K24T1E5) (2017)
CA-4250 (P66K2T1A1EX) (2008)
CA3250 (P66K24L1TE5Z) (2022)
CA3250 (P66K24T1E5) (2022)
CA3251 (P66K2L2T1E5Z) (2017)
CA3310 (P66K24T4E5) (2017)
CA3311 (2020)
CA4180 (P77K25E5) (2022)
Схема
>
Не выбрано
Левый и правый вид двигателя
Блок цилиндров
Блок цилиндров в сборе
Переднее колесо
Воздушный компрессор (I)
Воздушный компрессор (II)
Логическая сборка двигателя
Логическая сборка передней подвески двигателя
Головка блока цилиндров в сборе
Головка блока цилиндров в сборе
Крышка головки цилиндров и крышка заливной горловины
Сборка логики выпускного коллектора
Шатун поршня в сборе
Коленчатый вал и маховик в сборе
Коленчатый вал и маховик в сборе
Блок логики зубчатого колеса
Логическая сборка клапана
Маслосборник
Нефтяной коллектор
Масляный насос
Масляный фильтр
Система вентиляции картера
Логическая сборка центробежного масляного фильтра
Вторичный топливный фильтр
Турбокомпрессор
Система подачи масла
Случайная поставка мочевины
Масляный радиатор
Сборка логики переключателя слива
Термостат и водяной насос
Логический блок масляного насоса гидроусилителя руля
Блок логики блока управления двигателем
Сенсорная логическая сборка электронной системы управления
Генератор
Стартер
Пусковое устройство предварительного нагрева
Жгут проводов двигателя
Воздушный компрессор
Модуль топливного бака и трубопроводная сборка
Педаль газа
Топливный фильтр
Бак мочевины, сопло, насос, опора и трубопровод
Воздушный фильтр и фиксированная опорная логическая сборка
Схема впускной трубы и фиксированная опорная логика в сборе
Схема выпускной трубы и сборка с фиксированной опорой
Логическая сборка воздухозаборной трубы заднего процессора и его соединительных частей
Задний теплозащитный экран процессора и его разъем в сборе
Постпроцессор каталитического восстановления и его логическая сборка разъема
Выхлопной тормоз
Интеркулер логическая сборка
Радиатор
Блок логической маркировки охлаждающей жидкости
Сборка логики подвески радиатора
Логическая сборка трубки радиатора и мягкой трубки
Логическая сборка впускной трубы водяного насоса
Вентилятор
Логический узел вытяжки вентилятора
Сборка шторки и логики сети
Блок расширения и логика конвейера в сборе
Блок расширения и конвейерная логика в сборе
Логический узел муфты вентилятора
Механизм сцепления
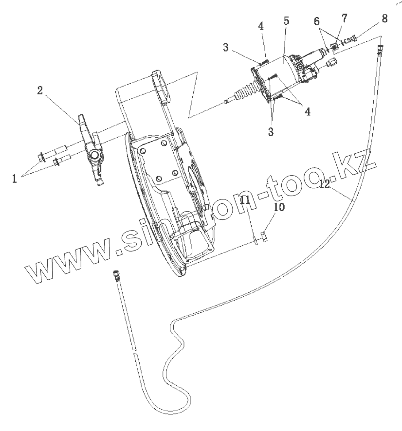
Сборка логики сцепления и крепления
Корпус главного корпуса коробки передач в сборе
Узел вала
Средний вал в сборе
Двухосный узел
Зубчатая передача вспомогательного редуктора в сборе
Реверс редуктор в сборе
Корпус вспомогательной коробки в сборе
Верхний левый средний вал в сборе вспомогательной коробки
Сборка выходного вала вспомогательной коробки
Нижний правый средний вал в сборе вспомогательной коробки
Верхний левый средний вал в сборе вспомогательной коробки
Крышка в сборе
Сборка верхней крышки
Клапан, шланг и соединитель в сборе
Управление коробкой передаче
Трансмиссионная логическая подвеска
Коробка логики подвески трансмиссии
Раздаточная коробка в сборе
Блок логики исполнительного механизма переключателя
Узел логики подвески раздаточной коробки
Блок логики подвески с раздаточной коробкой
Передача приводного вала
Ведущий вал передней оси
Ведущий вал средней оси
Ведущий вал заднего моста
Корпус передней оси и логика полуоси в сборе
Блок логики редуктора переднего моста
Дифференциал переднего моста в сборе
Логический блок редуктора со стороны колеса
Корпус задней оси и логика полуоси в сборе
Блок логики редуктора заднего моста
Дифференциал заднего моста в сборе (i = 1.500)
Логический блок редуктора со стороны колеса
Корпус мостовой оси, полуоси и сквозной логический узел
Корпус редуктора, ведущая коническая шестерня, дифференциал межколесного дифференциала и блокировка дифференциала
Приводная цилиндрическая шестерня и корпус, логика дифференциала межвального дифференциала
Дифференциал средней оси в сборе (i = 1.500)
Логический блок редуктора со стороны колеса
Бампер передний (1)
Бампер передний (2)
Рамочная логическая сборка
Передняя и нижняя логика защиты в сборе
Логика задней защиты в сборе
Логическая сборка передней листовой рессоры
Логика в сборе с передней пружиной
Жгут проводов двигателя
Логическая сборка переднего пружинного кольца
Передний амортизатор и разъем логической схемы в сборе
Передняя пружина левого переднего кронштейна в сборе
Передняя пружина правого переднего кронштейна в сборе
Кронштейн логики в сборе на переднем амортизаторе
Логическая сборка задней листовой рессоры
Блок логики ограничителя задней пружины в сборе
Логическая сборка боковой ограничительной пластины задней листовой рессоры
Сбалансированная логика подвески в сборе
Реакционный рычаг логической сборки на балансире
Логическая сборка рычага реакции под сбалансированной подвеской
Логическая сборка для соединительной пластины сбалансированной подвески
Логическая сборка верхнего кронштейна стержня реакции
Логическая сборка подвески задней оси
Блок логики подвески в середине моста
Передний амортизатор под кронштейн логики в сборе
Колесо и шина в сборе
Колесо и шина в сборе
Колпачок в сборе
Рулевой рычаг
Рулевое колесо и рулевая передача
Линия гидроусилителя руля
Масляный бак гидроусилителя руля
Тормозная магистраль (1)
Тормозная магистраль (2)
Педаль тормоза с тормозным клапаном и педаль сцепления с главным цилиндром сцепления
Модуль подачи энергии воздушного тормоза
Сборка дополнительного бака
Передний левый тормоз
Передний правый тормоз
Задний левый тормоз
Задний правый тормоз
Центральный левый тормоз
Центр правого тормоза
Логическая сборка датчика заднего моста
Азотно-кислородный сенсорный логический блок
Логическая сборка датчика высокой температуры
Логический блок датчика атмосферной температуры
Логическая сборка датчика переднего моста
Блок управления антиблокировочной логики в сборе
Аккумулятор и фиксированная сборка логики
Передний комбинированный световой логический блок
Передние декоративные фонари
Логика в сборе с сигнальной лампой открытия двери
Логика заднего фонаря в сборе
Боковой поворотник
Логическая сборка переднего фонаря
Передний противотуманный фонарь и передний указатель поворота в сборе
Боковой габаритный фонарь в сборе
Воздушный гудок
Электрический клаксон
Обратный зуммер
Блок предохранителей в кабине 1 в сборе
Блок логики блока предохранителей в корпусе
Блок логики предохранителей в сборе
Сборка логики жгута проводов шасси
Сборка логики жгута проводов кабины
Логическая сборка прикуривателя
Функциональный переключатель логики в сборе
Главный выключатель питания
Блок логики разъема блока питания
Переключатель стеклоподъемника
Logic Электромагнитный клапан в сборе
Logic Электромагнитный клапан в сборе
Электрический выключатель наружного зеркала
Сборка логики датчика
Бортовые инструменты и аксессуары
Устройство передней подвески кабины (одно, нижняя установка)
Устройство задней подвески кабины (1, нижняя загрузка, спиральная пружина)
Гидравлическое опорное устройство кабины (1, нижняя установка)
Механизм управления поворотом кабины (1, электрический поворот)
Механизм управления поворотом кабины (два, электрический поворот)
Механизм управления поворотом кабины (3)e
Кабина сварочная в сборе (с автономным подогревом воздуха)
Сварка кабины в сборе (без автономного нагрева воздуха)
Передняя подвеска кабины (1, кузов, спиральная пружина)
Передняя подвеска кабины (две, кузов, спиральная пружина)
Устройство задней подвески (1, верхняя часть кузова)
Кабина гидравлического устройство поддержки (а, верхние части, спиральная пружина)
Кабина гидравлической опорное средство (2)
Верхнее крыло, верхнее крыло и трехступенчатая педальная логика в сборе
Напольная звукоизоляционная прокладка
Коврик для изоляции пола
Блокировка пола 1
Блокировка пола 2
Стеклоочиститель
Лобовое стекло и уплотнение
Омыватель ветрового стекла
Боковое стекло
Стекло заднего стекла
Задний выход воздуха
Логическая сборка передней крышки
Дефлекторная логика в сборе
Логическая обложка для наружной обложки
Верхняя крышка засорена логическим блоком
Компоненты приборной панели (1)
Компоненты приборной панели (2)
Компоненты приборной панели (3)
Компоненты приборной панели (4)
Компоненты приборной панели (5)
Компоненты приборной панели (6)
Компоненты приборной панели (7)
Компоненты повышенных коробок (1)
Сборка подвесного ящика (1) (оснащена приводом)
Боковой забор и подлокотник в сборе (1)
Боковой щиток и подлокотник в сборе (2)
Компоненты задней крышки (1)
Компоненты задней крышки (1) (с автономным подогревом воздуха)
Элементы верхней крышки и защиты поверхности (1)
Элементы верхней крышки и защиты поверхности (2)
Входная дверь
Монтажная рейка
Дверной интерьер
Дверной подлокотник
Уплотнения дверей, щитки от дождя, сетки от насекомых
Уплотнение двери
Механизм блокировки дверей
Дверная пробка
Стопорное кольцо, и позиционирование держателя штыря наружная дверь уплотнение
Ковер
Сдвиг охранник
Выход из автокресла (сиденье с электроподогревом)
Переднее сиденье
Спальные компоненты
Левое наружное зеркало
Правое наружное зеркало и пуховое зеркало
Передний солнцезащитный козырек
Активная логика педали в сборе (1)
Активная логика педали в сборе (2)
Логика в сборе со стороны двигателя
Заднее крыло в сборе
Звукоизоляционная плата задней части двигателя в сборе
Оборудование для кондиционирования воздуха
Вентилятор
Двухсекционная сборка
Внешний воздушный фильтр
Воздуховод
Конденсаторная сборка, логическая сборка
Логическая сборка кондиционера фторопровода
Трубы отопления
Логическая сборка автономного отопителя (транспортного средства)
Логическая сборка автономного воздухонагревателя (кабины) (1)
Логическая сборка автономного воздухонагревателя (кабины) (2)
1
2
3
3
4
4
5
6
7
8
10
11
12
Позиция на иллюстрации
Заводской номер детали
Название детали
1
Q1851690T
Шестигранный фланцевый болт
2
1602420-D814H/B
Сплит вилка и кронштейн в сборе
3
Q40308
Пружинная шайба
4
CQ1500825
Болт
5
1602305-53H/D
Бустерный насос сцепления в сборе
6
1602242A70A/C
Уплотнительная шайба
7
1602241A70A/D
Переходное соединение - трубопровод
8
3406021-74A/A
Полый болт
10
CQ34010
Гайка
11
Q40310
Пружинная шайба
12
1602200-90R/C
Трубка в сборе-сцепление
Содержащиеся в справочниках-каталогах запасные части и детали не предлагаются к продаже, а носят исключительно информационный характер
Дополнительная информация
×
Название:
Номер:
Примечание: