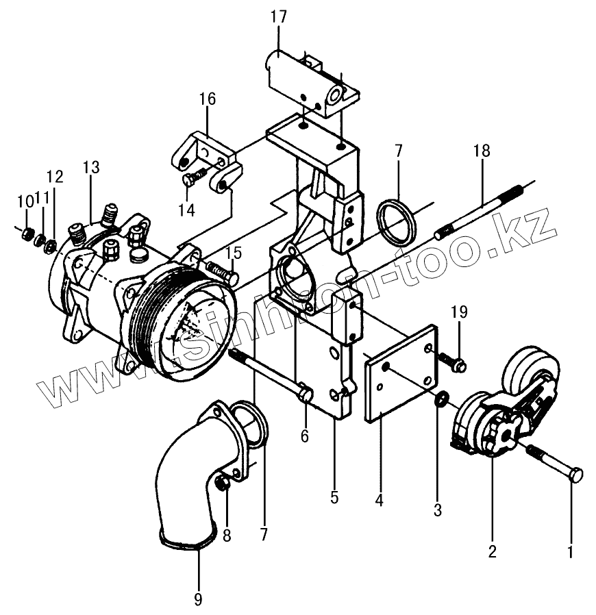
Каталог запасных частей к технике: DongFeng EQ-1074. Установка компрессора кондиционера
1
2
3
4
5
6
7
7
8
9
10
11
12
13
14
15
16
17
18
19
| Позиция на иллюстрации | Заводской номер детали | Название детали | |
|---|---|---|---|
| Q40310 | Q40310 | Пружинная шайба | |
| 1 | Q150В1075 | Болт | |
| 2 | А3924026 | Натяжитель ремня | |
| 3 | Q40110 | Шайба | |
| 4 | А3924012 | Пластина | |
| 5 | А3960082 | Кронштейн | |
| 6 | Q150В10120 | Болт | |
| 7 | А3906697 | Прокладка | |
| 8 | Q340В10 | Гайка | |
| 9 | А3960370 | Труба впускная | |
| 10 | Q340В10 | Гайка | |
| 11 | Q40310 | Пружинная шайба | |
| 12 | Q40110 | Шайба | |
| 13 | 81V46-04200 | Компрессор кондиционера | |
| 14 | Q1840825 | Болт | |
| 15 | Q150В1035 | Болт | |
| 16 | А3960085 | Кронштейн кондиционера | |
| 17 | А3960086 | Кронштейн генератора | |
| 18 | Q1201080 | Шпилька | |
| 19 | Q1840825 | Болт |
Содержащиеся в справочниках-каталогах запасные части и детали не предлагаются к продаже, а носят исключительно информационный характер