Вернуться на главную
Поиск
Каталоги запчастей к технике
Грузовые автомобили и прицепы
DongFeng
DFL-4251A
8102A-C0100 Воздушный патрубок отопления
Каталог запасных частей к технике: DongFeng DFL-4251A. 8102A-C0100 Воздушный патрубок отопления
zoom-in
zoom-out
enlarge
shrink
circle-right
circle-left
file-text2
info
cart
Тип техники
Не выбрано
Легковые автомобили
Грузовые автомобили и прицепы
Автобусы
Сельхозтехника
Спецтехника
Двигатели
Мототехника
Марка
Не выбрано
BAW
DAF
DongFeng
FAW
Foton
HOWO
Hyundai
IVECO
JAC Motors
LGMG
MAN
Shaanxi
SITRAK
Studebaker
Tata
Volvo
Автокомпонент Плюс
БелАЗ
Брянский Арсенал
ГАЗ
ЗИЛ
КАЗ
Камский автозавод
КрАЗ
Мадара
МАЗ
МЗКТ
МоАЗ
Нефтекамский автозавод
Ставропольский Завод АвтоПрицепов
ТАТРА
Тонар
УралАЗ
ЧМЗАП
Модель
Не выбрано
DFL-3250A1-K09-003-01 (2007)
DFL-3251A (2008)
DFL-3251A Euro3 (2008)
DFL-3251AW1 (2013)
DFL-3251AW1 (2017)
DFL-3251AXA Euro3 (2008)
DFL-4181A (2008)
DFL-4251A (2008)
DFL-4251A8-T31R-931-02 (2011)
DFL-4251AXA Euro3 (2014)
DFL4251A-T04-930-00CA (2007)
EQ-1074 (2006)
L3251A3 (вар.) (2007)
Схема
>
Не выбрано
5000012-C0310-01 Кабина в сборе
5000K-C0300 Сварочное соединение кабины в сборе
5001A-C0300 Передняя подвеска кабины
5001B-C0300 Задняя подвеска кабины
5003A-C0302 Цилиндр подъема
5003B-C0300 Цилиндр подъема кабины
5005A-C0302 Масляный насос подъема
5005A-C0302 Масляный насос подъема
5101A-C0300 Сварочный соединительный напольный состав
5102B-C0101 Обивка пола
5205A-C0100 Стеклоочиститель в сборе
5206A-C0100 Уплотнители лобового стекла
5301C-C0100 Передняя панель с решеткой радиатора
5301E-C0100 Конструкция передней панели
5301J-C0300 Внешняя боковая пластина переднего обтекателя
5301P-C0100 Нижняя упорная плита переднего обтекателя
5303A-C0100 Сборная коробка для вещей на панели приборов
5305A-C0100 Рамка приборов
5305B-C0103 Панель приборов
5305C-C0100 Защитная панель пучка проводов
5401A-C0300 Сварочное соединение левой боковины
5401B-C0300 Сварочное соединение правой бокововины
5402A-C0205 Внутренняя отделка левой боковины
5402B-C0201 Внутренняя отделка правой боковины
5403A-C0101 Установка левого бокового окна
5403B-C0101 Установка правого бокового окна
5601A-C0300 Сварочное соединение задней панели кабыны
5602A-C0200 Внутренняя отделка задней панели кабины
5603A-C0100 Комплект установки заднего окна
5701A-C0300 Сварочное соединение крышы кабины
5702A-C0302 Внутренняя отделка крышы кабины
5703A-C0100 Люк крыши в сборе
5704A-C0300 Верхний вещевой ящик
5710B-C0300 Верхняя звукоизоляция
6101A-C0100 Дверь левая в сборе
6101B-C0100 Правая дверь в сборе
6101C-C0100 Амортизационное устройство двери кабины
6102A-C0104 Отделка передней левой двери
6102B-C0104 Отделка передней правой двери
6103A-C0100 Стекло левой двери
6103B-C0100 Стекло правой двери
6104A-C0100 Левый стеклоподъемник в сборе
6104B-C0100 Правый стеклоподъемник в сборе
6105A-C0100 Замок левой двери
6105B-C0100 Замок правой двери
6107A-C0100 Уплотнители левой двери
6107B-C0100 Уплотнители правой двери
6800A-C0100 Сиденье водителя
6900A-C0100 Сиденье пассажира
7600A-C0200 Спальное место
7600B-C0301 Верхнее спальное место
1109K-C0101 Труба подачи воздуха в кабину
8101A-C0100 Отопитель в сборе
8101B-C0100 Трубопроводы отопителя
8101C-C0104 Входной и выходной патрубок отопителя
8102A-C0100 Воздушный патрубок отопления
8103A-C0101 Вентиляционное оборудование
8105A-C0102 Компоновка охладителя
8108A-C0104 Патрубки кондиционера
8112A-C0101 Управление оборудованием кондиционера
3910A-C0100 Огнетушитель
5000F-C0100 Передняя эмблема
5000M-C0100 Применяемые заглушки в кабине
5001C-C0103 Наружный знак кабины—375PS
5001E-C0100 Наружный знак кабины—эмблема DongFeng (дорожный автомобиль)
5102J-C0104 Чехол рычага переключения скоростей
5103A-C0101 Вещевой ящик водителя
5103B-C0100 Вещевой ящик пассажира
5104B-C0100 Облицовка рулевой колонки
5109A-C0101 Напольный коврик в кабине
5110B-C0202 Теплоизоляционная накладка пола
5111B-C0200 Противовибрационная накладка пола
5810A-C0100 Ремень безопасности водителя
5810B-C0100 Ремень безопасности пассажира
7920A-C0101 Навигатор GPS
8201A-C0100 Внешнее левое боковое зеркало заднего вида
8201B-C0100 Внешнее правое боковое зеркало заднего вида
8201C-C0100 Установочная компоновка внешнего левого бокового зеркала заднего вида
8201D-C0100 Установочная компоновка внешнего правого бокового зеркала заднего вида
8201E-C0100 Внутреннее зеркало заднего вида
8203A-C0100 Пепельница
8204A-C0101 Солнцезащитный козырёк
8204B-C0300 Солнцезащитный навес
8205A-C0300 Оконная штора
8205B-C0300 Скользящая направляющая для оконной шторы
8211A-C0101 Наружный ручной поручень
8211B-C0100 Внутренний ручной поручень
8219A-C0101 Зеркало нижнего вида
8403A-C0300 Задний левый брызговик
8403B-C0302 Задний правый брызговик
8403C-C0100 Передний левый брызговик
8403D-C0100 Передний правый брызговик
8403E-C0200 Левый внутренний брызговик
8403F-C0200 Правый внутренний брызговик
8403G-C0200 Козырек левого колеса
8403H-C0200 Козырек правого колеса
8403J-C0200 Козырек левого колеса
8403K-C0200 Козырек правого колеса
8403L-C0300 Левая звукоизоляционная панель
8403M-C0100 Правая звукоизоляционная панель
8405A-0101 Левая подножка кабины
8405B-0101 Правая подножка кабины
8405C-0101 Левая подножка
8405D-C0101 Правая подножка
8406A-C0100 Передний бампер
8511A1-ZB7 Брызговик заднего колеса
1000020-E2701 Двигатель в сборе
1001B-T0500 Передняя подвескя двигателя
1001C-T0500 Задняя подвеска двигателя
1001H-T0900 Вспомогательная подвеска двигателя
1001E-T0500 Задняя подвеска двигателя
1001G-T0500 Передняя подвеска двигателя
1001J-T0500 Вспомогательная подвеска двигателя
LA9028 Подвесная серьга двигателя
AP9480 Таблички параметров
BB9171 Блок цилиндров
BB9213 Соединение трубопровода блока цилиндров
BB9216 Охлаждающий трубопровод блока цилиндров
BB9881 Блок шестерёночного картера
BR9239 Блок вентиляции картера
CC9297 Компоновка охлаждающих трубопроводов компрессора
CF9118 Компоновка привода кондиционера
CF9148 Компоновка кондиционера
CH9087 Компоновка вспомогательного патрубка охлаждающей жидкости
CL9079 Первый передний подшипник коробки передач
CP9590 Блок компрессора
DA9155 Блок гасителя крутильных колебаний
EA9089 Массовый провод
EB9051 Пнемовыпускной тормозной блок
EC9702 Термостат
EE9293 Генератор
EH9591 Компоновка деталей для установки генератора
EM9223 Компоновка кронштейна передней подвески двигателя
EO9104 Датчик тахометра в сборе
FW9782 Маховик
FW90025 Компоновка деталей для установки маховика
GG9804 Компоновочные детали для установки шестерёнчатого картера
GG9806 Крышка шестерёнчатого картера
FE9043 Блок соединительных патрубков компенсационного нагнетателя
HC9046 Компоновочные детали для установки отопления
IC9450 Компоновка соединителя воздухозаборника
IM9101 Впускной коллектор
LC9765, LF9130 Маслоохладитель и масляный фильтр
LF9130 Масляный фильтр
LG90191 Масляный щуп
LP9724 Масляный насос
OB9363 Маслозаправочная компоновка цилиндра
OB9377 Маслозаправочная компоновка цилиндра
OP9337 Поддон картера
PA9001 Блок шкива приводного приспособления
PP40388 Блок конструктивных элементов двигателя
PP98671 Компоновка турбокомпрессора
PP98698 Компоновка трубопроводов форсунок
PP98993 Трубопровод крышки цилиндра
RL9774 Составные детали коромысла
RP9042 Газоотводящий штуцер двигателя
SD9113 Блок датчика температуры воды
SD9169 Блок датчика сигнала давления масла
SM9772 Блок стартера и его крепление
TB91272 Установка турбокомпрессора
TK9022 Моментный охлаждающий преобразователь
TP97236 Блок трубопровода турбокомпрессора
VC9775 Состав крышки клапанов
1311D-T0500 Блок циклического трубопровода для удаления воздуха из двигателя
1108A-C0100 Педаль акселератора
1108C-C0100 Компоновка привода акселератора
1108E-T0500 Трос управления акселератором
1108J-C0100 Механизм управления акселератором холостого хода в сборе
1101B-T0400 Установка топливного бака
1101F-T0400 Компоновка топливного бака
1104A-T0400 Топливная магистраль для подачи топлива
1104B-T0400 Тоиливная магистраль для подачи топлива
1104C-T0400 Тоиливная магистраль возврата топлива
1105B-T0400 Установка топливного фильтра грубой очистки
1108K-T0500 Крепление акселератора
1108N1-09 Крепление вспомогательного троса управления
1109A1-ZD2A Воздухоочиститель
1109B1-ZD10 Компоновка держателя воздухоочистителя
1109C-T0500 Пневматические входные трубы от воздушного фильтра до двигателя
1109J1-ZD2A Сигнализатор засоренности воздушного фильтра
1109L-T0500 Воздушные патрубки компрессора
1118A1-ZB6 Промежуточный охладитель воздуха
1118B1-ZB6 Крепеж промежуточного охладителя
1118C1-ZB7C Соединитель промежуточного охладителя и крепежные детали
1119A1-ZB3 Топливный фильтр предварительной очистки
FF9688 Топливные фильтры
FF9689 Соединительные патрубки топливного фильтра
FH9413 Кожух маховика
FP90370, FP90591 Топливный насос высокого давления и его крепление
FP90545 Топливный насос
FS9891 Насос топливоподкачивающий в сборе
FT9190 Состав топливного трубопровода
FV9387 Компоновка электромагнитного клапана-отсекателя
MS9067 Компоновка управления акселератором
1201A-T0900 Глушитель
1201B-T0900 Крепеж глушителя
1203A-T0900 Впускная труба глушителя
1203G-T0500 Выпускной соединительный патрубок турбокомпрессора
1204A-T0900 Компоновка теплоизоляции выпускной системы
FA9310 Компоновка привода вентилятора
FA9739 Компоновка привода вентилятора
WF9094 Компоновка водяного фильтра
WI9145 Соединительный патрубок впуска воды
WO9052 Соединительный патрубок выпуска воды
WP9101 Компоновка водяного насоса
WP9916 Натяжной ролик ремня
WP9963 Ремень водяного насоса
1301A2-ZB6 Компоновка радиатора
1302A-T0500 Крепеж радиатора
1303A-T0500 Входной и выходной патрубки водяного радиатора
1308A-T0500 Блок вентилятора
1308B-T0500 Крепеж вентилятора
1309A-T0500 Диффузор вентилятора
1309B-T0500 Воздухоотражатель вентилятора
1311A-T0500 Расширительный бачок
1311B1-ZD10 Крепеж расширительного бачка
1602D-C0100 Педаль сцепления
1604A-C0100 Группа цилиндра сцепления
1606A-C0100 Бачок сцепления
1606C-C0100 Трубопроводы системы сцепления
1601A-T0500 Блок сцепления
ZB7C0-DC12J-05 Корпус сцепления
1601E-T0400 Крепление кожуха сцепления
1606D-T0404 Стальные патрубки системы сцепления
1606E-T0404 Гибкие патрубки в системе сцепления
1608A-T0400 Компоновка пневмогидроусилителя сцепления
1608C-T0400 Впускная трубка пневмогидроусилителя сцепления
1700010-ZB7C0 КПП в сборе
1703C5-ZD2A Кронштейн управления коробкой передач
ZB7C0-DC12J-01 Первичный и вторичный вал в сборе
ZB7C0-DC12J-02 Промежуточный вал
ZB7C0-DC12J-03 Вспомогательный вал
ZB7C0-DC12J-04 Блок управления КПП
ZB7C0-DC12J-06 Корпус КПП
ZB7C0-DC12J-07 Задняя крышка
ZB7C0-DC12J-08 Верхняя крышка
1703A-T0900 Рычаг переключения передач
1703B-T0900 Тяга переключения передач
1703F-T0900 Одинарная тяга управления коробкой передач
1703U-T0400 Трубопровод управления коробкой передач
1712A-T0501 Маслоохладитель
1712B-T0501 Трубопровода маслоохладителя
2201A-T0400 Карданный вал
2202ZB7A-010 Карданный вал с шлицевой вилкой в сборе
2201010-T0400 Карданный вал с шлицевой вилкой в сборе
3000010-T0500 Передний мост в сборе
3001A3-ZB6 Компоновка переднего моста
3103A-T0500 Передняя ступица и тормозной барабан
3303A4-ZB6 Поперечная рулевая тяга
3501A-ZB1E0 Тормозной механизм передний левый
3501B-ZB1E0 Тормозной механизм передний правый
2400010-T0400 Система заднего моста
3502A-T0400 Тормозной механизм задний левый
3502B-T0400 Тормозной механизм задний правый
2402ZB7D-010 Главный редуктор заднего моста и дифференциал с коническими шестернями
2500010-ZB7D1 Система среднего моста
3503A-ZB700 Тормозной механизм средний левый
3503B-ZB700 Тормозной механизм средний правый
2502ZB7D-010 Главный редуктор среднего моста
ZAS03B-T0400 Компоновка деталей среднего и заднего моста
2800010-T0400 Рама и кронштейны в сборе
2801I-T0700 Передняя поперечина рамы
2801P-T0800 Балансирная подвеска поперечины
2801Q-T0800 Задняя поперечина рамы
2806A-T0100 Передний сцепной крюк
2831A-T0800 Дополнительная поперечина
2831B-T0800 Третья поперечина
2901A3-01 Пластина крышки (узел агрегата)
2901B3-ZB6 Стремянка рессоры
2901C-T0400 Крепление подвески передней рессоры к раме
2901D3-01 Палец рессоры
2901E3-02 Серьга
2901H1-05 Верхний штифт и крепление амортизатора
2901I3-ZD10 Нижний кронштейн и нижний штифт амортизатора
2901J1-02 Соединительная серьга амортизатора
2902S1-ZB8A Ограничительный блок в сборе
2904A-T1400 Пластина крышки балансирной подвески
2904C-T0801 Балансирная подвеска рамы прицепа
2904F-T0800 Установка балансирной подвески
2906A-T0500 Передняя тяга поперечной устойчивости
2912A3-ZB6 Передняя рессора
2913A3-ZB8A Задняя рессора
2921A2-02 Компоновка амортизатора
2931B-ZB700 Реактивная штанга
2701AC-01 Блок седла
2701B-ZB7E0 Работающая площадка
2701CC-ZD10 Кронштейн клапанов прицепа
2701DC-ZB7 Направляющая
3101A-T0400 Колесо в сборе
3103B-T0500 Гайки и подножное кольцо переднего колеса
3104B4-ZB3 Гайки заднего колеса
3105A8-ZD10 Держатель запасного колеса
3106A-ZB3 Удлиненный нипель
3401A-T0100 Рулевой механизм в сборе
3401B-T0100 Установка рулевого механизма
3405A-T0500 Трубопровод гидроусилителя
3410A1-07 Масляный бачок гидроусилителя
3412A-T0100 Продольная рулевая тяга
3412B-T0100 Рычаг рулевого механизма
2507B-ZB7C0 Механизм управления блокировкой дифференциала
HD9161 Компоновка гидронасоса рулевого управления
3404A-C0101 Установка карданов рулевого управления
5104A-C0100 Рулевое колесо
3506001-T0402 Распределительная схема трубопроводов пневмотормоза
3513B-T0402 Передний воздушный рессивер
3513C-T0402 Задний воздушный ресивер
3513G-T0402 Передний и задний воздушный ресивер
3522B1-ZB7 Клапаны для прицепа
3525A-T0402 Однонаправленный клапан
3527B-ZB700 Дифференциальный клапан
3533A-T1400 Разгрузочный клапан
3451A-T0400 Горный тормоз
3542A-T0402 Технический индукционный клапан нагрузки
3542B-ZB700 Привод регулятора давления на заднюю ось
3543A-T0402 Воздухоосушитель
3550A-T0402 Передняя антиблокировочная система тормозов(ABS)
3550B-T0402 Задняя антиблокировочная система тормозов(ABS)
3504A-C0100 Педаль тормоза
3506R-C0301 Трубопровода ручного тормоза
3514A-C0100 Пневматический клапан тормоза
3517A-C0101 Ручной тормозной клапан
3631A-C0104 Элемент электроуправления антиблокировочной системой тормозов (ABS)
3638A-C0100 Сборный механизм управления по предупреждению
3704A-C0100 Замок зажигания
3714A-C0300 Потолочная лампа
3714D-C0100 Освещение подножки
3714G-C0301 Группа задних ламп для чтения
3714H-C0300 Передняя лампа для чтения
3721B-C0300 Воздушный сигнал
3722A-C0100 Коробка для групп предохранителей
3724D-C0322 Пучок проводов в кабине
3724J-C0301 Пучок проводов двери
3724K-C0301 Пучок проводов потолка кабины
3724M-C0301 Пучок проводов впереди кабины
3724N-C0101 Пучок проводов бампера
3724P-C0304 Пучок проводов днища кабины
3724Q-C0100 Пучок проводов днища кабины
3724R-C0301 Пучок проводов для чтения
3724Z-C0100 Защитная панель переднего пучка проводов
3725A-C0100 Прикуриватель
3726A-C0100 Боковой фонарь поворота
3726D-C0100 Осветитель поворота
3731A-C0100 Передняя габаритная лампа
3732A-C0100 Передние противотуманные фары
3735A-C0101 Реле
3735D-C0100 Реле проблеска
3735H-C0100 Соединительное реле пневмовыпускного тормоза
3735M-C0100 Реле стеклоочистителя
3735N-C0100 Реле кондиционера
3735Q-C0100 Реле DBR
3735S-C0100 Реле управления механизмом переключения скорости
3735W-C0100 Реле передних противотуманных фар
3735Y-C0100 Реле осветителя поворота
3747A-C0100 Омывателя лобового стекла
3750A-C0100 Группа выключателей на щитке
3750C-C0101 Выключатель подогрева
3750D-C0100 Выключателя дверной лампы
3750F-C0100 Выключатель межосевого дифференциала
3750H-C0100 Выключатель тормозной лампы и сцепления
3750I-C0100 Выключатель сцепления
3750J-C0101 Выключатель антиблокировочной системы тормозов (ABS)
3750R-C0100 Выключатель сцепления для механизма переключения скорости
3750T-C0100 Выключатель передних противотуманных фар
3750U-C0100 Выключатель заднего фонаря
3751X-C0100 Заглушка выключателя для зеркала заднего вида
3751Y-C0100 Заглушка клавишных выключателей на щитке
3763A-C0100 Отражатель
3772A-C0100 Передние комбинированные фары
3774A-C0100 Подрулевой выключатель
3775A-C0300 Автомагнитола
3819A-C0100 Звуковой сигнал
3621A-C0100 Элемент электроуправления механизма переключения скорости
3703A-T0900 Аккумулятор
ST9344 Стартер
3721A6-ZD2A Электрический сигнал
3724A-T0402 Пучок проводов на раме
3724B-T0500 Электропровода источника тока
3724C6-01 Масса-земля
3724E-T0900 Пучок электропроводов двигателя
3729A6-ZB6 Задний осветитель
3735B-ZB7C0 Реле стартера
3736A6-01 Главный выключатель массы
3739A-T0100 Устройство подъема кабины
3754A6-ZD2A Электромагнитный клапан
3760A-T0400 Боковой указатель
3773A2-ZB6 Задний фонарь
3819B1-ZD2A Сигнализация предупреждения заднего хода
3824A6-03 Датчик скорости
3827A-T0800 Топливный датчик
3833A-ZB7C0 Датчик засоренности воздушного фильтра
3839A-T0500 Датчик уровня воды
3800A-C0116 Группа приборов
3816C-C0100 Датчик предупреждения пневматического давления
3902B1-06 Домкрат в сборе
3919B-T0500 Сумка инструментов
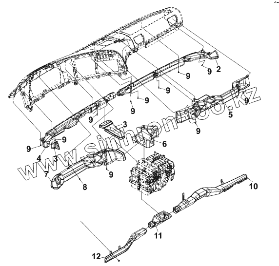
1
2
3
4
5
6
7
8
9
9
9
9
9
9
9
9
9
9
9
10
11
12
Позиция на иллюстрации
Заводской номер детали
Название детали
Q1840616
Q1840616
Болт
1
8102015-C0100
Воздуховод со стороны водителя
2
8102020-C0100
Воздуховод со стороны пассажира
3
8102025-C0100
Промежуточный воздуховод
4
8102010-C0100
Воздуховод со стороны водителя
5
8102040-C0100
Верхний воздуховод со стороны пассажира
6
8102035-C0100
Средний воздуховод
7
8102030-C0100
Верхний воздуховод со стороны водителя
8
8102901-C0100
Защёлка
9
RQ2700512
Винт
10
8102060-C0100
Нижний воздуховод со стороны пассажира
11
8102055-C0100
Нижний средний воздуховод в сборе
12
8102050-C0100
Нижний воздуховод со стороны водителя
Содержащиеся в справочниках-каталогах запасные части и детали не предлагаются к продаже, а носят исключительно информационный характер
Дополнительная информация
×
Название:
Номер:
Примечание: