Вернуться на главную
Поиск
Каталоги запчастей к технике
Грузовые автомобили и прицепы
DongFeng
DFL-4181A
Группа педали тормоза
Каталог запасных частей к технике: DongFeng DFL-4181A. Группа педали тормоза
zoom-in
zoom-out
enlarge
shrink
circle-right
circle-left
file-text2
info
cart
Тип техники
Не выбрано
Легковые автомобили
Грузовые автомобили и прицепы
Автобусы
Сельхозтехника
Спецтехника
Двигатели
Мототехника
Марка
Не выбрано
BAW
DAF
DongFeng
FAW
Foton
HOWO
Hyundai
IVECO
JAC Motors
LGMG
MAN
Shaanxi
SITRAK
Studebaker
Tata
Volvo
Автокомпонент Плюс
БелАЗ
Брянский Арсенал
ГАЗ
ЗИЛ
КАЗ
Камский автозавод
КрАЗ
Мадара
МАЗ
МЗКТ
МоАЗ
Нефтекамский автозавод
Ставропольский Завод АвтоПрицепов
ТАТРА
Тонар
УралАЗ
ЧМЗАП
Модель
Не выбрано
DFL-3250A1-K09-003-01 (2007)
DFL-3251A (2008)
DFL-3251A Euro3 (2008)
DFL-3251AW1 (2013)
DFL-3251AW1 (2017)
DFL-3251AXA Euro3 (2008)
DFL-4181A (2008)
DFL-4251A (2008)
DFL-4251A8-T31R-931-02 (2011)
DFL-4251AXA Euro3 (2014)
DFL4251A-T04-930-00CA (2007)
EQ-1074 (2006)
L3251A3 (вар.) (2007)
Схема
>
Не выбрано
Кабина в сборе
Сварочное соединение кабины в сборе
Применяемые заглушки в кабине
Передняя подвеска кабины
Задняя подвеска кабины
Цилиндр подъема кабины
Цилиндр подъема кабины
Масляный насос подъема кабины
Сварочный соединительный напольный состав
Обивка пола
Чехол рычага переключения скоростей
Боковой вещевой ящик водителя
Боковой вещевой ящик пассажира
Напольный коврик в кабине
Нижняя теплоизоляция пола
Противовибрационная накладка пола
Установка омывателя лобового стекла
Стеклоочиститель в сборе
Уплотнители лобового стекла
Комплект установки заднего окна
Передняя панель с решеткой радиатора
Конструкция передней панели
Внешняя боковая пластина переднего обтекакателя
Нижняя упорная плита переднего обвода
Сборная коробка для вещей на панели приборов
Рамка приборов
Группа панели приборов
Сварочное соединение левой боковины
Сварочное соединение правой боковины
Внутренняя отделка левой боковины
Внутренняя отделка правой боковины
Установка левого бокового окна
Установка правого бокового окна
Задняя панель
Внутренняя отделка задней панели кабины
Сварочное соединение крышы кабины
Внутренняя отделка крышы кабины
Люк крыши в сборе
Верхний вещевой ящик
Верхняя звукоизоляция
Дверь левая в сборе
Дверь правая в сборе
Амортизационное устройство двери кабины
Отделка передней левой боковой двери
Отделка передней правой боковой двери
Стекло левой двери
Стекло правой двери
Левый стеклоподъемник в сборе
Правый стеклоподъемник в сборе
Замок левой двери
Замок правой двери
Уплотнители левой двери
Уплотнители правой двери
Компоновка сидений в кабине
Сиденье пассажира
Отопитель в сборе
Трубопроводы отопителя
Входной и выходной патрубок отопителя
Воздушный патрубок отопления
Вентиляционное оборудование
Компоновка охладителя
Патрубки кондиционера
Управление оборудованием кондиционера
Компоновка привода кондиционера
Компоновка кондиционера
Компоновочные детали для установки отопления
Труба подачи воздуха в кабину
Отражатель
Передняя эмблема
Ремень безопасности водителя
Ремень безопасности пассажира
Спальное место
Верхнее спальное место
Внешнее левое боковое зеркало заднего вида
Внешнее правое боковое зеркало заднего вида
Установочная компоновка внешнего левого бокового зеркала заднего вида
Установочная компоновка внешнего правого бокового зеркала заднего вида
Внутреннее зеркало заднего вида
Пепельница
Солнцезащитный козырёк
Солнцезащитный навес
Оконная штора
Скользящая направляющая для оконной шторы
Наружный ручной поручень
Внутренний ручной поручень
Зеркало нижнего вида
Задний левый брызговик
Задний правый брызговик
Передний левый брызговик
Передний правый брызговик
Левый внутренний брызговик
Правый внутренний брызговик
Козырек левого колеса
Козырек правого колеса
Козырек левого колеса - автомобиль
Козырек правого колеса - автомобиль
Левая звукоизоляционная панель
Правая звукоизоляционная панель
Левая подножка кабины
Правая подножка кабины
Левая подножка
Правая подножка
Брызговик заднего колеса
Двигатель в сборе
Табличка параметров
Блок цилиндров
Соединение трубопровода блока цилиндров
Блок шестерёночного картера
Блок вентиляции картера
Гаситель крутильных колебаний
Компоновка кронштейна передней подвески двигателя
Кожух маховика. Маховик и его крепление
Крышка шестерёнчатого картера
Впускной коллектор
Серьга подвески двигателя
Маслоохладитель и масляный фильтр
Масляный щуп
Масляный насос
Маслозаправочная компоновка цилиндра
Маслозаправочная компоновка
Поддон картера
Блок шкива для приводного приспособления
Блок конструктивных элементов
Трубопровод крышки цилиндра
Состав привода клапанов
Состав клапанной крышки
Блок передней подвески двигателя
Блок вспомогательной подвески двигателя
Установка масляного щупа
Блок циклического трубопровода для удаления воздуха из двигателя
Задняя подвеска двигателя
Передняя подвеска двигателя
Вспомогательная подвеска двигателя
Топливный фильтр
Соединительный патрубок топливного фильтра
Топливный насос и его крепление
Насос перекачивания топлива в сборе
Состав топливного трубопровода
Компоновка соединителя воздухозаборника
Компоновка управления акселератором
Компоновка турбокомпрессора
Компоновка трубопровода форсунки
Установка турбокомпрессора
Блок трубопровода турбокомпрессора
Состав кронштейна топливного бака
Хомуты топливного бака
Компоновка топливного бака
Топливная магистраль для подачи топлива - автомобиль
Топливная магистраль подачи топлива
Топливная магистраль возврата топлива
Компоновка для установки топливного отстойника
Крепление акселератора
Крепление вспомогательного троса по управлению
Воздухоочиститель
Компоновка держателя воздухоочистителя
Пневматические входные трубы от воздушного фильтра до двигателя
Сигнализатор засоренности воздушного фильтра
Воздушные патрубки компрессора
Блок предварительного топливного фильтра
Выпускной соединительный патрубок турбокомпрессора
Педаль акселератора
Компоновка привода акселератора
Трос управления акселератором
Механизм управления в сборе акселератора холостого хода
Глушитель
Крепление глушителя
Впускная труба глушителя
Компоновка теплоизоляции выпускной системы
Газовыхлопной блок двигателя
Охлаждающий трубопровод блока цилиндров
Компоновка охлаждающих трубопроводов компрессора
Компоновка вспомогательного патрубка для охлаждающей жидкости
Термостат
Компоновка привода вентилятора
Блок соединительных патрубков
Блок датчика температуры охлаждающей жидкости
Моментный охлаждающий преобразователь
Компоновка фильтра охлаждающей жидкости
Соединительный патрубок впуска воды
Соединительный патрубок выпуска воды
Компоновка водяного насоса
Натяжной ролик ремня
Приводное приспособление водяного насоса
Промежуточный охладитель
Крепеж промежуточного охладителя
Соединитель промежуточного охладителя и крепежные детали
Компоновка радиатора
Крепеж радиатора
Входной и выходной патрубки водяного радиатора
Блок вентилятора
Крепеж вентилятора
Диффузор вентилятора
Воздухоотражатель вентилятора
Расширительный бачок
Крепеж расширительного бачка
Блок сцепления
Крепление кожуха сцепления
Стальные патрубки в системе сцепления
Гибкие патрубки в системе сцепления
Передний гибкий патрубок в системе сцепления
Компоновка пневмогидроусилителя сцепления
Впускная трубка пневмогидроусилителя сцепления
Корпус сцепления
Педаль сцепления
Группа цилиндра сцепления
Бачок сцепления
Трубопроводы системы сцепления
КПП в сборе
Первичный и вторичный валы в сборе
Промежуточный вал
Вспомогательный вал
Блок управления переменой скоростей
Корпус КПП
Задняя крышка
Верхняя крышка
Рычаг переключения передач
Кронштейн управления коробкой передач
Тяга переключения передач
Одинарная тяга управления коробкой передач
Трубопровод управления коробкой передач
Передний подшипник коробки передач
Маслоохладитель
Трубопровод маслоохладителя
Карданный вал
Передний мост в сборе
Передний мост
Задний мост
Главный редуктор и дифференциал с коническими шестерями
Устройство заднего моста
Передний бампер
Рама в сборе
Продольная рама
Усилитель продольной рамы
Усилитель рамы - поперечная балка
Передняя поперечина рамы
Задняя навесная поперечина рамы
Хвостовая поперечная балка
Компоновка переднего буксировочного крюка
Компоновка кронштейна крана прицепа
Состав отбойника передней рессоры
Стремянка рессоры
Крепление подвески передней рессоры к раме
Палец рессоры
Серьга
Верхнее крепление амортизатора
Нижний кронштейн и нижний штифт амортизатора
Соединительная серьга амортизатора
Составляющие крепежа рессоры
Стремянка
Установка кронштейнов задней рессоры
Палец стальных листовых рессор
Нижний палец амортизатора
Соединительная серьга амортизатора
Соединение штока амортизатора
Серьга и втулка серьги
Ограничительный блок в сборе
Передняя тяга поперечной устойчивости
Задняя тяга поперечной устойчивости
Передняя рессора
Задняя рессора
Вспомогательная рессора
Амортизатор в сборе
Амортизатор в сборе
Колесо в сборе
Гайки и подножное кольцо переднего колеса
Гайка заднего колеса
Временный крепежный крюк запасного колеса
Удлиненный нипель
Рулевое колесо
Облицовка рулевой колонки
Рулевой механизм в сборе
Установка рулевого механизма
Трубопровод гидроусилителя
Масляный бачок гидроусилителя
Продольная рулевая тяга
Рычаг рулевого механизма
Компановка насоса гидроусилителя рулевого управления
Поперечная рулевая тяга
Установка привода рулевого управления
Блок компрессора
Пнемовыпускной тормозной блок
Передняя ступица и тормозной барабан
Тормозной механизм передний левый
Тормозной механизм передний правый
Тормозной механизм задний левый
Тормозной механизм задний правый
Распределительная схема трубопровода пневмотормоза
Вспомогательный воздушный рессивер
Передний и задний рессивер
Кран прицепа в сборе
Направляющий клапан
Дифференциальный клапан
Разгрузочный клапан
Блок тормоза-замедлителя
Технический индукционный клапан нагрузки
Воздухоосушитель
Передняя антиблокировочная система тормозов (ABS)
Задняя антиблокировочная система тормозов (ABS)
Группа педали тормоза
Трубопроводы ручного тормоза
Пневматический клапан тормоза
Ручной тормозной клапан
Элемент электроуправления антиблокировочной системы тормозов (ABS)
Генератор
Компоновка деталей для установки генератора
Блок стартера и его крепление
Массовый провод
Компоновка электромагнитного клапана
Аккумулятор
Электрический сигнал
Пучок проводов на раме
Электропровода от аккумулятора
Пучок электропроводов двигателя
Группа задних осветительных ламп
Реле стартера
Главный выключатель массы
Электромагнитный клапан
Задний фонарь
Сигнализация предупреждения заднего хода
Сборный механизм управления по предупреждению
Замок зажигания
Потолочная лампа
Освещение подножки
Группа ламп для чтения на спальном месте
Передняя лампа для чтения
Компоновка воздушного сигнала
Коробка для групп предохранителя
Электрический пучок проводов в кабине
Пучок проводов дверцы автомобиля
Пучок проводов потолка кабины
Пучок проводов впереди кабины
Пучок проводов бампера
Пучок проводов днища кабины
Пучок проводов днища кабины
Пучок проводов для чтения на спальном месте
Пучок проводов передней панели
Прикуриватель
Боковой фонарь поворота
Передняя габаритная лампа
Передние противотуманные фары
Блок реле
Соединительное реле пневмовыпускного тормоза
Реле стеклоочистителя
Реле кондиционера и отопления
Реле DBR
Реле передних противотуманных фар
Группа выключателей на щитке
Группа выключателя дверной лампы
Выключатель тормозной лампы и сцепления
Выключатель сцепления
Группа выключателя антиблокировочной системы тормозов (ABS)
Выключатель передних противотуманных фар
Выключатель задних фонарей
Заглушка выключателя
Заглушка клавишных выключателей на щитке
Передние комбинированные фары
Подрулевой выключатель
Группа GPS навигации
Группа приборов
Датчик предупреждения пневматического давления
Датчик в сборе
Блок датчика сигнализации давления масла
Датчик скорости
Топливный датчик
Датчик засоренности воздушного фильтра
Датчик сигнализации уровня воды
Автомагнитола
Домкрат в сборе
Сумка инструментов
Огнетушитель
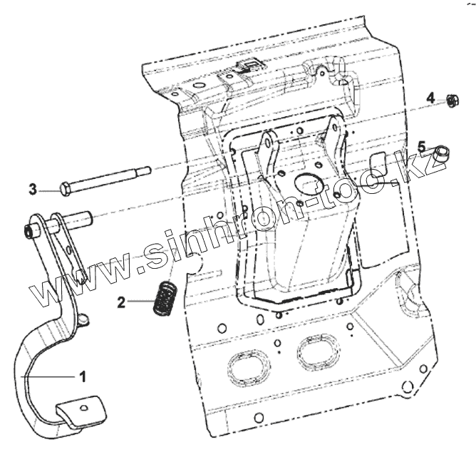
1
2
3
4
5
Позиция на иллюстрации
Заводской номер детали
Название детали
Q40310
Q40310
Пружинная шайба
Q40110
Q40110
Шайба
1
3504025-C0100
Педаль тормоза в сборе
2
3504038-C0100
Пружина
3
3504037-C0100
Ось педали тормоза
4
Q340B10
Гайка
5
3504036-C0100
Ограничитель педали тормоза
Содержащиеся в справочниках-каталогах запасные части и детали не предлагаются к продаже, а носят исключительно информационный характер
Дополнительная информация
×
Название:
Номер:
Примечание: