Вернуться на главную
Поиск
Каталоги запчастей к технике
Грузовые автомобили и прицепы
DongFeng
DFL-3251A Euro3
8102A-C0100 Воздуховоды системы отопления
Каталог запасных частей к технике: DongFeng DFL-3251A Euro3. 8102A-C0100 Воздуховоды системы отопления
zoom-in
zoom-out
enlarge
shrink
circle-right
circle-left
file-text2
info
cart
Тип техники
Не выбрано
Легковые автомобили
Грузовые автомобили и прицепы
Автобусы
Сельхозтехника
Спецтехника
Двигатели
Мототехника
Марка
Не выбрано
BAW
DAF
DongFeng
FAW
Foton
HOWO
Hyundai
IVECO
JAC Motors
LGMG
MAN
Shaanxi
SITRAK
Studebaker
Tata
Volvo
Автокомпонент Плюс
БелАЗ
Брянский Арсенал
ГАЗ
ЗИЛ
КАЗ
Камский автозавод
КрАЗ
Мадара
МАЗ
МЗКТ
МоАЗ
Нефтекамский автозавод
Ставропольский Завод АвтоПрицепов
ТАТРА
Тонар
УралАЗ
ЧМЗАП
Модель
Не выбрано
DFL-3250A1-K09-003-01 (2007)
DFL-3251A (2008)
DFL-3251A Euro3 (2008)
DFL-3251AW1 (2013)
DFL-3251AW1 (2017)
DFL-3251AXA Euro3 (2008)
DFL-4181A (2008)
DFL-4251A (2008)
DFL-4251A8-T31R-931-02 (2011)
DFL-4251AXA Euro3 (2014)
DFL4251A-T04-930-00CA (2007)
EQ-1074 (2006)
L3251A3 (вар.) (2007)
Схема
>
Не выбрано
5000012-C0111-02 Кабина в сборе
1109K-C0101 Труба воздухозаборная
1602D-C0100 Педаль сцепления
1604A-C0100 Главный цилиндр сцепления
1606A-C0100 Бачок сцепления
1606C-C0101 Трубопровод гидросистемы сцепления
1703C5-ZD2A Рычаг управления коробкой передач
3404A-C0100 Привод рулевого механизма
3504A-C0100 Педаль тормоза
3506R-C0100 Трубопроводы стояночного тормоза
3514A-C0100 Тормозной кран
3517A-C0100 Управление стояночным тормозом
5000K-C0100 Присоединения для сварки в кабине
5000M-C0100 Заглушки кабины
5001A-C0100 Передняя подвеска кабины
5001B-C0100 Задняя подвеска кабины
5001C-C0103 Наружный знак кабины — 375 л.с.
5003A-C0100 Гидроцилиндр подъема кабины
5003B-C0100 Крепление гидроцилиндра подъема кабины
5005A-C0105 Масляный насос механизма подъема кабины
5101A-C0100 Пол кабины в сборе
5102B-C0100 Интерьер пола
5102J-C0104 Чехол рычага переключения передач
5104A-C0100 Рулевое колесо
5104B-C0100 Облицовка рулевой колонки
5109A-C0101 Напольный коврик кабины
5110B-C0100 Теплоизоляционная накладка пола
5111B-C0100 Противовибрационная накладка пола
5205A-C0100 Стеклоочиститель в сборе
5206A-C0100 Лобовое стекло
5301C-C0100 Передняя панель и решетка радиатора
5301E-C0100 Передняя панель
5301J-C0100 Передний обтекатель
5301P-C0100 Нижняя упорная плита переднего обтекателя
5303A-C0100 Ящики для вещей панели приборов
5305A-C0100 Кронштейны панели приборов
5305B-C0103 Панель приборов
5401A-C0100 Левая боковина
5401B-C0100 Правая боковина
5402A-C0100 Внутренняя отделка левой боковины
5402B-C0100 Внутренняя отделка правой боковины
5403A-C0100 Левая вентиляционная накладка
5403B-C0100 Правая вентиляционная накладка
5601A-C0100 Задняя панель
5602A-C0100 Внутренняя отделка задней панели
5603A-C0100 Заднее стекло
5701A-C0104 Крыша кабины
5702A-C0104 Внутренняя отделка крыши кабины
5704A-C0103 Верхний ящик для мелких вещей
8403A-C0100 Задний левый брызговик
8403B-C0100 Задний правый брызговик
8403C-C0101 Передний левый брызговик
8403D-C0101 Передний правый брызговик
8403E-C0100 Левый внутренний брызговик
8403F-C0100 Правый внутренний брызговик
8403G-C0100 Верхний брызговик левого колеса
8403H-C0100 Верхний брызговик правого колеса
8403J-C0101 Нижний брызговик левого колеса
8403K-C0101 Нижний брызговик правого колеса
8403L-C0100 Левая звукоизоляционная панель
8403M-C0100 Правая звукоизоляционная панель
8405A-C0102 Левая подножка кабины
8405B-C0102 Правая подножка кабины
8405C-C0102 Левая подножка
8405D-C0102 Правая подножка
8406A-C0101 Передний бампер
6101A-C0102 Дверь левая в сборе
6101B-C0102 Дверь правая в сборе
6101C-C0100 Буфер двери кабины
6102A-C0103 Внутренняя отделка левой двери
6102B-C0103 Внутренняя отделка правой двери
6103A-C0100 Стекло левой двери
6103B-C0100 Стекло правой двери
6104A-C0100 Левый стеклоподъемник в сборе
6104B-C0100 Правый стеклоподъемник в сборе
6105A-C0100 Замок левой двери
6105B-C0100 Замок правой двери
6107A-C0100 Уплотнитель левой двери
6107B-C0100 Уплотнитель правой двери
6800A-C0100 Сиденье водителя
6900A-C0100 Сиденье пассажира
7600A-C0102 Спальная полка
8101A-C0100 Отопитель в сборе
8101B-C0100 Трубопроводы отопителя
8101C-C0106 Подводящий и отводящий трубопроводы отопителя
8102A-C0100 Воздуховоды системы отопления
8103A-C0101 Система вентиляции кабины
8105A-C0103 Радиатор кондиционера
8108A-C0103 Трубопроводы кондиционера
8112A-C0101 Блок управления кондиционером
8201A-C0100 Наружное левое зеркало заднего вида
8201B-C0100 Наружное правое зеркало заднего вида
8201C-C0100 Крепление наружного левого зеркала заднего вида
8201D-C0102 Крепление наружного правого зеркала заднего вида
8201E-C0100 Внутреннее зеркало заднего вида
8203A-C0100 Пепельница
8204A-C0100 Солнцезащитный козырек
8205B-C0100 Направляющие оконной шторы
8211A-C0100 Наружные передние поручни
8211B-C0100 Внутренние поручни
8219A-C0100 Зеркало нижнего обзора
8220A-C0100 Наружное зеркало бокового обзора
8220B-C0100 Держатель наружного зеркала бокового обзора
3910A-C0100 Огнетушитель
5000F-C0100 Передняя эмблема
5103A-C0100 Ящик для мелких вещей
5103B-C0100 Средний ящик для мелких вещей
7920A-C0101 Навигатор GPS
5810A-C0100 Ремень безопасности водителя
5810B-C0100 Ремень безопасности пассажира
1000020-ZXC04 Двигатель в сборе
1001B-T0500 Передняя подвеска двигателя
1001C-T0500 Задняя подвеска двигателя
1001H-T1400 Вспомогательная подвеска двигателя
1001E-T2200 Кронштейн задней опоры двигателя
1001G-T0500 Кронштейн передней опоры двигателя
1001J-T0500 Кронштейн вспомогательной опоры двигателя
1009C-T0100 Установка масляного щупа
1101B-T2201 Кронштейны топливного бака
1101F-T0400 Топливный бак
1104A-T2201 Трубопровод системы питания
1104A-T2201 Трубопровод системы питания
1104A-T2201 Трубопровод дренажный системы питания
1109A1-ZD2A Воздушный фильтр двигателя
1109B-T1000 Кронштейны воздушного фильтра
1109C-T2200 Воздухопроводы системы впуска
1109J-T0300 Сигнализатор засоренности воздушного фильтра
1118A1-ZB6 Промежуточный охладитель воздуха
1118B1-ZB6 Крепление промежуточного охладителя
1119B-T2201 Крепление и воздухопроводы промежуточного охладителя
1119A1-ZB3 Топливный фильтр предварительной очистки
1105B-T2201 Кронштейн крепления топливного фильтра предварительной очистки
1201A1-ZB3 Глушитель
1201B-T1400 Крепление глушителя
1203A-T2201 Трубы системы выпуска газов
1203G-T2201 Выпускной соединительный патрубок турбокомпрессора
1301A2-ZB6 Радиатор системы охлаждения
1301B-T1400 Защита радиатора
1302A-T0500 Крепление радиатора системы охлаждения
1303A-T0500 Входной и выходной патрубки радиатора системы охлаждения
1308A1-ZB7C Вентилятор
1308B1-ZB7C Крепление вентилятора
1309A-T0500 Диффузор вентилятора
1311A-T0500 Расширительный бачок
1311B-T0300 Крепление расширительного бачка
1311C-T0500 Трубопроводы для удаления воздуха из двигателя
1601A-T0501 Сцепление в сборе
1601E-ZB3E0 Крепление картера сцепления
16G0E-T0500 Стальные трубопроводы системы сцепления
1603E3-ZB3 Гибкий трубопровод системы сцепления (задний)
1606F1-ZB7 Гибкие трубопроводы системы сцепления (передние)
1608A-T1101 Пневмогидроусилитель сцепления
1606D-T2200 Стальные трубопроводы пневмогидроусилителя сцепления
RT-11509G Коробка передач в сборе
RT-11509G-01 Картер сцепления. Картер коробки передач
RT-11509G-02 Вторичный вал
RT-11509G-03 Промежуточные валы
RT-11509G-04 Первичный вал
RT-11509G-05 Промежуточная ось передачи заднего хода
RT-11509G-06 Механизм переключения передач
RT-11509G-07 Механизм управления в сборе
RT-11509G-08 Регулятор давления воздуха
RT-11509G-09 Шестерня привода промежуточных валов демультипликатора
RT-11509G-10 Вал, шестерня, синхронизатор демультипликатора
RT-11509G-11 Промежуточные валы демультипликатора
RT-11509G-12 Задняя крышка
RT-11509G-13 Механизм переключения передач демультиплик
RT-11509G-14 Тормоз промежуточного вала в сборе
RT-11509G-15 QH70 КОМ в сборе
1703A-T0300 Рукоятка рычага переключения передач
1703B-T2200 Тяга и рычаг переключения передач
1703F-T1700 Тяга управления коробкой передач
1703U-T2200 Трубопровод управления коробкой передач
4205B-T2200 Трубопроводы управления КОМ
2201A-T2201 Карданные валы
2201ZB8A-110 Карданный вал заднего моста
2201010-T2201 Карданный вал среднего моста
2202010-T2201 Карданный вал с опорой в сборе
28ZXC05 Рама в сборе
28ZX303 Лонжероны рамы
2801l-T2200 Первая поперечина
2831A-T2200 Третья поперечина (дополнительная)
2801HC-ZB3 Четвертая поперечина
2801P-T2200 Поперечина балансирной подвески
2801Q-T2200 Задняя поперечина
2806A4-26 Задняя буксирная петля
2806A5-26 Передняя буксирная петля
2901A-T1400 Буфер отбоя передней рессоры
2901B3-ZB3 Стремянка передней рессоры
29G0A-T2200 Кронштейны передней подвески
2901D3-01 Палец передней рессоры
2901E3- ZB3 Серьга передней рессоры
2901H1-05 Крепление амортизатора
2901I1-15 Крепление амортизатора
2901J1-02 Крепление амортизатора
2902S1-ZB8A Буфер отбоя задней рессоры
2904A-T1100 Крепление задней рессоры
2904C-T1400 Кронштейн буфера отбоя
2904F-T1400 Ось балансирной подвески
2904G-T1400 Ограничитель осевого перемещения балансирной подвески
2912A-T1100 Передняя рессора
2913A-T1100 Задняя рессора
2921A3-04 Амортизатор передней подвески
2931B-T1400 Реактивные штанги
30ZAS01A-00005 Передний мост в сборе (с АБС)
30ZAS01A-00005-1 Передний мост (с АБС)
35ZAS01A-01065 Ступица и тормозной барабан переднего моста (с АБС)
33ZB3-03050 Поперечная рулевая тяга (с АБС)
3501ZAS01-001 Тормозной механизм передний левый (с АБС)
3501ZAS01-002 Тормозной механизм передний правый (с АБС)
DH7131.400305 Задний мост
DH7131-1 Картер заднего моста
DH7131-2 Редуктор главной передачи и дифференциал заднего моста
DH7131-3 Ступица колеса заднего моста
DH7131-4 Колесный редуктор заднего моста
DH7131-5 Тормоз колеса заднего моста
DH7131-6 Привод тормоза колеса заднего моста
DH7131-7 Кронштейн подвески заднего моста
DH7131-8 Средний мост
DH7131-9 Картер среднего моста
DH7131-10 Межосевой дифференциал
DH7131-11 Редуктор главной передачи среднего моста
DH7131-12 Дифференциал среднего моста
DH7131-13 Ступица колеса среднего моста
DH7131-14 Колесный редуктор среднего моста
DH7131-15 Тормоз колеса среднего моста
DH7131-16 Привод тормоза колеса среднего моста
DH7131-17 Кронштейн подвески среднего моста
3101A-T2200 Колесо в сборе
3103B-T0501 Гайки и защитный колпак переднего колеса
3106A-ZB3 Удлиненный ниппель
3301C2-ZD2A Кронштейн рулевого механизма
3401A4-ZB3 Рулевой механизм в сборе
3405A-T1400 Трубопроводы гидросистемы рулевого управления
3410A1-07 Масляный бак гидроусилителя
3412A-T1400 Продольная рулевая тяга
3412B-T1400 Сошка рулевого управления
35ZXC05-06001 Схема тормозной системы (с ABS)
3513G-T1400 Воздушные ресиверы
3506925-T2200 Многоканальный штуцер
3506063-K0800 Тройник
3527B-T1400 Дифференциальный клапан
3533A-T1400 Разгрузочный клапан
3542A-ZB300 Регулятор тормозных сил
3542B1-ZB3 Привод регулятора тормозных сил
3543R1A-001 Осушитель воздуха
3515N-010 Четырехканальный предохранительный клапан
3541A-T0400 Моторный тормоз
35ZXC05-13510 Антиблокировочная система (ABS) тормозов переднего моста
35ZXC05-13710 Антиблокировочная система (ABS) тормозов среднего моста
35ZXC05-13610 Антиблокировочная система (ABS) тормозов заднего моста
3638A-C0100 Реле комплексной сигнализации
3704A-C0100 Замок зажигания
3714A-C0100 Потолочная лампа
3714B-C0100 Сервисная лампа
3714F-C0100 Боковая лампа для чтения
3721B-C0100 Воздушный звуковой сигнал
3722A-C0100 Блок предохранителей
3725A-C0100 Прикуриватель
3726A-C0100 Боковой указатель поворота
3731A-C0100 Передние габаритные фонари и фонари знака автопоезда
3732A-C0101 Передние противотуманные фары
3747A-C0100 Омыватель лобового стекла
3750A-C0100 Выключатели
3750D-C0100 Выключатель лампы двери
3750F-C0100 Выключатель блокировки межосевого дифференциала
3750G-C0101 Выключатели КОМ и подъема самосвальной платформы
3750H-C0100 Выключатель тормозной лампы
3750I-C0100 Выключатель сцепления
3750S-C0100 Выключатель нейтральной передачи демультипликатора коробки передач
3750T-C0100 Выключатель передних противотуманных фар
3751X-C0100 Заглушка выключателя электропривода зеркала заднего вида
3751Y-C0100 Заглушка клавишных выключателей на щитке
3763A-C0100 Светоотражатель
3772A-C0100 Передние комбинированные фары
3774A-C0100 Подрулевой переключатель
3775A-C0100 Автомагнитола
3819A-C0100 Многофункциональный звуковой сигнал (зуммер)
3800A-C0300 Комбинация приборов
3816C-C0100 Датчики давления воздуха
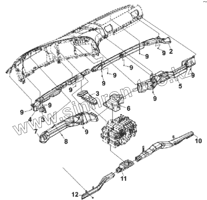
2
3
3
4
4
5
6
7
8
9
9
9
9
9
9
9
9
9
9
9
10
11
12
Позиция на иллюстрации
Заводской номер детали
Название детали
2
8102020-C0100
Воздуховод со стороны пассажира
3
8102025-C0100
Промежуточный воздуховод
4
8102015-C0100
Воздуховод со стороны водителя
4
8102010-C0100
Воздуховод со стороны водителя
5
8102040-C0100
Верхний воздуховод со стороны пассажира
6
8102035-C0100
Средний воздуховод
7
8102030-C0100
Верхний воздуховод со стороны водителя
8
8102901-C0100
Защёлка
9
RQ2700512
Винт
10
8102060-C0100
Нижний воздуховод со стороны пассажира
11
8102055-C0100
Нижний средний воздуховод в сборе
12
8102050-С0100
Воздуховод нижний со стороны водителя
Содержащиеся в справочниках-каталогах запасные части и детали не предлагаются к продаже, а носят исключительно информационный характер
Дополнительная информация
×
Название:
Номер:
Примечание: